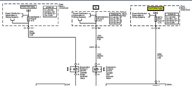
Black-white for ground (there is ground).
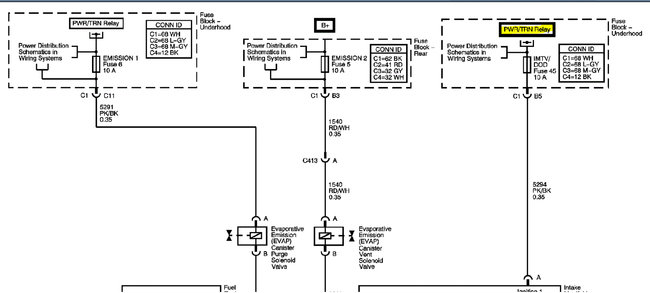
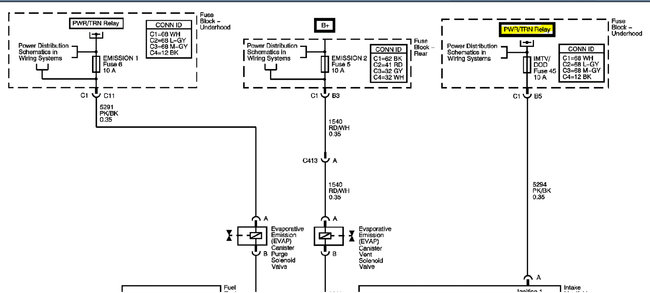
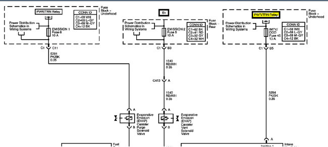
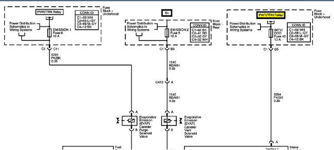
I did not proceed to the orange wire (0.5V variable tuning signal to the ECU) nor to the yellow-black wire (5.0V Fan position signal to the ECU) because there was no voltage to the IMT motor at the connector. When I connected the test light between the pink-black and black-white at the connector, it did not illuminate, but when I moved the probe at the pink-black pin to the battery positive terminal it lit up. I gather, the ground is okay at the connector, and there is an open circuit at the ignition voltage pink-black pin or wire. The question is why? The PCM relay and 10A fuse where this ignition voltage is supplied through are fine. What do I do next? Can I supply direct voltage to the pink-black wire from the positive terminal? And how would I know the IMT motor turns or not (sound?). I am not using a bi-directional scanner, so I cannot command the IMT to close.
Tuesday, March 2nd, 2021 AT 5:35 PM














