No Voltage 12v pink wire going to MAF sensor?

Tiny
TEXASTONY
  • MEMBER
  • 1996 CHEVROLET SILVERADO
  • 5.7L
  • V8
  • 2WD
  • AUTOMATIC
  • 190,000 MILES
I have no 12 volts on pin 3 of MAF.
I need to find a wiring diagram that shows
where the wiring to the MAF are coming from.
Lots of diagrams show pins without the name of the unit. Please help
Wednesday, March 8th, 2023 AT 10:00 AM

3 Replies

Tiny
CARADIODOC
  • MECHANIC
  • 34,453 POSTS
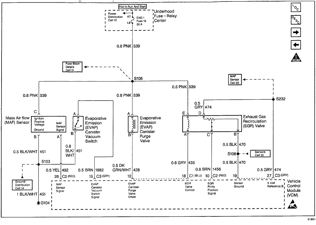
Here's the diagram to get you started.

Looks like Engine 1 Fuse 15 is the logical suspect. If it's okay, check for that 12 volts at the EGR valve. If you have it there, the better suspect would be corroded splice S108. There's no drawing provided for its location. There's only this description"

"Engine Harness, approx. 11.5 cm from Ignition Coil Breakout toward Starter Solenoid"

Let me know what you find.
Was this
answer
helpful?
Yes
No
+1
Wednesday, March 8th, 2023 AT 2:43 PM
Tiny
TEXASTONY
  • MEMBER
  • 34 POSTS
Thank you for your help, But I need to know where the wiring from the MAF sensor is coming from, I think there coming from the VCM, but don't have a diagram showing cable number and pin # were the 12v is coming from. Please help.
Was this
answer
helpful?
Yes
No
Friday, March 10th, 2023 AT 9:42 AM
Tiny
CARADIODOC
  • MECHANIC
  • 34,453 POSTS
Everything needed is in the first diagram. I just added the rest of the images to make finding things easier. The wiring harness is shown as item # 3 in the second image up above. The pink 12-volt feed wire comes from the Under Hood Fuse Box / Relay Center, item # 4. If you're missing the 12 volts to the MAF sensor, that harness and the fuse I pointed out are the things to inspect. The top of the third drawing shows the back side of the fuse box, with the two red arrows pointing to the 20-amp fuse. The fifth drawing with the red arrow shows the fuse uses terminals L8 and K7. If you look at those terminals at the top of the third drawing, you'll see there's a connecting bar, or "buss bar" connected to terminal K7. That tells us that one has to be getting the 12-volt feed, then L8 has to be the terminal after the fuse, going to the pink wire.

The MAF signal wire, terminal "A", goes to terminal # 26 in connector # C2 on the Vehicle Control Module, (VCM), (item # 12 in the second drawing). The dashed box at the bottom of the first diagram represents that module. If you look to the far right lower corner, it's name is shown there.

Part numbers for wiring harnesses are never given for any vehicle because they don't have anything to do with the diagnosis. If you need to replace one, look for the tag on the one being replaced. The problem is if there was a minor design change, the old and new part numbers will be different, but they might interchange just fine. The only thing you can say is if you find two with the same number, you know they are identical. If the numbers are different, we just go by the application including engine size, transmission type, and other optional equipment, and don't pay attention to the part numbers.

I mentioned checking for 12 volts on terminal "E" on the EGR valve, also a pink wire. Did you do that? If you find 12 volts there, the fuse has to be okay, then there's no point in looking at the fuse box.

If it will help, I can highlight the wires in question but it will take a little time to do that. Let me know if that is something I should pursue.
Was this
answer
helpful?
Yes
No
+1
Friday, March 10th, 2023 AT 10:21 AM

Please login or register to post a reply.