Turn signals and flashers are not working?

Tiny
JACK1946
  • MEMBER
  • 2001 FORD F-250
  • 7.3L
  • V8
  • 4WD
  • AUTOMATIC
  • 158,000 MILES
I have changed the fuse, the flasher relay, and the turn signal control lever. They still don't work. Any idea on what I can check next?
Tuesday, April 4th, 2023 AT 1:23 PM

2 Replies

Tiny
KEN L
  • MASTER CERTIFIED MECHANIC
  • 55,469 POSTS
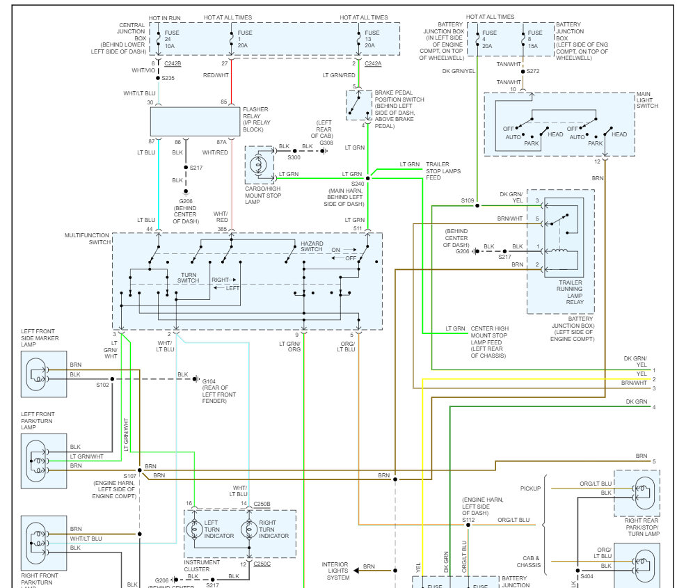
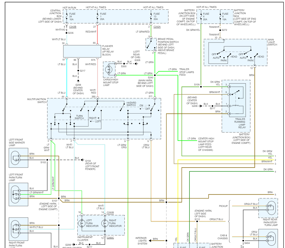
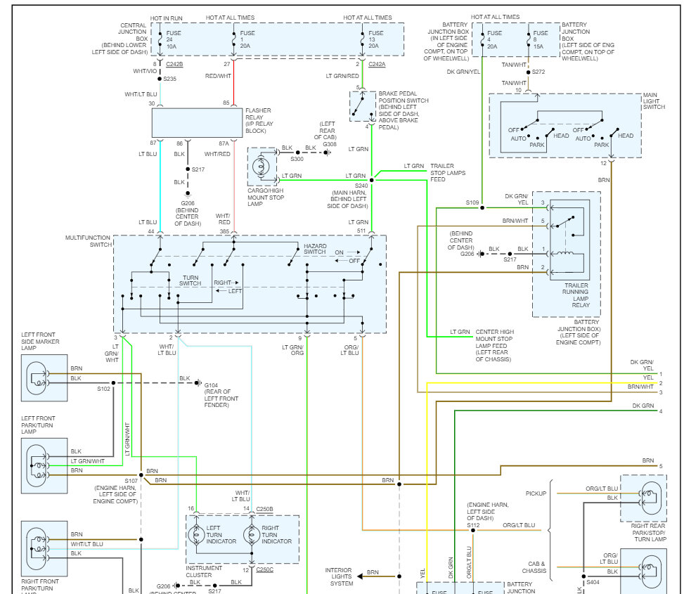
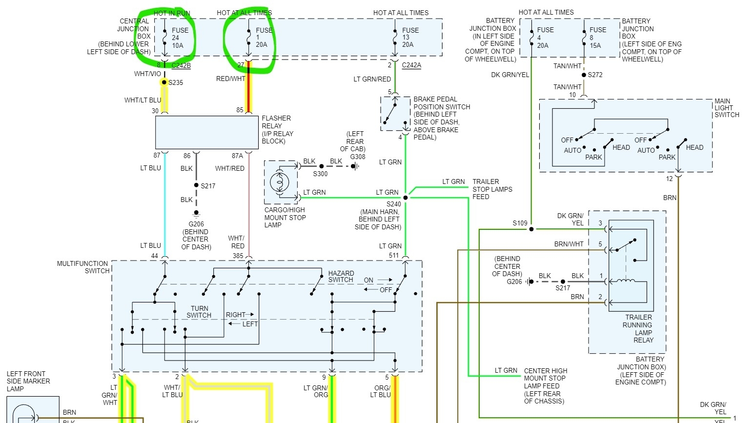
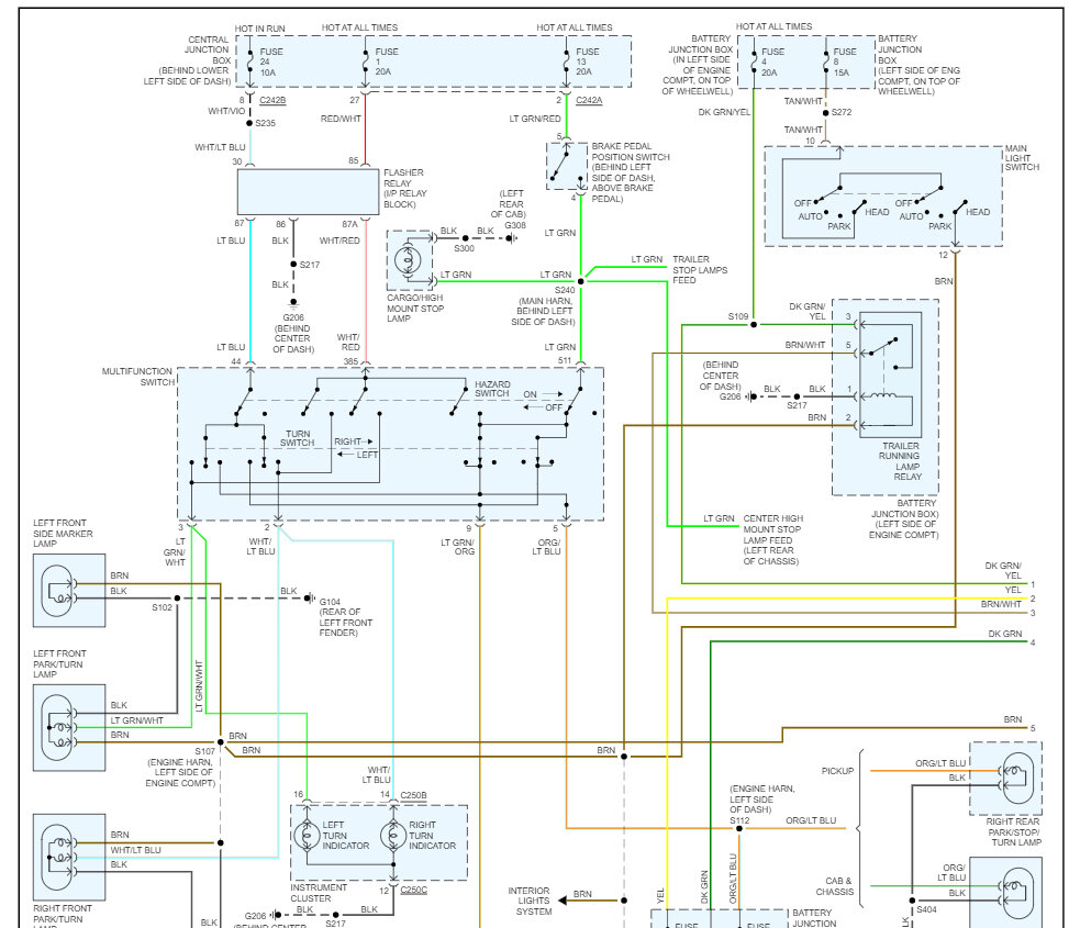
Do you have power at fuse #1 and #24 in the central fuse panel under the left side of the dash, this guide can help us:

https://www.2carpros.com/articles/how-to-check-a-car-fuse

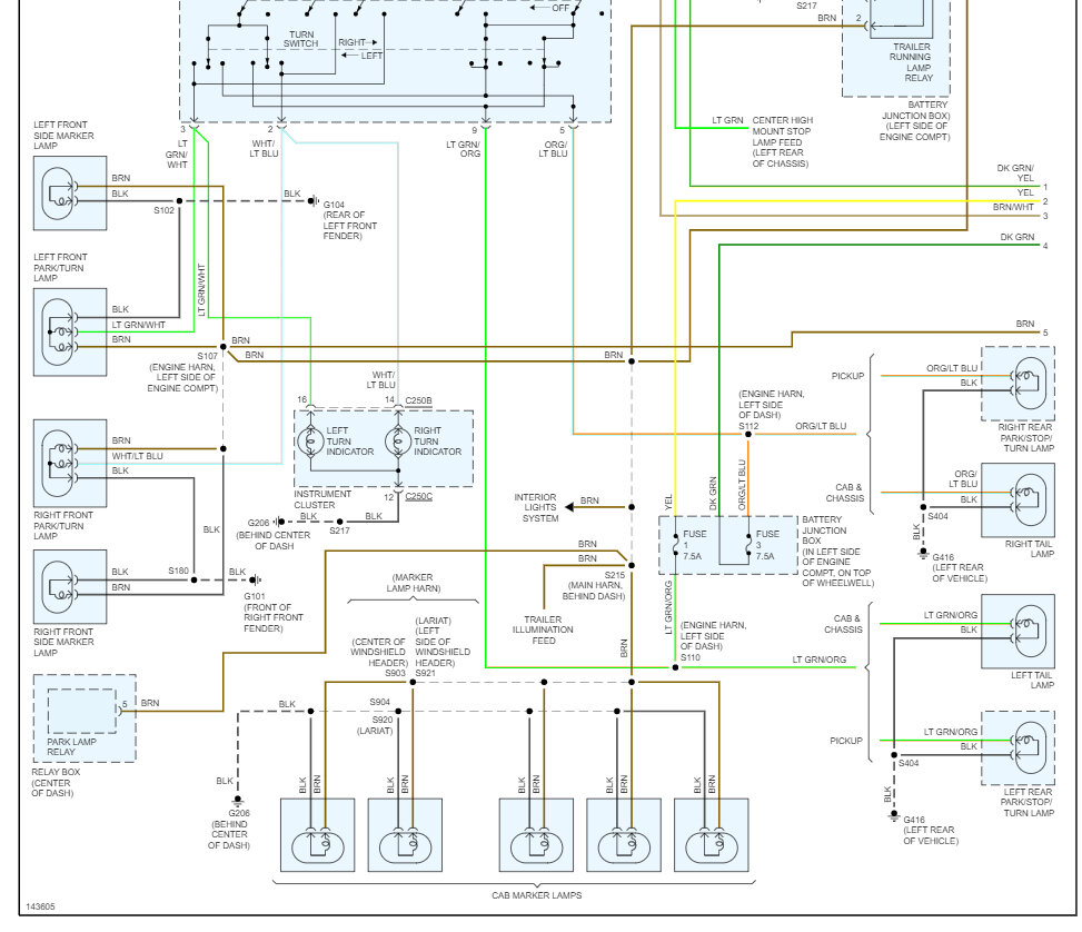
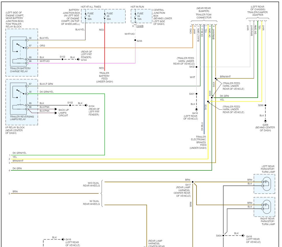
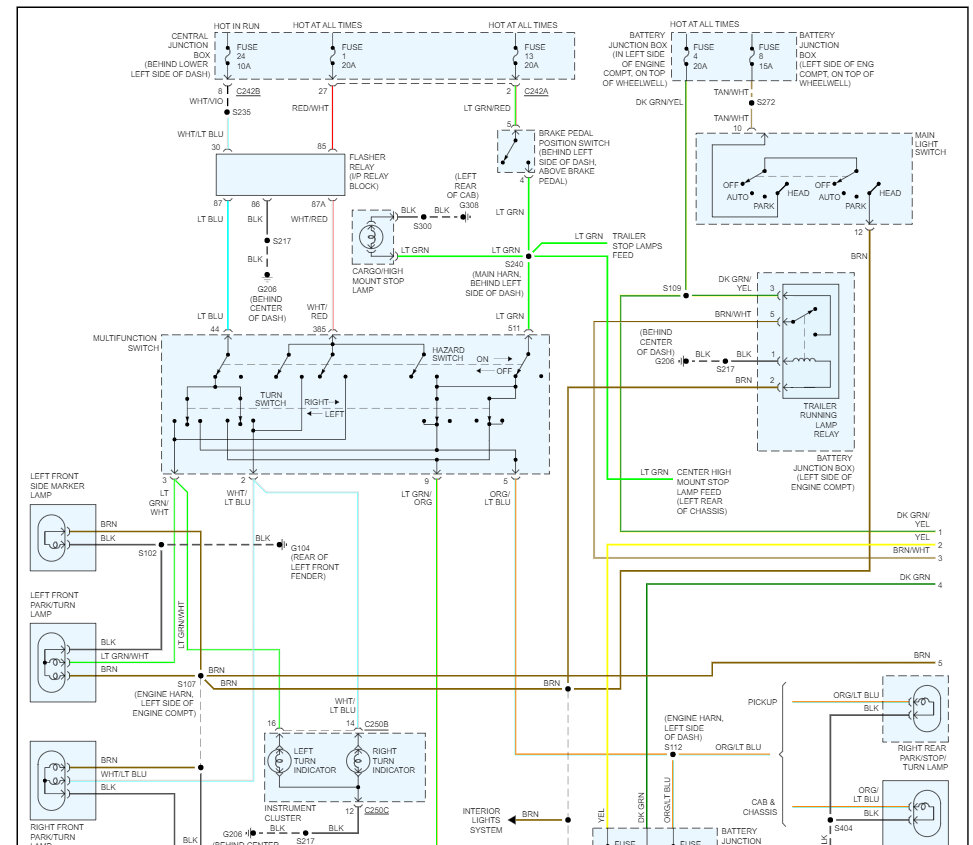
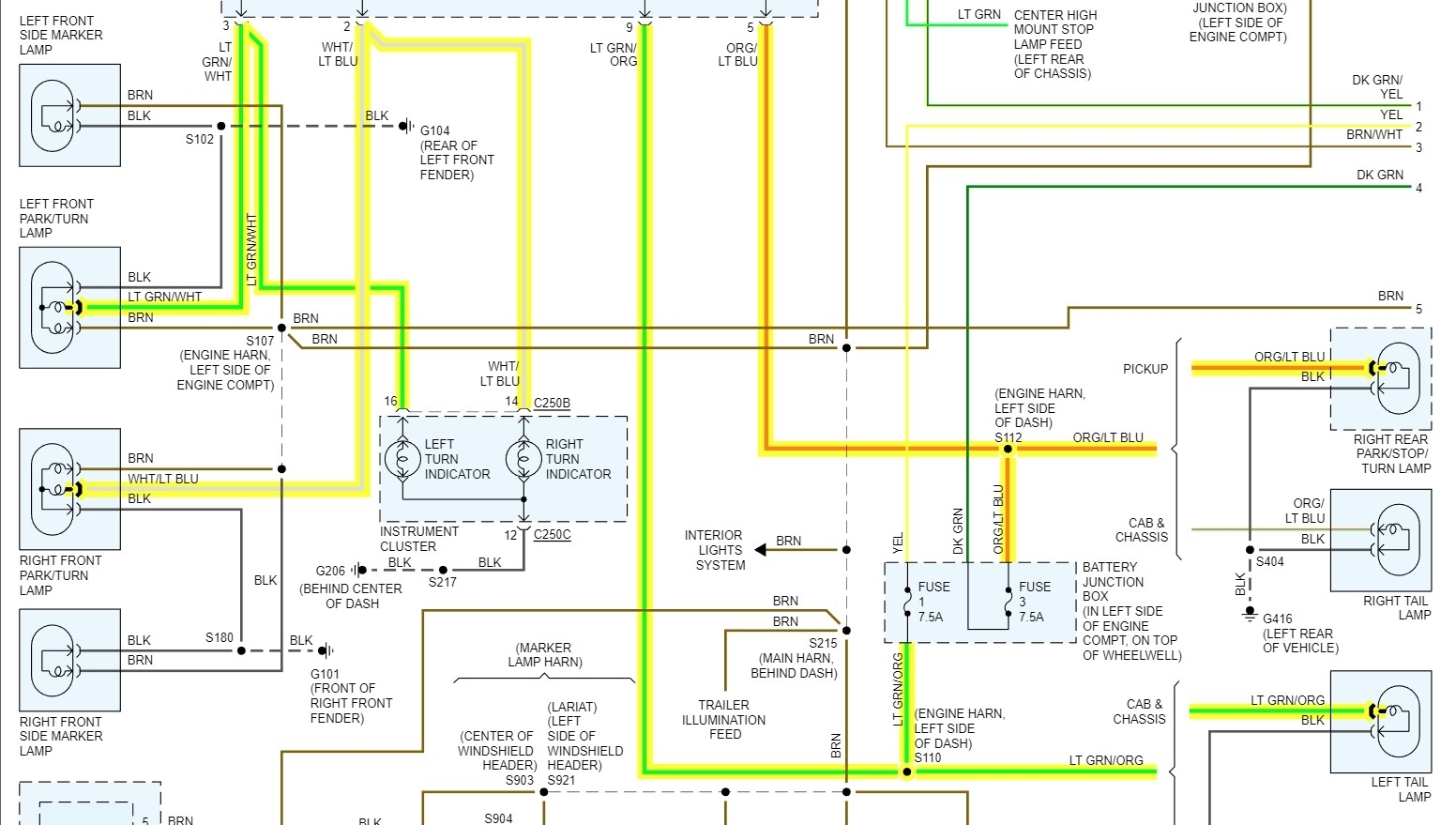
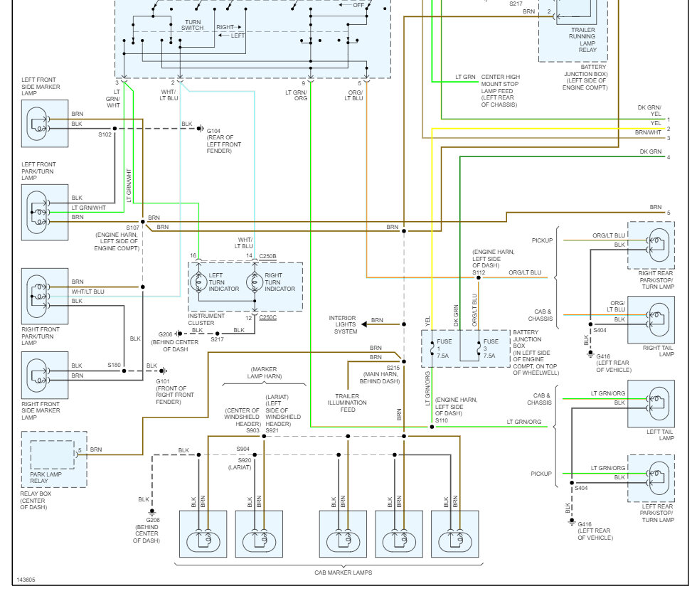
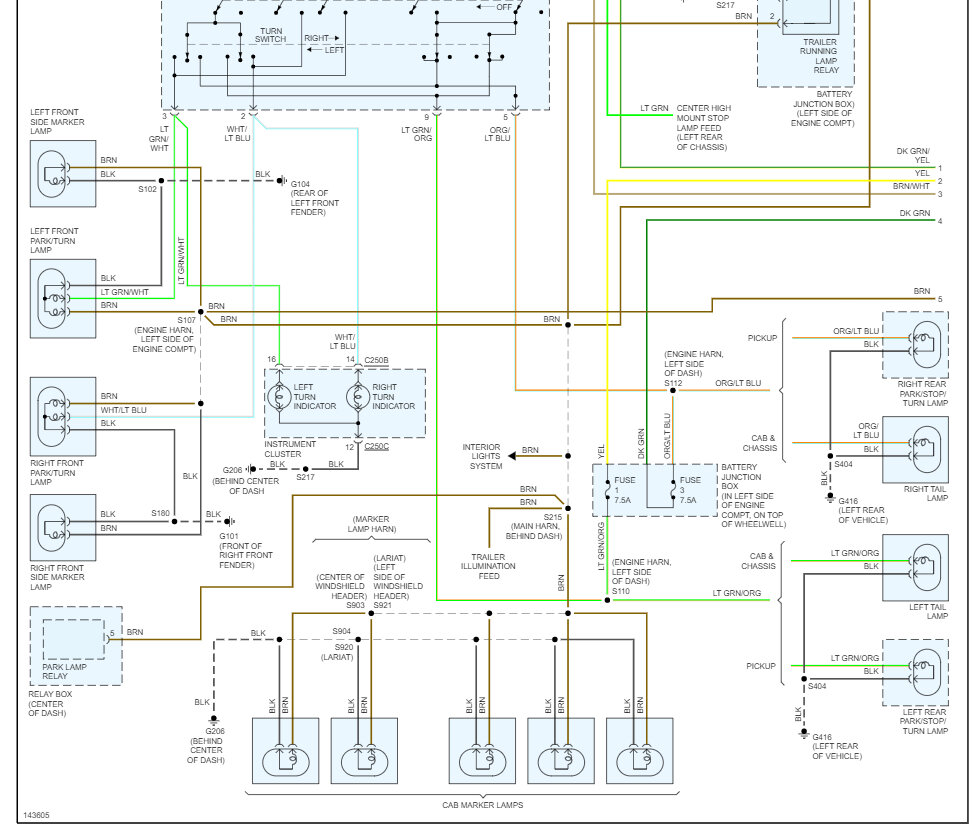
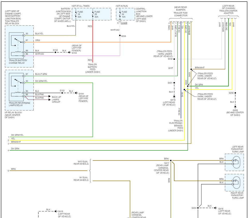
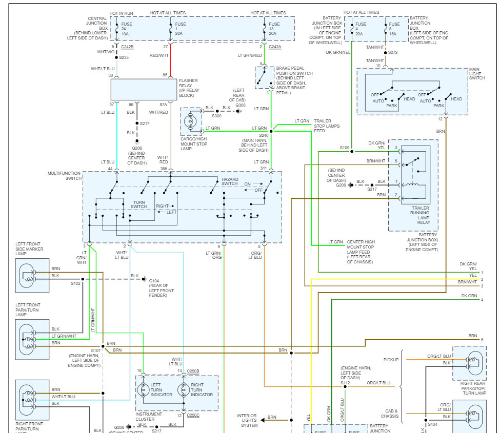
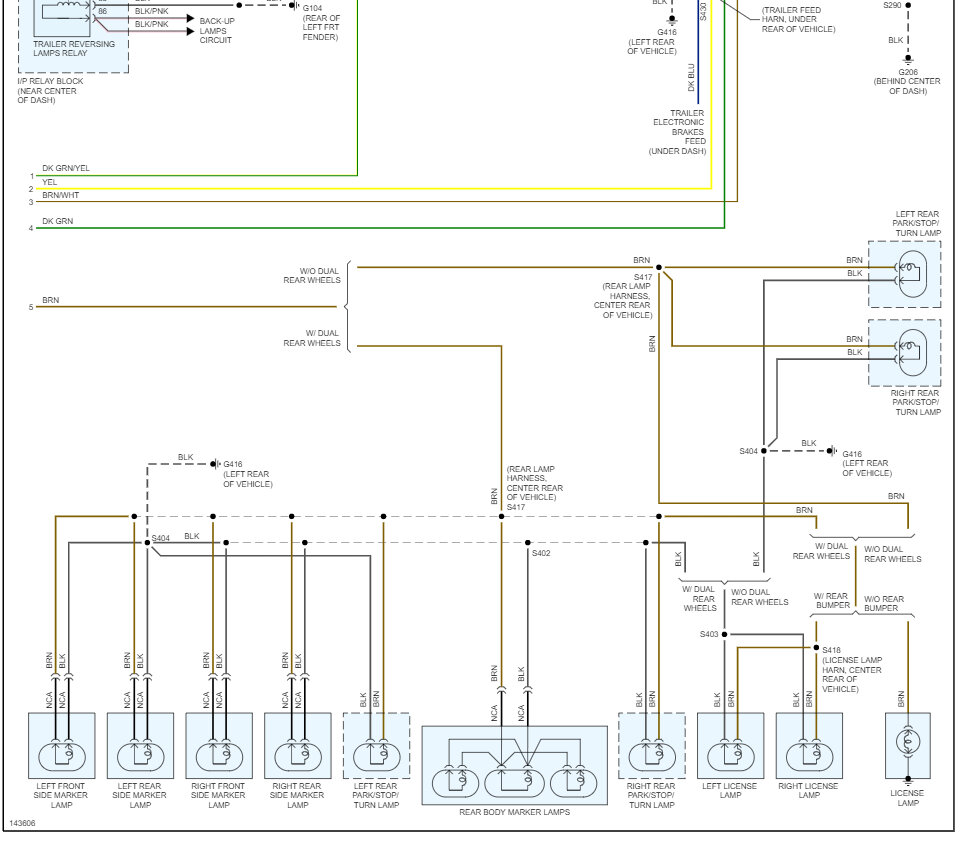
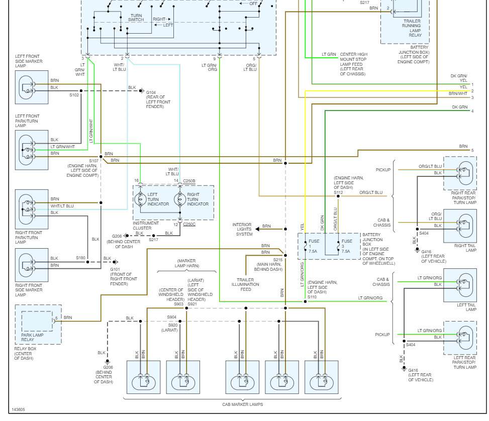
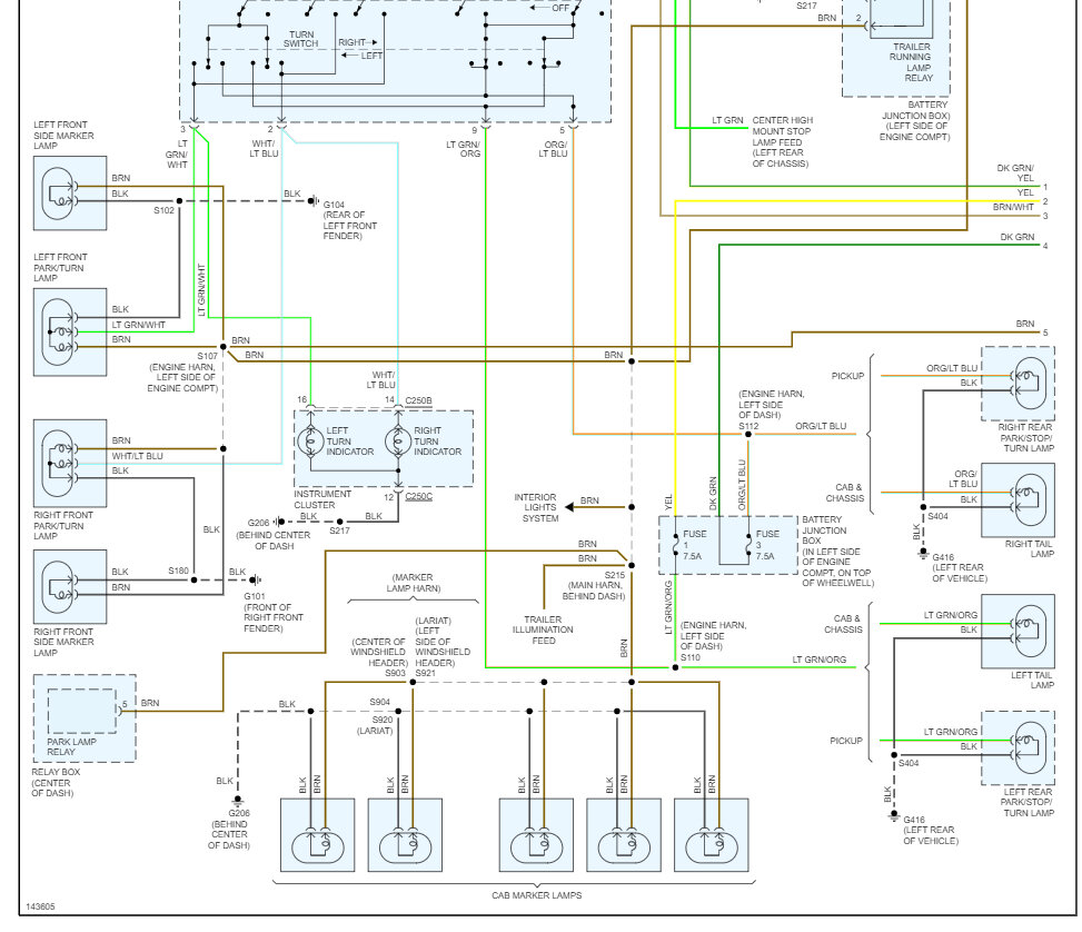
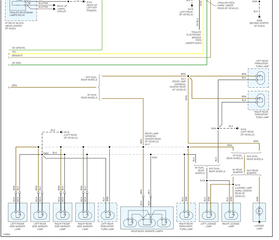
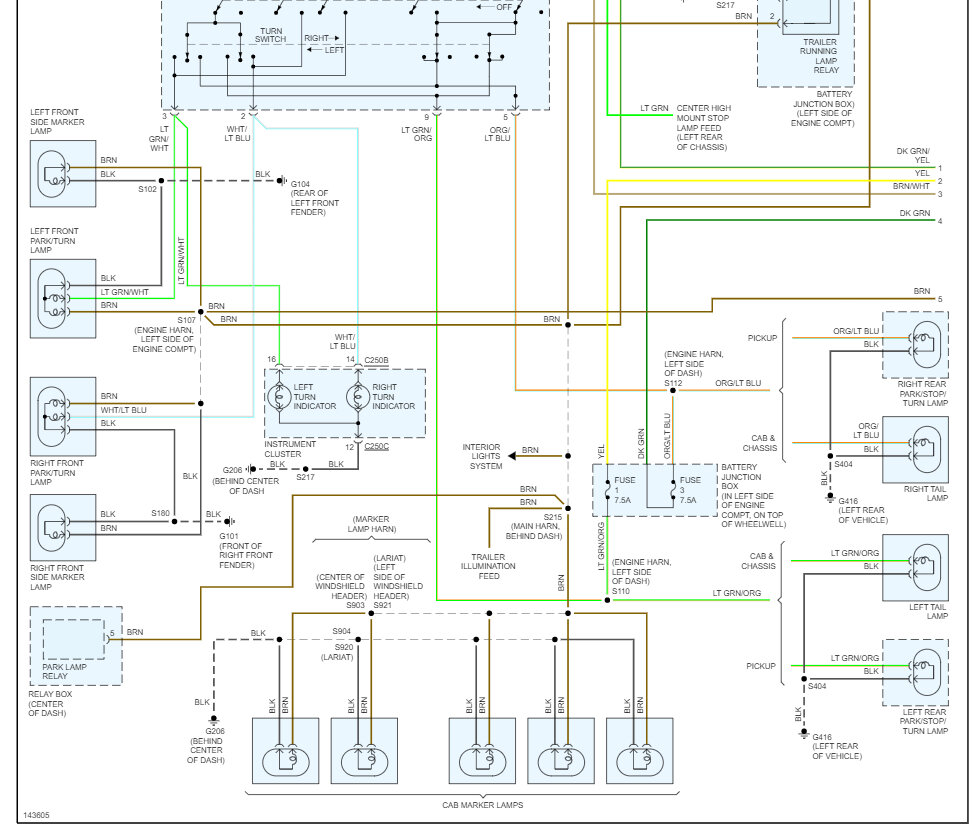
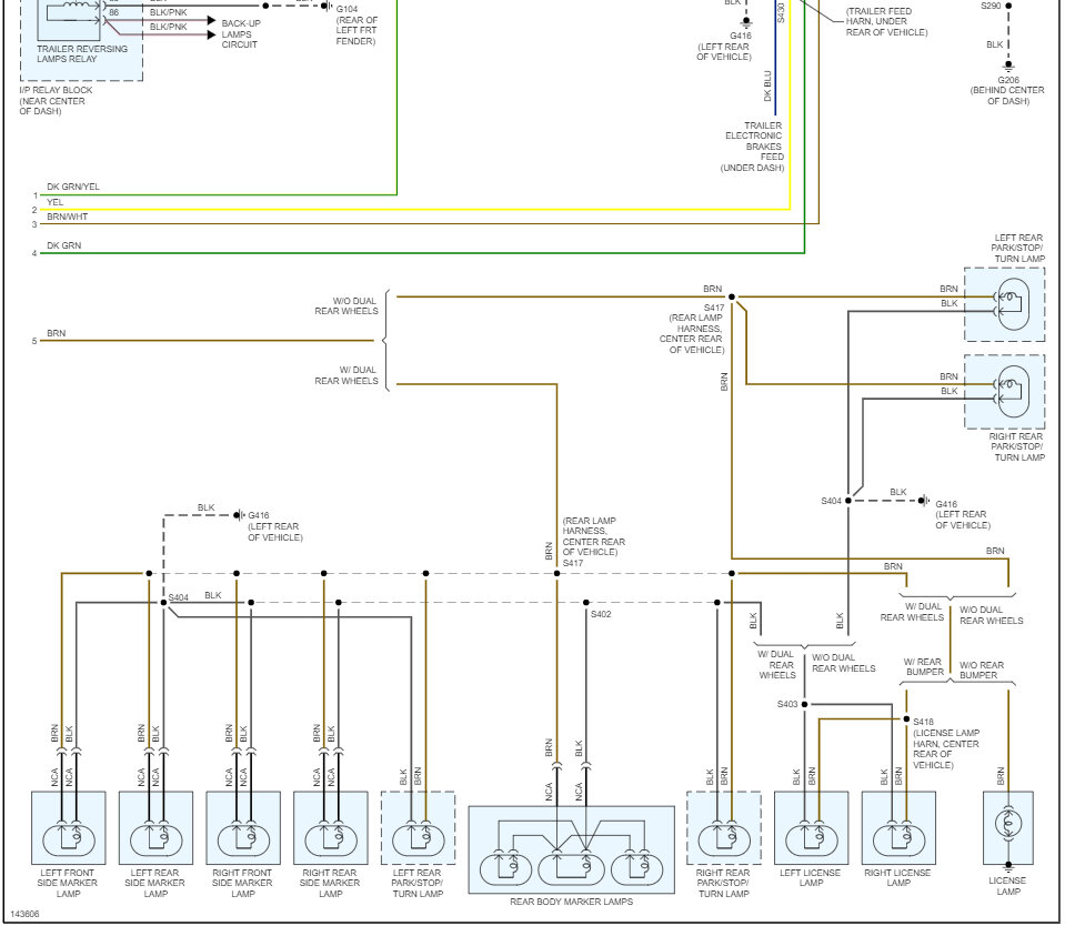
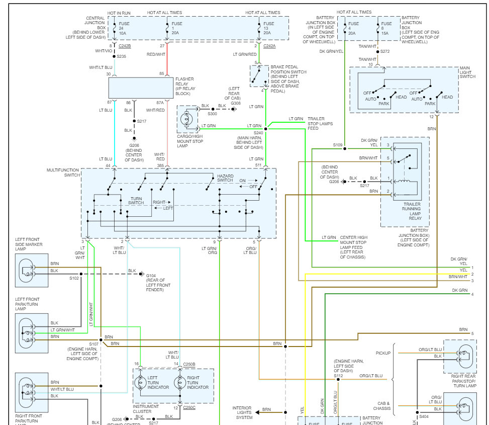
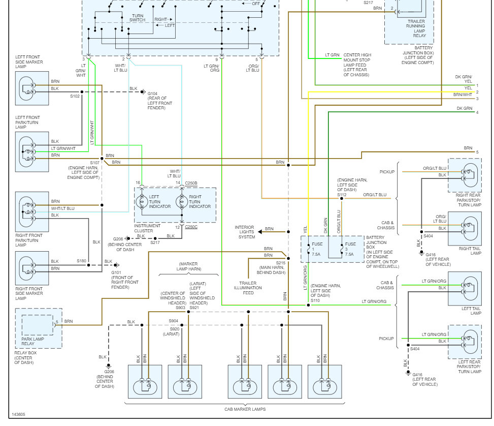
Here is the fuse panel and I have included the blinker wiring diagrams so you can see how the system works. Check out the images (below). Please let us know what happens.

Was this
answer
helpful?
Yes
No
Tuesday, April 4th, 2023 AT 5:48 PM
Tiny
STEVE W.
  • MECHANIC
  • 15,694 POSTS
Okay, there are 2 fuses for the turn signals and hazards. You say the turn signals are not working. Do the hazards work? If not, then the fuses would be the first stop. Fuse 1 powers the hazard lights, Fuse 24 powers the turn signals. The power goes from fuse 24 through the switch and out to the turn signal lights.
If you pull the flasher relay out and use a test light in the socket you should find one power feed from fuse 1 that is on full time at pin 85. Then turn on the key and you should now have power from fuse 24 at terminal 30 If those are both there but still no turn signals then you need to see if the ground at terminal 86 in the relay socket is okay.

https://www.2carpros.com/articles/how-to-use-a-test-light-circuit-tester
Was this
answer
helpful?
Yes
No
Tuesday, April 4th, 2023 AT 6:24 PM

Please login or register to post a reply.