Turn signals and brake lights not working

Tiny
JESSICAJAMES9392
  • MEMBER
  • 1999 CHEVROLET TAHOE
  • 5.7L
  • V8
  • 4WD
  • AUTOMATIC
  • 200,000 MILES
I'm having an issue with tail lights. The tail light works but brake light does not and neither do turn signals. The lights stays lit up for the arrows for turn signals. Third brake light doesn't work either.
Friday, April 16th, 2021 AT 7:27 PM

1 Reply

Tiny
JACOBANDNICKOLAS
  • MECHANIC
  • 110,194 POSTS
Hi,

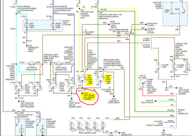
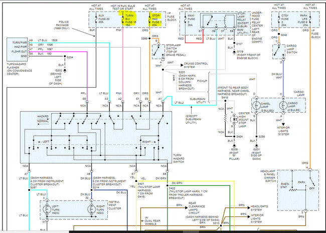
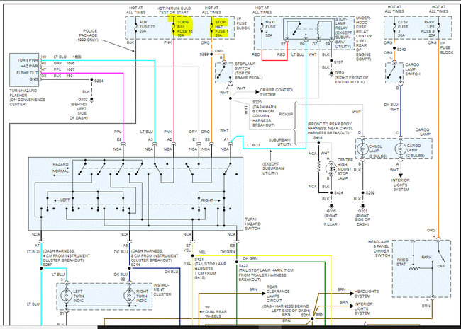
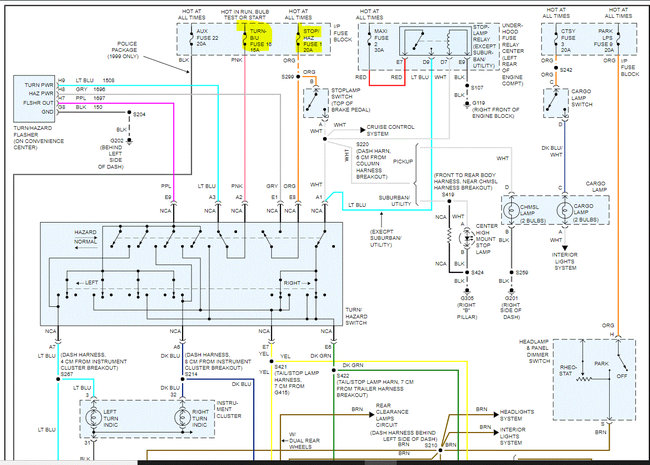
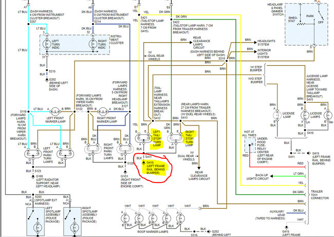
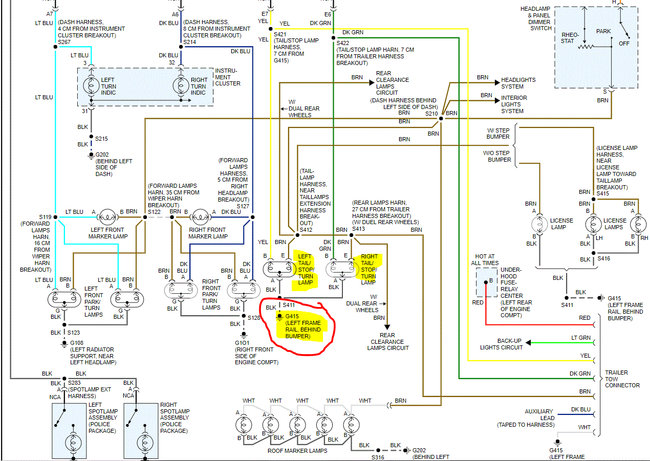
The first things I need you to check are two fuses. If you look at the first two pics below, I included the wiring schematic for the exterior lighting system. In the first pic, I highlighted the fuses. In pic 2, I highlighted the lights and I circled the ground. Both lights are grounded at the same place, so the ground may have failed.

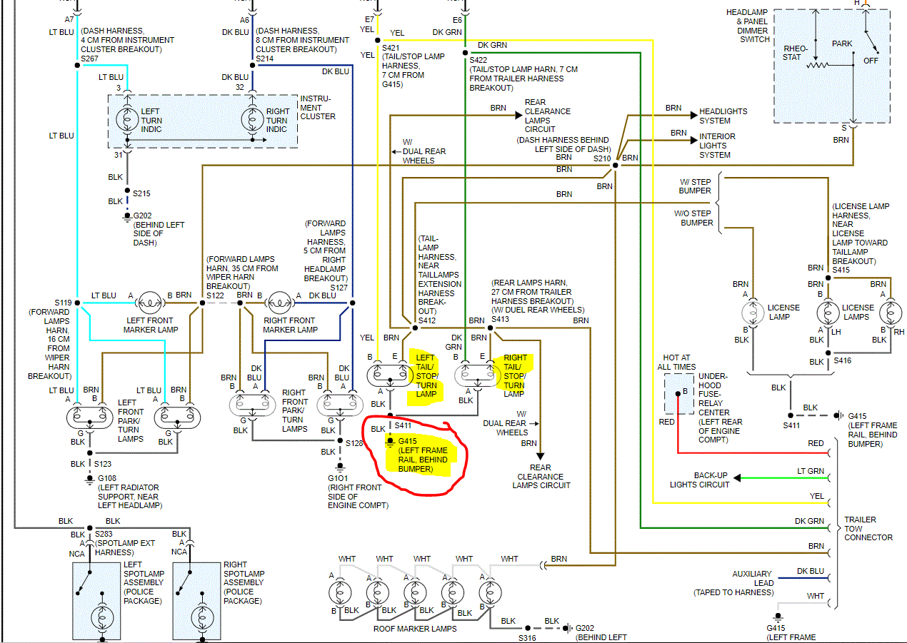
If you look at pic 3, I highlighted the fuses to check. In addition to checking the fuses, confirm there is power to them. Here is a link you may find helpful:

https://www.2carpros.com/articles/how-to-check-a-car-fuse

If the fuses are good and you have power to and from them, go to the taillights and using a test light and a known good ground, confirm there is power. If there is, then check the black wire for continuity to ground.

Here is a link you may find helpful:

https://www.2carpros.com/articles/how-to-check-wiring

Let me know if when you turn the signals on if the front flash really fast or if they do nothing.

Take care,

Joe

See pics below.
Was this
answer
helpful?
Yes
No
Friday, April 16th, 2021 AT 10:26 PM

Please login or register to post a reply.