No turn signals, hazards, or brake lights

Tiny
TKITTER
  • MEMBER
  • 2003 DODGE DAKOTA
  • 3.9L
  • 6 CYL
  • 2WD
  • AUTOMATIC
  • 198,000 MILES
My vehicle doesn't have turn signals, hazards, or brake lights when the key is on, when the key is off the brake lights work but the turn signals and hazards still don't work. I have replaced the BCM/CTM, Multi Switch, and the flasher switch. I removed the trailer wiring harness that was installed, and checked all the fuses under the hood and on the side of the dash. I haven't replaced the brake light switch because the brake lights work when the key is off.
Tuesday, December 17th, 2019 AT 12:34 PM

7 Replies

Tiny
TKITTER
  • MEMBER
  • 6 POSTS
Update: When the hazard button is in a certain position the brake lights will work when the key is on.
Was this
answer
helpful?
Yes
No
Wednesday, December 18th, 2019 AT 6:08 AM
Tiny
KEN L
  • MASTER CERTIFIED MECHANIC
  • 55,335 POSTS
Hello,

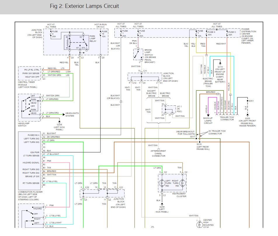
It sounds like the flasher module is out. to be sure here is a guide to help check for power and the blinker running light hazard wiring diagrams so you can see what to check and how the system works. I have the flasher module location as well.

https://www.2carpros.com/articles/how-to-use-a-test-light-circuit-tester

Check out the diagrams (below). Please let us know what you find. We are interested to see what it is.
Was this
answer
helpful?
Yes
No
Thursday, December 19th, 2019 AT 12:49 PM
Tiny
STEVE W.
  • MECHANIC
  • 15,682 POSTS
You say you removed the trailer harness, was that before or after this issue? Did you also remove the T and C fuses? When you say no brake lights what about the high mounted one? Does it work with the key on?
The turn and hazard switches are simply grounds for the combination flasher unit. It is the brains of the lighting system on your truck. However they couldn't leave it alone so the wiring for the lights runs all over the place. If you still have the turn/hazard switch out where you can get to the wires you can do a couple tests to rule out a bad switch and fuses. It will require a simple cheap test light. First connect the light to a good ground. Now with the key off test the following fuses to be sure they have power on both sides, have been bitten by a bad fuse or fuse socket more than once, even when they looked perfect. Test fuse 4 in the dash fuse box. Then fuses 1, 5, and 6 in the power center under the hood. Now turn the key on and test fuse 19 as well as the others again. We are testing if the fuses all have power when they should, fuse 19 is a switched power while the others should be hot all the time.
Next go to either rear tail light and remove it so you can get to the wires. Take a knife and bare a spot on the Black ground wire. Connect a jumper from that wire to a known good ground and try the lights. If they now work there is a ground failure in the circuit which runs up to the front of the truck to a ground near the battery. Dodge are known for ground issues. If it doesn't work we will test the remaining parts to find the problem.

Take the turn hazard switch, unplug it and turn the key on. Be sure the test light has a good ground, In the connector find the Pink wire at terminal 1, touch the test light to it, this will ground the pin that tells it to turn on the 4 way lights. Do they come on? Now find the Light Blue with Yellow stripe on terminal 3 and try it, that should turn on the right turn signal, does it? Now the Light Blue with White for the left side turn.

If none of those work it is pointing more at the combination flasher, but we also need to be sure there isn't a short in the other end of the system. To do that find the combination flasher under the dash above the data connector. Remove the unit and unplug it. Use the test light connected to ground to test for battery voltage in the connector with the key on at the Black wire on terminal A6 and the Black with White wire on terminal A1
If you have power on both take a small jumper wire and go between terminal A1 and terminals A2 Dark Green w Red stripe wire then A3 Light Green wire. When those get power the Left rear brake and turn lamp and then Left front turn lamp should light. Next use that same jumper wire to connect to terminals B3 Tan wire for right front turn and terminal B4 Brown with red wire to activate the right rear turn brake light.
If those all light up without blowing the fuse then I would replace the flasher unit.
Was this
answer
helpful?
Yes
No
+1
Thursday, December 19th, 2019 AT 1:01 PM
Tiny
TKITTER
  • MEMBER
  • 6 POSTS
I removed the trailer harness after I started having the problems (it was all corroded), The high mounted brake light has never worked in my ownership which was fine since I have a topper. All of the fuses were still good, And the relay clicked but nothing happened when I grounded the wires on the hazard switch, also the light on the tester was dimmer than usual while testing these. The A6 terminal had power but the A1 did not. I did not try to jump the other ones yet.
Was this
answer
helpful?
Yes
No
Tuesday, December 31st, 2019 AT 2:57 PM
Tiny
STEVE W.
  • MECHANIC
  • 15,682 POSTS
Okay, if A1 didn't have power that is your problem, it is a direct feed from the fuse box and fuse number 1 and should have power full time. If the test light comes on when you probe both sides of the fuse but you don't have power at A1 then there is an issue with the Black with White or Violet wire from the fuse box to that pin. It could be in connector 200 which is the firewall connector for the main harness. To test and verify it's the issue you can jump that wire to battery positive through a 20 amp fuse. If things now work then that is the problem. It could be right at the fuse connector in the box, the bulkhead connector or in the wire itself.
Was this
answer
helpful?
Yes
No
+1
Tuesday, December 31st, 2019 AT 4:22 PM
Tiny
TKITTER
  • MEMBER
  • 6 POSTS
Thank you, I was able to jump the A1 to A6 so I have blinkers until I find where the issue is.
Was this
answer
helpful?
Yes
No
Saturday, January 4th, 2020 AT 3:54 PM
Tiny
STEVE W.
  • MECHANIC
  • 15,682 POSTS
That should work so you have a chance to dig in the harness. Let us know what you find when you get the chance to find it. Thank you for using 2CarPros.
Was this
answer
helpful?
Yes
No
Saturday, January 4th, 2020 AT 11:06 PM

Please login or register to post a reply.