2001 Dodge Dakota brake lights stay on

Tiny
DOUG_KELLYHOLLIMON
  • MEMBER
  • 2001 DODGE DAKOTA
Electrical problem
2001 Dodge Dakota 6 cyl Two Wheel Drive Manual

i was pulling a trailer and the trailer came unhitched and now the rear brakes lights will not shut off unless I un plug them from the connector piece was just wondering if all the running wire is bad or a fuse? Plz need help bad stuck at brothers house until I can get back to ohio.
Saturday, March 21st, 2009 AT 10:41 AM

10 Replies

Tiny
IMPALASS
  • MECHANIC
  • 3,112 POSTS
Hello -

To better assist you is your model just the Dakota or the R/T. Also, please tell me your engine size in liter and the 8th digit of your VIN.

Do you have Daylight running lights?

So if I understand you....... All was well until the trailer came loose and pulled the electrical connector? Now when you unplug the trailer... Your brake lights work fine..... But plug them in and they stay on?

Are you talking about your truck lights or your trailer lights.........
Was this
answer
helpful?
Yes
No
Saturday, March 21st, 2009 AT 11:40 AM
Tiny
DOUG_KELLYHOLLIMON
  • MEMBER
  • 8 POSTS
The 8th number is x and there is no more trailer lights they tore off when trailer came unhooked. When I stopped I looked under neath truck some wires were exposed. They were really red and hot like the ground touched the power wire and burnt it up. But when I turned my lights on I only had front lights and no back lights on truck unitl I reattached the back lights to the connector. Then when I turned my truck off the rear taillights still were on and would not turn off so I had to disconnect from the connector everytime I stopped to get gas food etc. Then when started back down road would have to reconnect so people could see me from behind I still do not have turn signals or reverse lights was wondering if the connector is bad and is getting a constant source or a relay is stuck or would have to re wire all brake lights to rear of truck.
Was this
answer
helpful?
Yes
No
Saturday, March 21st, 2009 AT 1:35 PM
Tiny
IMPALASS
  • MECHANIC
  • 3,112 POSTS
Hello -

Do your brake lights work at all or do they stay on?

The high mounted brake light, does it work?

You definitely have a constant feed....... Which is why they are staying on....... Did you connect to the right spot?

I can send you a wiring diagram but so you can see it - it will have to be blown up then you will have to print and tape together....... Do you want that?

Check Fuse C-20amp, Fuse 6 - 30amp and fuse T - 10amp in the power distribution center.

Wiring like this is hard to fix over the internet.......

You are going to have to start at the end, make sure the wires are in the correct spot, then work your way forward looking at each wire to see if it is pulled, bare etc as far forward as possible.

You will have to see what grounds have been pulled off too.
Was this
answer
helpful?
Yes
No
Saturday, March 21st, 2009 AT 4:14 PM
Tiny
DOUG_KELLYHOLLIMON
  • MEMBER
  • 8 POSTS
YES THE BREAK LIGHT AND REAR LIGHT ON CAB DO NOT WORK ONLY IF I PLUG IN BUT THEY DO NOT HAVE TURN SIGNLE ONLY CONSTANT LIGHT. A DIAGRAM WOULD BE NICE AND ANY OTHER SUGGESTIONS. WHAT IF THE LINE FROM BRAKE LIGHT NEEDS TO BE REPLACED TRY IT FIRST OR JUST START FROM BACK AND WORK FORWARD TO FUSE PANEL CAUSE ALL FUSES ARE NOT BLOWN BUT CAN NOT CHECK RELAYS DO NOT KNOW WHERE THEY ARE LOCATED. AND YOU WERE TALKING ABOUT THE PANEL UNDER HOOD OR INSIDE TRUCK?
Was this
answer
helpful?
Yes
No
Saturday, March 21st, 2009 AT 4:45 PM
Tiny
IMPALASS
  • MECHANIC
  • 3,112 POSTS
Hello -

Sorry so long to get back with you. I had some technical difficulties.

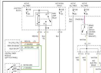
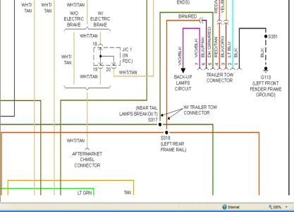
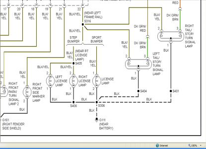
I have attached the wiring diagram for you. So you can see it you are going to have to print and then piece together.

I feel the fuses and relays are okay only because once you plug in things work. . ..

I think your problem is at the plug. Wires may have been stretched and are touching.

You need to start there

The power distribution center is in the engine bay. . .. . ..


https://www.2carpros.com/forum/automotive_pictures/248015_1_171.jpg




https://www.2carpros.com/forum/automotive_pictures/248015_2_114.jpg




https://www.2carpros.com/forum/automotive_pictures/248015_3_79.jpg




https://www.2carpros.com/forum/automotive_pictures/248015_4_53.jpg




https://www.2carpros.com/forum/automotive_pictures/248015_5_35.jpg




https://www.2carpros.com/forum/automotive_pictures/248015_6_18.jpg




https://www.2carpros.com/forum/automotive_pictures/248015_7_3.jpg




https://www.2carpros.com/forum/automotive_pictures/248015_8_12.jpg


Was this
answer
helpful?
Yes
No
Monday, March 23rd, 2009 AT 10:36 PM
Tiny
DOUG_KELLYHOLLIMON
  • MEMBER
  • 8 POSTS
Well when I unhooked one of the blown bulbs on the license plate it was so fried I could almost not pull bulb out do you think it could be that bulb connector?
Was this
answer
helpful?
Yes
No
Monday, March 23rd, 2009 AT 11:03 PM
Tiny
IMPALASS
  • MECHANIC
  • 3,112 POSTS
Hello -

Good point. I have had bulbs weld themselves into the sockets and create a short and burn wiring all the way to the wiring harness to the firewall.

Remove each bulb back there and inspect for burn, corrosion etc. Remember where each bulb went and after they ALL are removed, even the small side marker lights if your model has them, reconnect the connector.

Plug one bulb in at a time and test the system to see if it works correctly. If you come across a bulb and it doesn't, remove it again and go to the next. Keep going until you have tested/inspected all the bulbs.

Great find.......
Was this
answer
helpful?
Yes
No
Tuesday, March 24th, 2009 AT 5:56 AM
Tiny
DOUG_KELLYHOLLIMON
  • MEMBER
  • 8 POSTS
So should I cut that bulb connector off and replace and see if that is where the wiring is getting its constant source from?
Was this
answer
helpful?
Yes
No
Tuesday, March 24th, 2009 AT 6:42 AM
Tiny
IMPALASS
  • MECHANIC
  • 3,112 POSTS
Hello -

I wouldn't do any cutting yet UNLESS..... Without a doubt it is bad. I would check them all first..... Again, if that is obvious then by all means... Replace..... Then check the rest.
Was this
answer
helpful?
Yes
No
Tuesday, March 24th, 2009 AT 2:55 PM
Tiny
IMPALASS
  • MECHANIC
  • 3,112 POSTS
Hello -

By the way, it looks like you may have some recalls on your vehicle. The dealer may fix these for free. Please contact the dealer service department, give them the VIN number of your car and have them check on these to see if they apply to you.


https://www.2carpros.com/forum/automotive_pictures/248015_Recalls_18.jpg


Was this
answer
helpful?
Yes
No
Tuesday, March 24th, 2009 AT 9:44 PM

Please login or register to post a reply.