No start Relay for fuel pump?

Tiny
ANTOP601
  • MEMBER
  • 2006 TOYOTA COROLLA
  • 1.8L
  • 4 CYL
  • 2WD
  • AUTOMATIC
  • 135,986 MILES
Relay for fuel pump?
Thursday, May 23rd, 2019 AT 2:02 PM

14 Replies

Tiny
JACOBANDNICKOLAS
  • MECHANIC
  • 110,194 POSTS
Welcome to 2CarPros.

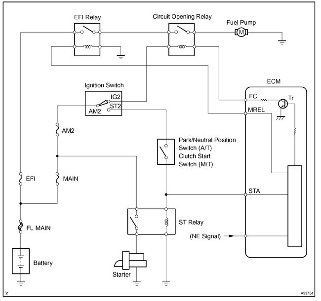
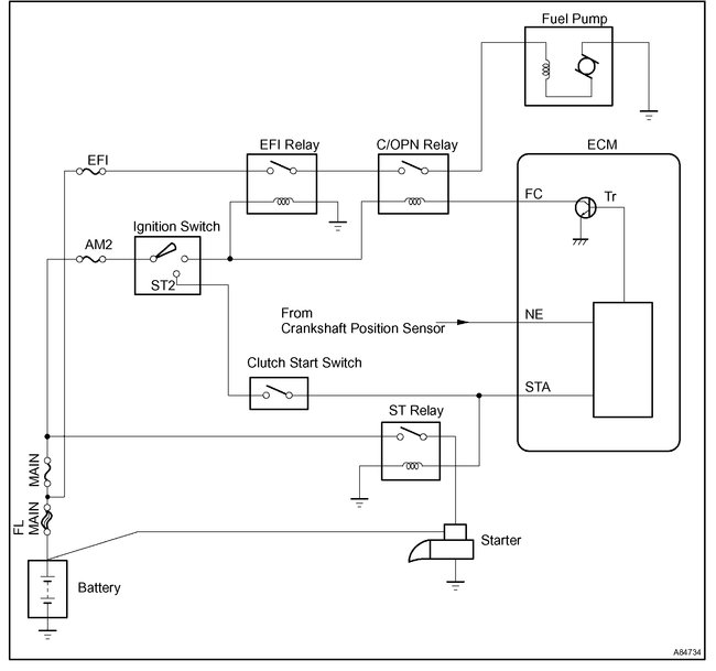
I believe you need the fuel pump relay location. This vehicle doesn't have a traditional fuel pump relay. In its place is a circuit opening relay which allows power to reach the fuel pump. I attached a schematic of the fuel pump control circuit for you to review.

Let me know if this is what you were looking for.

Take care,
Joe
Was this
answer
helpful?
Yes
No
Friday, May 21st, 2021 AT 5:55 PM
Tiny
ANTOP601
  • MEMBER
  • 8 POSTS
Hey Joe, I need the location where to find the circuit open relay can't find it on car.
Was this
answer
helpful?
Yes
No
Friday, May 21st, 2021 AT 5:55 PM
Tiny
JACOBANDNICKOLAS
  • MECHANIC
  • 110,194 POSTS
Welcome back:

According to the manual, it should be in the same box as the EFI relay which is on left side of the engine compartment.

Let me know.

Joe
Was this
answer
helpful?
Yes
No
Friday, May 21st, 2021 AT 5:55 PM
Tiny
ANTOP601
  • MEMBER
  • 8 POSTS
It's not there. I found it under the dash on driver side changed circuit open relay and EFI relay in fuse box under hood. Still no power to fuel pump.
Was this
answer
helpful?
Yes
No
Friday, May 21st, 2021 AT 5:55 PM
Tiny
JACOBANDNICKOLAS
  • MECHANIC
  • 110,194 POSTS
Is there power to the relay?
Was this
answer
helpful?
Yes
No
Friday, May 21st, 2021 AT 5:55 PM
Tiny
ANTOP601
  • MEMBER
  • 8 POSTS
The relays both click.
Was this
answer
helpful?
Yes
No
Friday, May 21st, 2021 AT 5:55 PM
Tiny
ANTOP601
  • MEMBER
  • 8 POSTS
Click with key on.
Was this
answer
helpful?
Yes
No
Friday, May 21st, 2021 AT 5:55 PM
Tiny
JACOBANDNICKOLAS
  • MECHANIC
  • 110,194 POSTS
Welcome back:

Then it seems they are getting power. The next step would be to check for power at the pump to see if it is bad.
Was this
answer
helpful?
Yes
No
Friday, May 21st, 2021 AT 5:55 PM
Tiny
ANTOP601
  • MEMBER
  • 8 POSTS
Yellow wire on pump plug only wire with fire key on or key off.
Was this
answer
helpful?
Yes
No
Friday, May 21st, 2021 AT 5:55 PM
Tiny
JACOBANDNICKOLAS
  • MECHANIC
  • 110,194 POSTS
If you have power to the pump, it should be running. Either you have a bad pump or a bad ground. Have you checked ground?

Let me know.

Joe
Was this
answer
helpful?
Yes
No
Friday, May 21st, 2021 AT 5:55 PM
Tiny
ANTOP601
  • MEMBER
  • 8 POSTS
The yellow wire on the pump plug is the only one that has power the other three do not.
Was this
answer
helpful?
Yes
No
Friday, May 21st, 2021 AT 5:56 PM
Tiny
JACOBANDNICKOLAS
  • MECHANIC
  • 110,194 POSTS
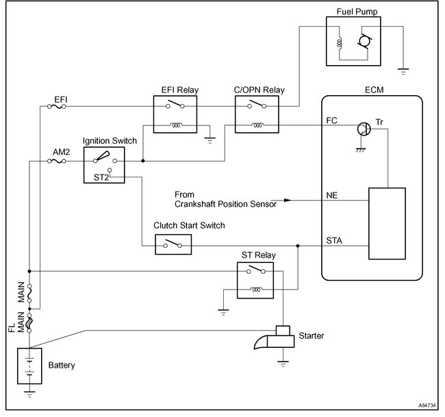
Okay. Lets start with a description of how the system works and then go backwards. When the engine is cranked, current flows from terminal ST2 of the ignition switch into the ST (starter) relay coil and current also flows into terminal STA of the ECM (STA signal).
When the STA and NE signals are received by the ECM, Tr (power transistor) is switched on, allowing current to flow into the circuit opening relay coil. The circuit opening relay switches on, power is supplied to the fuel pump and the fuel pump operates.

First, check and confirm there is a ground, and also let me know the colors of the other wires in the harness. When I look at OEM schematics, they are very difficult to follow. If you look at the one I sent, it doesn't even indicate a yellow wire.

I also need to know this. You get power to the yellow wire when the key is turned on. Does it only power for a short time? Also, are you sure the pump is good?
Was this
answer
helpful?
Yes
No
Friday, May 21st, 2021 AT 5:56 PM
Tiny
ANTOP601
  • MEMBER
  • 8 POSTS
Yellow wire has power key on or off the other wires are black red tracer white/black yellow and black on the fuel pump plug.
Was this
answer
helpful?
Yes
No
Friday, May 21st, 2021 AT 5:56 PM
Tiny
JACOBANDNICKOLAS
  • MECHANIC
  • 110,194 POSTS
Welcome back:

What I am going to attach is the entire fuel pump control diagnostic flow charts. It is everything that can be a cause. Take a look through them and let me know if any of this helps.

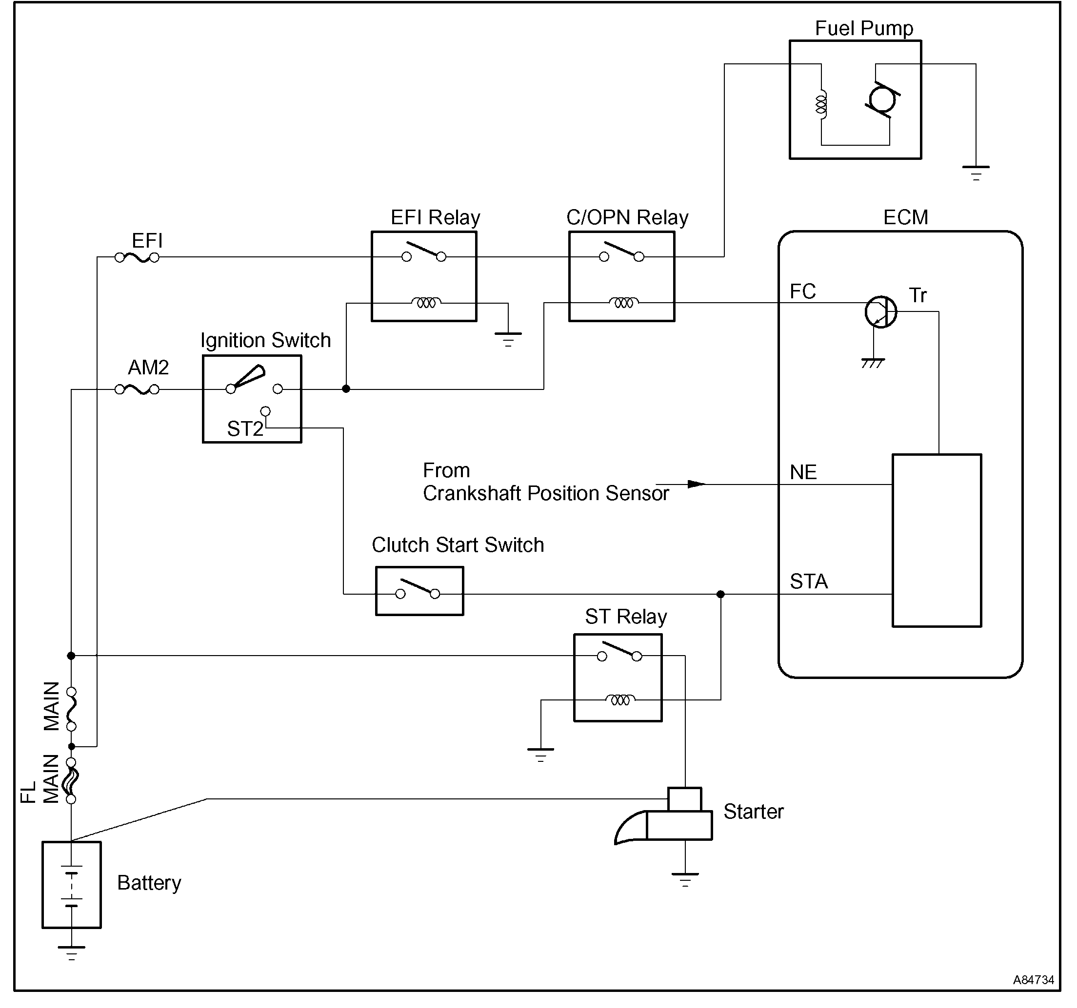
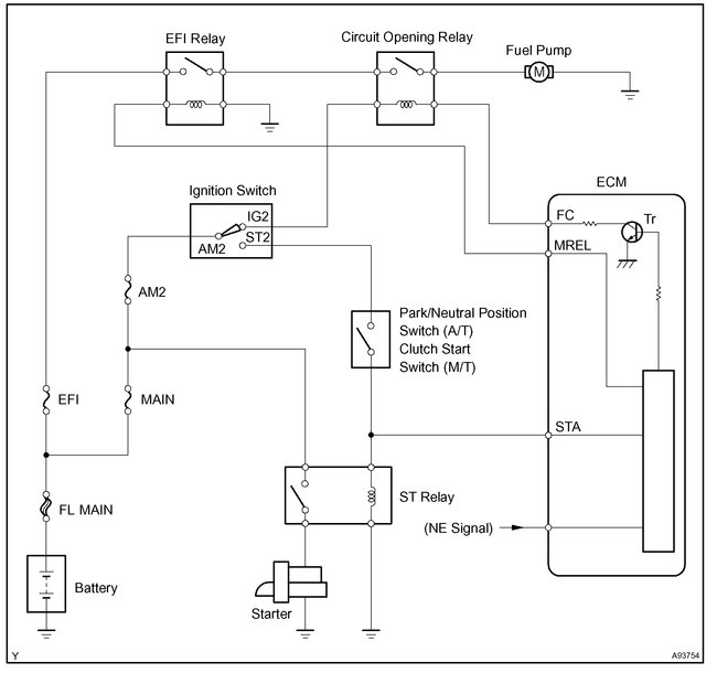
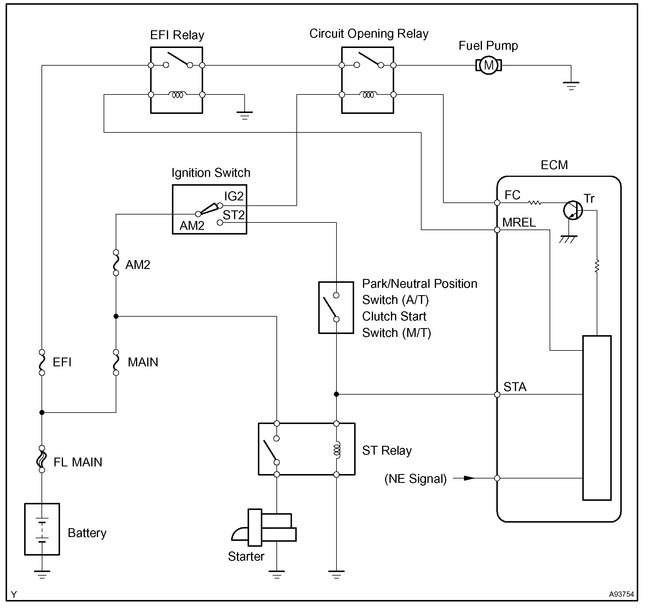
FUEL PUMP CONTROL CIRCUIT
FUEL PUMP CONTROL CIRCUIT

CIRCUIT DESCRIPTION

pic 1

When the engine is cranked, a current flows from terminal ST2 of the ignition switch into the ST (starter) relay coil and a current also flows into terminal STA of the ECM (STA signal).

When the STA and NE signals are received by the ECM, Tr (power transistor) is switched on, allowing a current to flow into the circuit opening relay coil. The circuit opening relay switches on, power is supplied to the fuel pump and the fuel pump operates.

While the NE signal is being generated (engine running), the ECM keeps Tr ON, therefore keeping the circuit opening relay ON, so that fuel pump continues to operate.

Wiring Diagram
pic 2

INSPECTION PROCEDURE

Step 1-2
pic 3

Step 3-4
pic 4

Step 5-6
pic 5

Step 7
pic 6

Hand-held tester

Step 1-3
pic 7

Step 4-6
pic 8

Step 7
pic 9

___________________

Let me know if anything there helps.

Joe
Was this
answer
helpful?
Yes
No
Friday, May 21st, 2021 AT 5:56 PM

Please login or register to post a reply.