No crank no start issue?

Tiny
DOKKEN3605
  • MEMBER
  • 2004 FORD RANGER
  • 4.0L
  • 6 CYL
  • 4WD
  • AUTOMATIC
  • 100,000 MILES
Dash lights come on and all electrical works but when turn the key engine will not even try to turn over. I replaced the battery put on new starter and was trying to find starter solenoid to see if it can start by screwdriver across terminals not sure where it's at. Have even tried starting in all gears and neutral in case the switch is bad. It ran great the last time I drove it and turned it off like normal but nothing next day.
Sunday, August 27th, 2023 AT 9:47 AM

8 Replies

Tiny
JACOBANDNICKOLAS
  • MECHANIC
  • 110,192 POSTS
Hi,

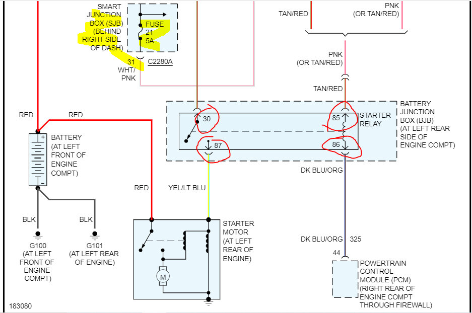
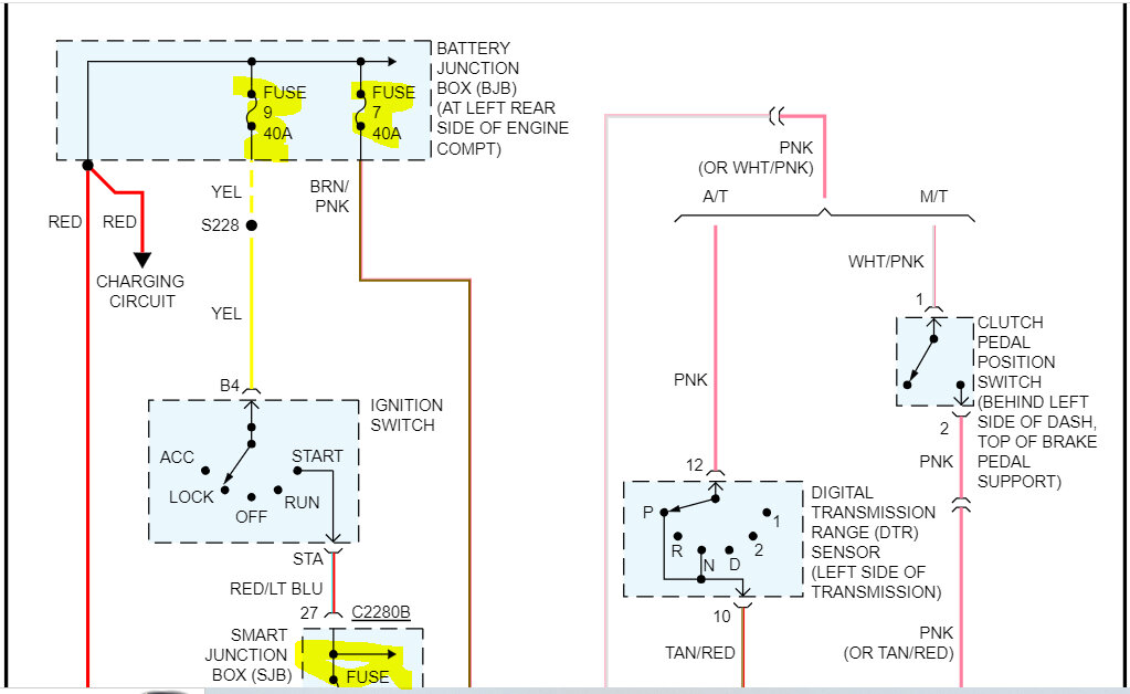
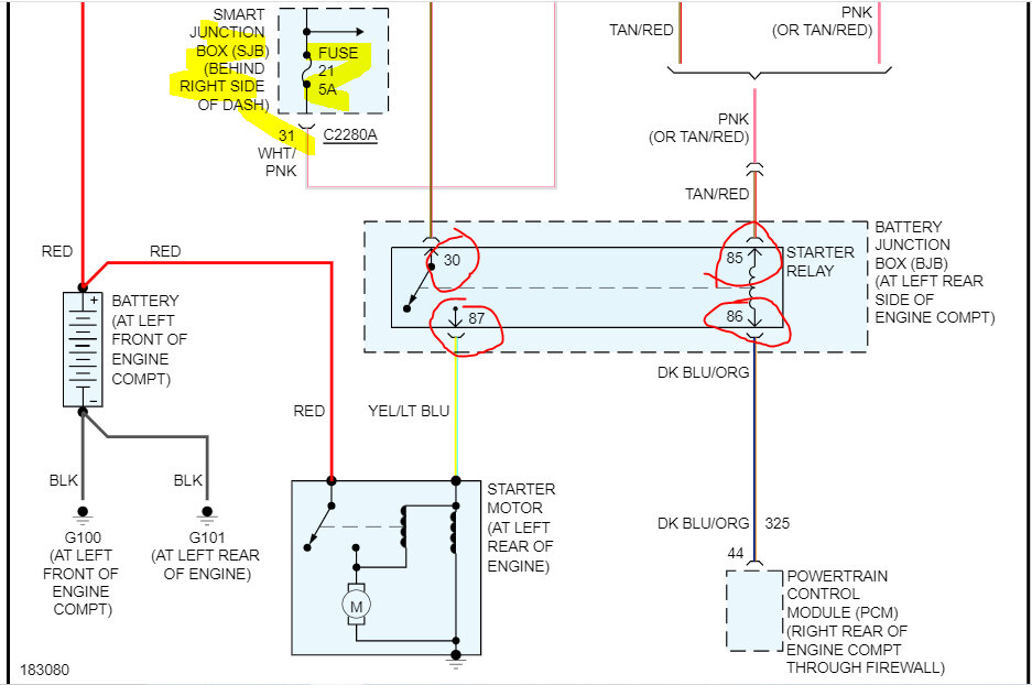
First, I attached the starter circuit wiring schematic below, so you have a reference. Note that the pic was one page long. I had to cut it in two, so it was readable for you. I did overlap the two.

Now, there are three fuses that you need to check. Fuses 9 and 7 in the battery junction box under the hood, and fuse 21 in the smart junction box (right side under dash). In addition, we need to confirm they are getting power. Note the following.

1) Fuses 7 and 9 under the hood should have 12v at all times.

2) Fuse 21 will only have power when the ignition key is in the start position.

Confirm the fuses are good and have power.

Here is a link you may find helpful:

https://www.2carpros.com/articles/how-to-check-a-car-fuse

If they are all good and have power, we need to move to the starter relay. It doesn't have one on the inner fender that you can jump with a screwdriver. Instead, it is located in the battery junction box.

Remove the relay and inspect it. There will be 4 pins that connect in the box. On the side of the relay, each pin will have a number, 85, 86, 87, and 30. Pin 30 will have power at all times. Pin 85 will show power only when the key is in the start position. Pin 87 is power out from the relay to the starter, and pin 86 is a ground path to the powertrain control module (PCM). When the key is turned to start, power goes through 85 when the PCM provides a ground at pin 86. When that happens, the relay's internal primary circuit becomes an electromagnet drawing a switch closed connecting pins 30 and 87. Once they close, power goes to the starter trigger post. (I hope that made sense).

If the fuses are good, we need to check the pins I mentioned at the relay to confirm they are good and doing what they should.

Here is a link you may find of interest. It explains how the relay circuit and relay work.

https://www.2carpros.com/articles/how-to-check-an-electrical-relay-and-wiring-control-circuit

Let me know if this helps, what you find, or if you have questions.

Take care,

Joe

See pics below. The last 4 pics are to help locate the fuses and relay. (BJB stands for battery junction box).

Was this
answer
helpful?
Yes
No
Sunday, August 27th, 2023 AT 6:48 PM
Tiny
DOKKEN3605
  • MEMBER
  • 1 POST
Okay, thanks. I will look at when I get home today, so there's no real way to jump start with screwdriver?
Was this
answer
helpful?
Yes
No
Monday, August 28th, 2023 AT 8:04 AM
Tiny
JACOBANDNICKOLAS
  • MECHANIC
  • 110,192 POSTS
Hi,

You can jump the relay by placing a jumper wire between pins 30 and 87. Once the engine starts, remove the jumper, or the starter will continue to turn.

Let me know if that helps.

Joe
Was this
answer
helpful?
Yes
No
Monday, August 28th, 2023 AT 6:27 PM
Tiny
DOKKEN3605
  • MEMBER
  • 1 POST
Thanks, daughter got in it yesterday put in neutral so we could push it onto trailer she turned key it started up and we had done same thing numerous times. Got it on trailer put in park turned truck off tried to start in park it started right up got to shop it started again so drove it off trailer have no idea now unless maybe was neutral switch.
Thanks for all your help, will let you know if they find anything.
Perry
Was this
answer
helpful?
Yes
No
Tuesday, August 29th, 2023 AT 9:46 AM
Tiny
JACOBANDNICKOLAS
  • MECHANIC
  • 110,192 POSTS
Hi,

It could be something as simple as the shift linkage needing to be adjusted or the transmission range sensor being out of adjustment. Certainly, it sounds like it is the sensor.

The transmission range sensor is nothing but a glorified neutral safety switch, but it does have other jobs. If you want, check it for adjustment. I attached the directions below. Note that the directions are for replacing the TR sensor, however, there are directions for adjustment as well. Additionally, at the very end, it indicates to check the shift cable adjustment. I included that as well.

Let me know if that helps or if you have questions.

Take care,

joe

See pics below.
Was this
answer
helpful?
Yes
No
Tuesday, August 29th, 2023 AT 6:17 PM
Tiny
DOKKEN3605
  • MEMBER
  • 1 POST
Thanks, the shop checked and found safety neutral switch was bad.
Was this
answer
helpful?
Yes
No
Wednesday, August 30th, 2023 AT 9:06 AM
Tiny
KEN L
  • MASTER CERTIFIED MECHANIC
  • 55,281 POSTS
JACOBANDNICKOLAS is one of our best! Thanks for letting us know, we are here to help, please use 2CarPros anytime.
Was this
answer
helpful?
Yes
No
Wednesday, August 30th, 2023 AT 9:06 AM

Please login or register to post a reply.