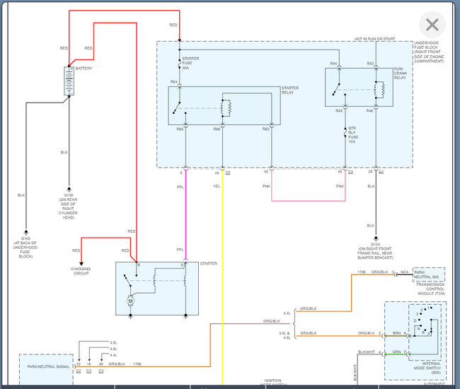
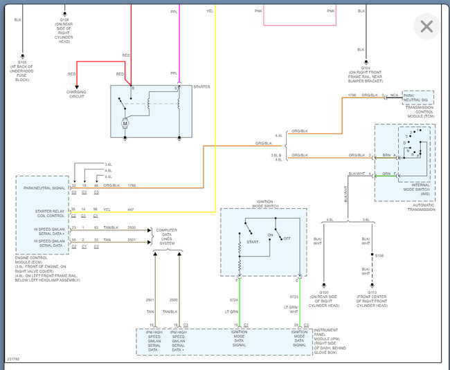
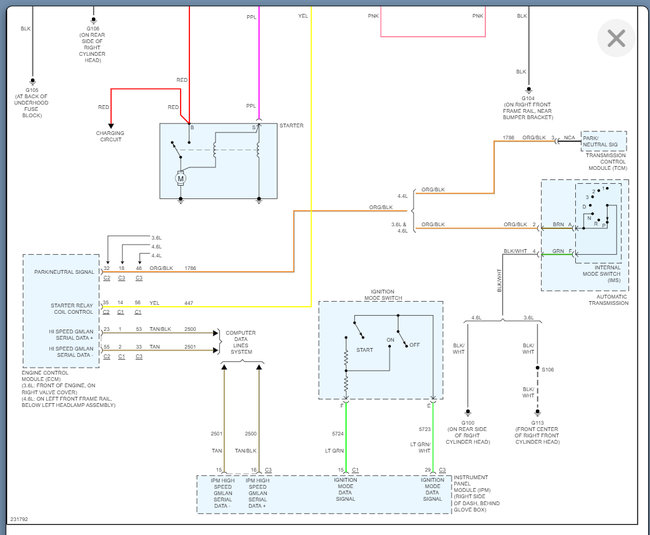
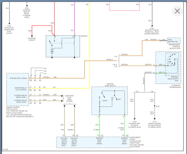
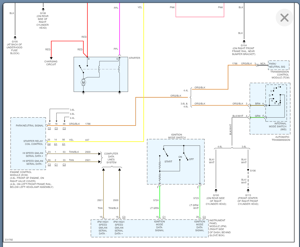
But its not even cranking nothing I heard a whine or a hum? But it wont do anything.
My neiborr tried to jump my starter relay but it only created a spark.
i tried to scan it it wont communicat with the engine or something.
i changed relays and fuses charged battery. And the fob battery
and when its in park trying to start normally I get 0 response from the car besides my car lights coming on and the dinging from the door being open.
2006 Cadillac Sts4 push start
Thursday, February 24th, 2022 AT 1:16 PM




