No crank no start issue

Tiny
RIVIERACOLEMAN
  • MEMBER
  • 2007 FORD TAURUS
  • 3.0L
  • V6
  • 2WD
  • AUTOMATIC
  • 85,000 MILES
Battery loose bolts. The starter will not turn on fuse box crack positive thermal and negative both has volts 11.4. Cylinder on starter don’t have a trigger wire. Can you help me to understand what’s going on?
Wednesday, May 18th, 2022 AT 3:29 PM

3 Replies

Tiny
JACOBANDNICKOLAS
  • MECHANIC
  • 110,194 POSTS
Hi,

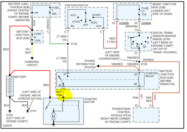
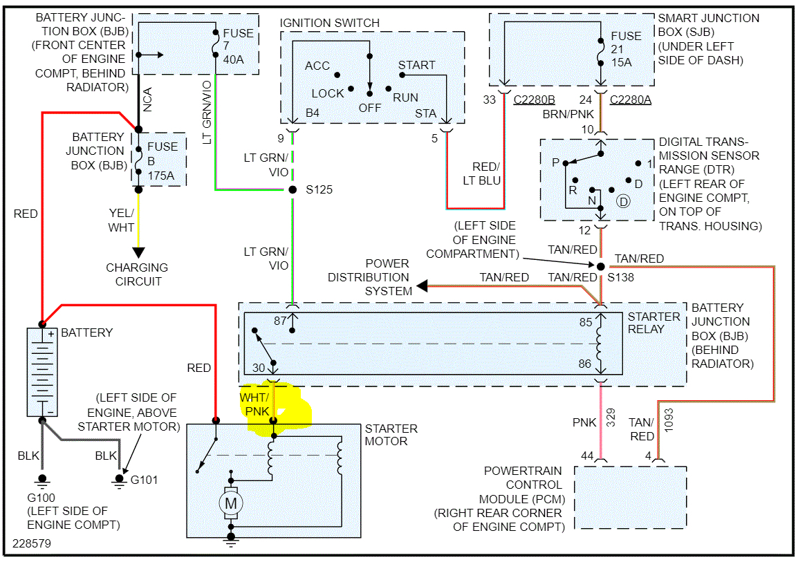
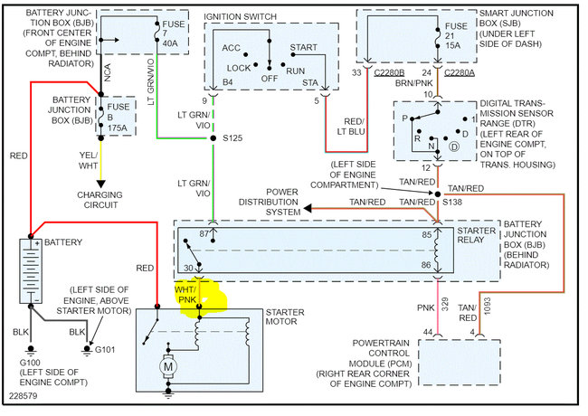
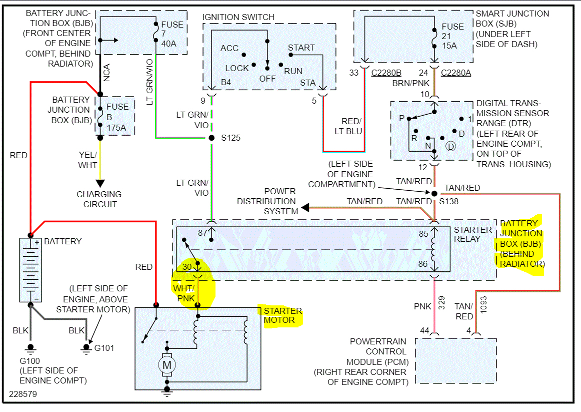
Does the starter engage, and the engine not start? Also, a loose battery terminal can cause a weak connection and prevent the starter from engaging. The voltage is also a little low and the starter should have a trigger wire. It should be the smaller gauge white wire with a pink tracer.

I attached the wiring schematic below for you to review. Take a look through it and confirm the fuses are good, the starter relay is good, and there is a trigger wire on the starter motor.

Here are two links you may find helpful:

https://www.2carpros.com/articles/how-to-check-a-car-fuse

https://www.2carpros.com/articles/how-to-check-an-electrical-relay-and-wiring-control-circuit

Let me know exactly what is happening and what has been done so far. Based on the issues you mentioned, I'm not sure where I need to start.

Take care and let me know as much as you can.

Joe

See pic below.
Was this
answer
helpful?
Yes
No
Wednesday, May 18th, 2022 AT 9:25 PM
Tiny
RIVIERACOLEMAN
  • MEMBER
  • 17 POSTS
  • 2007 FORD TAURUS
  • 3.0L
  • V6
  • 2WD
  • AUTOMATIC
  • 85,000 MILES
Trigger wire on starter cylinder cannot locate the wire how and where do I find it and what size wire?
Was this
answer
helpful?
Yes
No
Friday, May 20th, 2022 AT 2:06 PM (Merged)
Tiny
JACOBANDNICKOLAS
  • MECHANIC
  • 110,194 POSTS
Hi,

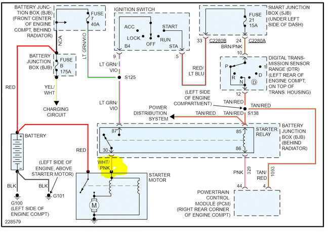
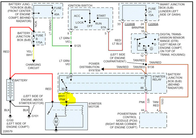
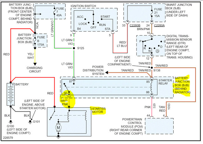
The trigger wire is a white wire with a pink tracer. It runs from the relay box under the hood to the starter motor. I suspect is a 10-gauge wire and is much smaller than the red wire from the battery to the starter.

Let me know if this helps or if you have other questions.

Take care,

Joe

See pic below.
Was this
answer
helpful?
Yes
No
Friday, May 20th, 2022 AT 2:06 PM (Merged)

Please login or register to post a reply.