No crank no start

Tiny
KENNYWAYNE#1
  • MEMBER
  • 2006 CHEVROLET UPLANDER
  • 3.5L
  • V6
  • 2WD
  • AUTOMATIC
  • 141,717 MILES
It just wouldn't start 2 months ago I have changed the battery, terminal ends, starter and ignition it still will not start. I have tried all the security tricks. I am at a loss.
Saturday, July 25th, 2020 AT 12:11 PM

13 Replies

Tiny
ASEMASTER6371
  • MECHANIC
  • 52,796 POSTS
Good afternoon,

Does the security light go out after about 10 seconds with the key on?

https://www.2carpros.com/articles/how-to-reset-a-security-system

I attached a wiring diagram for you to view. We need to do some testing at the relay.

https://www.2carpros.com/articles/how-to-check-wiring

https://www.2carpros.com/articles/how-to-check-an-electrical-relay-and-wiring-control-circuit

You will need a test light for these tests.

https://www.2carpros.com/articles/how-to-use-a-test-light-circuit-tester

Roy
Was this
answer
helpful?
Yes
No
+2
Saturday, July 25th, 2020 AT 2:32 PM
Tiny
KENNYWAYNE#1
  • MEMBER
  • 7 POSTS
Yes.
Was this
answer
helpful?
Yes
No
Saturday, July 25th, 2020 AT 2:53 PM
Tiny
ASEMASTER6371
  • MECHANIC
  • 52,796 POSTS
Yes to what? Can you be more specific?

Roy
Was this
answer
helpful?
Yes
No
+1
Saturday, July 25th, 2020 AT 3:20 PM
Tiny
KENNYWAYNE#1
  • MEMBER
  • 7 POSTS
Yes, the security light goes out after 10 seconds.
Was this
answer
helpful?
Yes
No
Saturday, July 25th, 2020 AT 4:05 PM
Tiny
ASEMASTER6371
  • MECHANIC
  • 52,796 POSTS
Okay, do you have a test light to do some testing?

Let me know when you are ready to do some testing.

Roy
Was this
answer
helpful?
Yes
No
+1
Saturday, July 25th, 2020 AT 4:16 PM
Tiny
KENNYWAYNE#1
  • MEMBER
  • 7 POSTS
So, I was able to jump the crank relay and the engine started, but the starter is staying engaged until I turn the key off.
Was this
answer
helpful?
Yes
No
Monday, July 27th, 2020 AT 2:39 PM
Tiny
ASEMASTER6371
  • MECHANIC
  • 52,796 POSTS
It will because you have it jumped. There should only be power there in the start position only.

Which terminals did you jump?

Roy
Was this
answer
helpful?
Yes
No
+1
Monday, July 27th, 2020 AT 3:14 PM
Tiny
KENNYWAYNE#1
  • MEMBER
  • 7 POSTS
30 and 87.
Was this
answer
helpful?
Yes
No
Monday, July 27th, 2020 AT 4:24 PM
Tiny
ASEMASTER6371
  • MECHANIC
  • 52,796 POSTS
Okay, 30 and 87 should make the starter okay.

85 and 86 are the control side of the relay.

With the key in the start position, can you test for power to either 85 or 86?

Roy
Was this
answer
helpful?
Yes
No
+2
Tuesday, July 28th, 2020 AT 2:17 PM
Tiny
KENNYWAYNE#1
  • MEMBER
  • 7 POSTS
85 is ground and I'm not getting anything to 86.
Was this
answer
helpful?
Yes
No
+1
Tuesday, July 28th, 2020 AT 3:28 PM
Tiny
ASEMASTER6371
  • MECHANIC
  • 52,796 POSTS
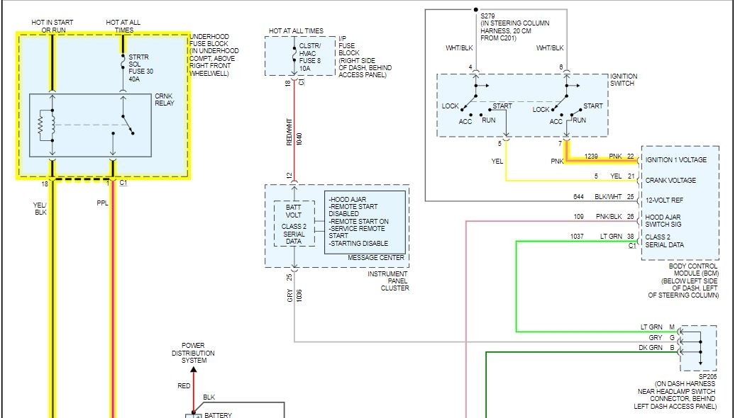
Okay, you should have power in the start position. If you do not, you will need to go to the ignition switch and test the yellow wire for power in the start position. I attached the diagram again showing the wire at the relay and I highlighted the wire at the ignition switch.

That wire goes to the body control module. It then looks for the park/ neutral switch showing it in the correct position. Once it sees that, the it sends a signal to the ECM to ground the control side of the relay.

Roy

STARTING SYSTEM DESCRIPTION AND OPERATION

The starter motors on this vehicle are non-repairable starter motors. They have pole pieces that are arranged around the armature. Both solenoid windings are energized. The pull-in winding circuit is completed to the ground through the starter motor. The windings work together magnetically to pull and hold in the plunger. The plunger moves the shift lever. This action causes the starter drive assembly to rotate on the armature shaft spline as it engages with the flywheel ring gear on the engine. Moving at the same time, the plunger also closes the solenoid switch contacts in the starter solenoid. Full battery voltage is applied directly to the starter motor and it cranks the engine.

As soon as the solenoid switch contacts close, current stops flowing thorough the pull-in winding because battery voltage is applied to both ends of the windings. The hold-in winding remains energized; its magnetic field is strong enough to hold the plunger, shift lever, starter drive assembly, and solenoid switch contacts in place to continue cranking the engine. When the engine starts, pinion overrun protects the armature from excessive speed until the switch is opened.

When the ignition switch is released from the START position, the crank relay opens and battery voltage is removed from the starter solenoid S terminal. Current flows from the motor contacts through both windings to the ground at the end of the hold-in winding. However, the direction of the current flow through the pull-in winding is now opposite the direction of the current flow when the winding was first energized.

The magnetic fields of the pull-in and hold-in windings now oppose one another. This action of the windings, along with the help of the return spring, causes the starter drive assembly to disengage and the solenoid switch contacts to open simultaneously. As soon as the contacts open, the starter circuit is turned off.

Circuit Description (Key Start)
For ignition switch power modes refer to Body Control System Description and Operation in Computer/Integrating Systems. When the ignition switch is placed in the Start position a discrete 12 volts signal is supplied to the body control module (BCM) notifying it that the ignition is in the Start position. The BCM then sends a message to the power-train control module (PCM)/engine control module (ECM) notifying it that CRANK has been requested. At the same time the BCM is supplying 12 volts for the IGN 1 relay closing it and supplying battery positive voltage for the crank relay coil. The PCM/ECM verifies that the transmission is in Park or Neutral. If it is, the PCM/ECM grounds the control circuit of the crank relay. When this occurs battery positive voltage is supplied through the switch side of the crank relay to the S terminal of the starter solenoid.
Was this
answer
helpful?
Yes
No
+1
Tuesday, July 28th, 2020 AT 3:51 PM
Tiny
KENNYWAYNE#1
  • MEMBER
  • 7 POSTS
No power to yellow wire.
Was this
answer
helpful?
Yes
No
Tuesday, July 28th, 2020 AT 4:21 PM
Tiny
ASEMASTER6371
  • MECHANIC
  • 52,796 POSTS
Okay, sounds like you need an ignition switch

Roy

Ignition Switch Replacement

Removal Procedure
1. Disable the Restraint system. Refer to Restraint Disabling and Enabling Zone 3.
2. Remove the steering column trim covers.
3. Remove the ignition lock cylinder.
4. Remove the theft deterrent exciter module from the lock cylinder housing.

ImageOpen In New TabZoom/Print

5. Remove the screws (2) from the ignition switch (1).
6. Remove the ignition switch (1) from the ignition lock cylinder case.
7. Disconnect the ignition switch electrical connector.
Was this
answer
helpful?
Yes
No
Tuesday, July 28th, 2020 AT 4:24 PM

Please login or register to post a reply.