Sunday, February 12th, 2012 AT 2:47 PM
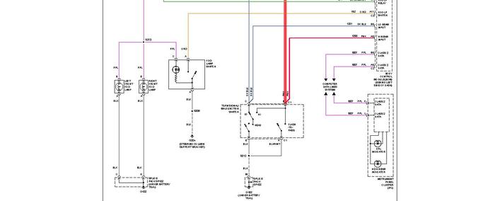
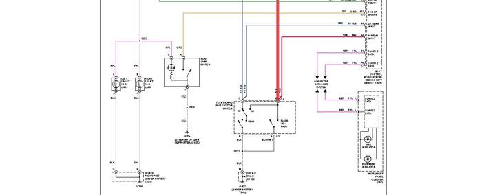
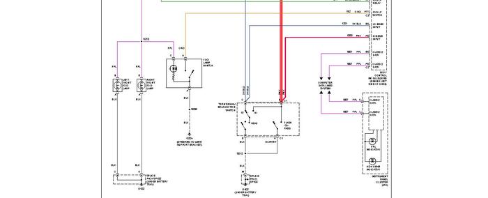
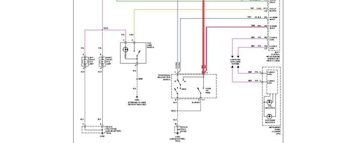
I have a 2008 chevy uplander - But the horn goes off and the wipers turn on the lights blink but it wont start what do I do. First time this happened but wife was stranded and unhappy help me make her happy










