No start

Tiny
LISA RILEY
  • MEMBER
  • 1995 NISSAN MAXIMA
  • 3.0L
  • 6 CYL
  • 2WD
  • AUTOMATIC
  • 207,000 MILES
I am not getting power to my fuel pump. I have changed the pump. My gas gauge do not work and I just do not know what to do.
Monday, November 5th, 2018 AT 12:10 AM

1 Reply

Tiny
ASEMASTER6371
  • MECHANIC
  • 52,796 POSTS
Good morning.

You need to use a test light or voltmeter and check for voltage at the fuel pump.

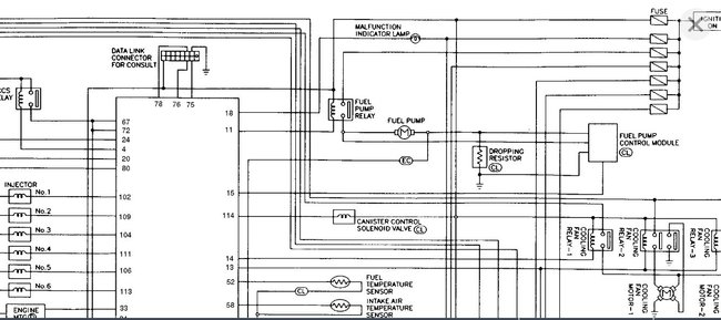
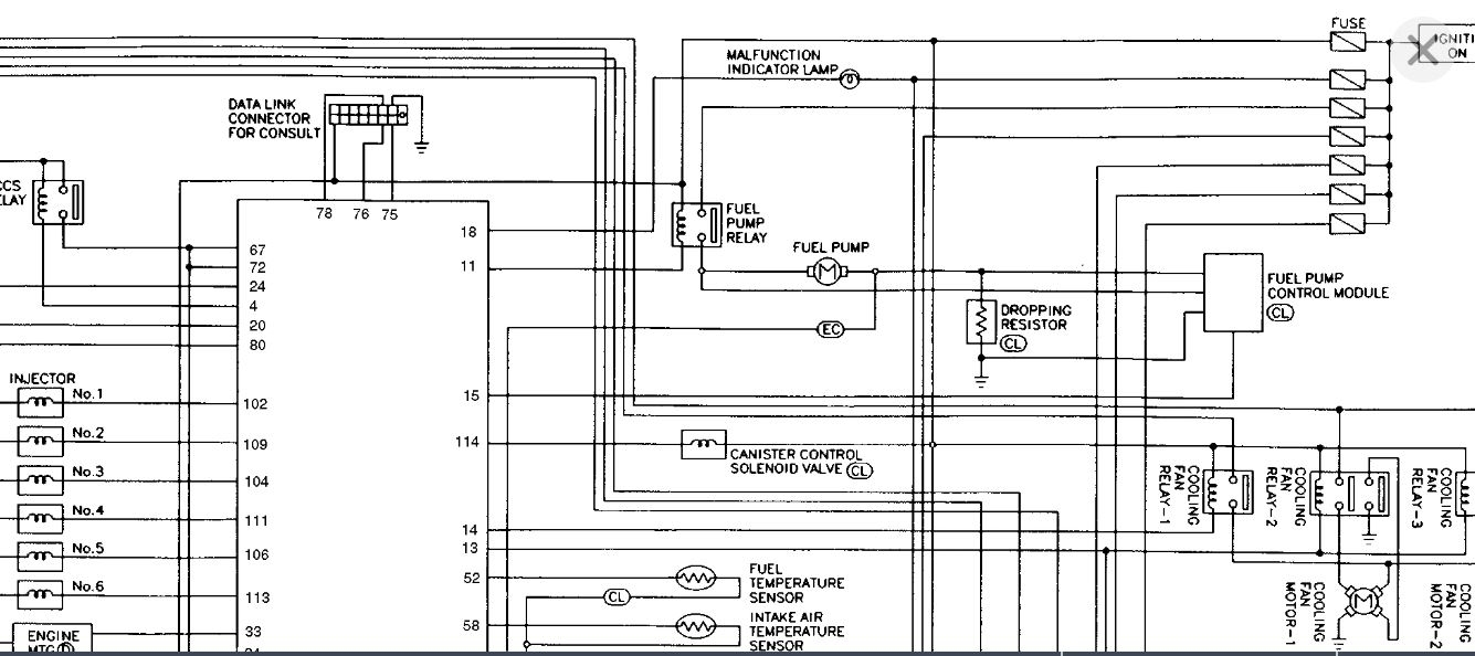
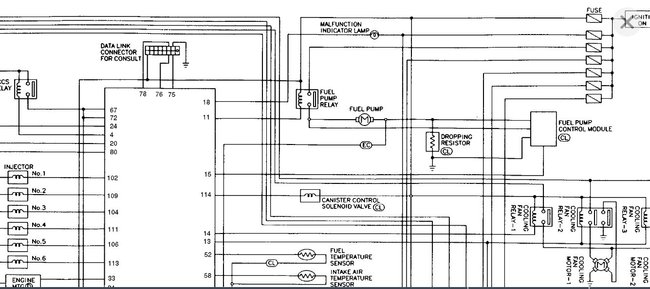
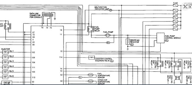
I attached a wire diagram the shows the fuel pump relay. You need to verify there are two powers to the relay with the key on. The ECM is what grounds the relay and sends power to the pump.

Start with checking the fuses first to be sure it is not something easy.

Roy
Was this
answer
helpful?
Yes
No
Monday, November 5th, 2018 AT 2:48 AM

Please login or register to post a reply.