No start

Tiny
TANYA WATSON
  • MEMBER
  • 2001 GMC JIMMY
  • 4.3L
  • 6 CYL
  • 2WD
  • AUTOMATIC
  • 279,000 MILES
Husband recently changed head gaskets. It started and ran before, now when we turn key it will not start. It has power to lights, A/C, radio, etc. Fuel pump does not prime either. Can start it briefly after adding fuel to throttle body and jumping starter. And it will crank with tester touching 10 amp fuse. What could be causing this problem?
Tuesday, March 9th, 2021 AT 8:37 AM

3 Replies

Tiny
JACOBANDNICKOLAS
  • MECHANIC
  • 110,192 POSTS
Hi,

I'm not sure I understand. What fuse is he touching with the tester? Also, what kind of tester? Is it a test light, voltmeter?

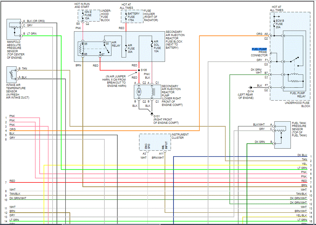
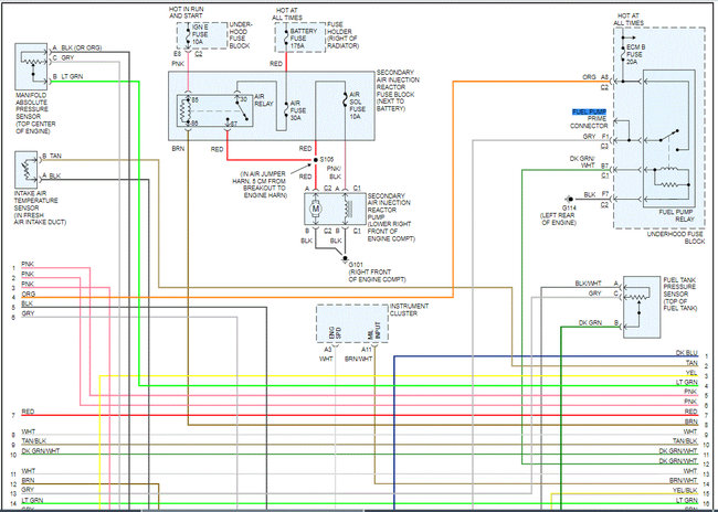
As far as no fuel pump, have fuses and the fuel pump relay been checked? If you look at the pic below (pic 1), it shows the fuel pump relay in the schematic. First, confirm the ECM B fuse is good. Conform power to and from it. If it is good, check the relay.

If the relay and fuse are good, jump pins c2 and c3 (@ relay) to confirm the pump turns on.

Here are a couple of links you may find helpful:

https://www.2carpros.com/articles/how-to-check-an-electrical-relay-and-wiring-control-circuit

https://www.2carpros.com/articles/how-to-check-a-car-fuse

_____________________________________

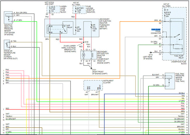
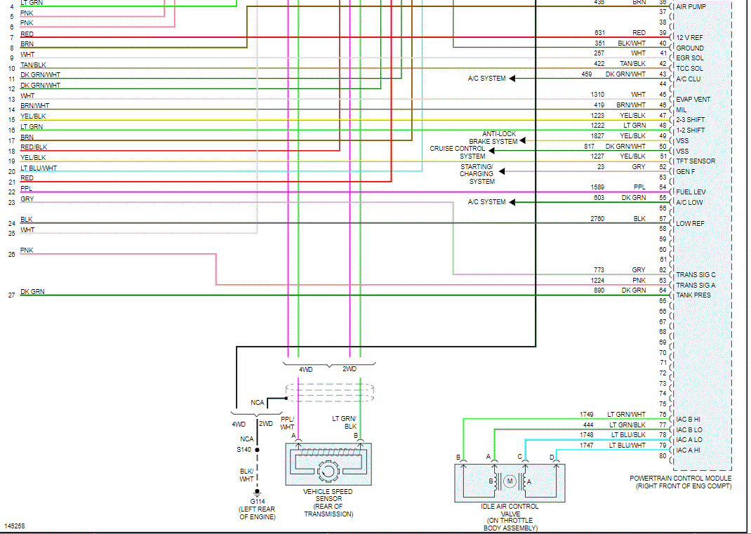
The remaining pics are the entire wiring schematic for engine controls. You can use these as a reference.

____________________________________________

I hope this helps. Let me know what you find or if you have other questions.

Take care and God Bless,

Joe

Was this
answer
helpful?
Yes
No
Tuesday, March 9th, 2021 AT 7:07 PM
Tiny
TANYA WATSON
  • MEMBER
  • 2 POSTS
The relays and fuses were all good.
Was this
answer
helpful?
Yes
No
Wednesday, March 10th, 2021 AT 10:17 AM
Tiny
JACOBANDNICKOLAS
  • MECHANIC
  • 110,192 POSTS
Okay. Did you try jumping the pins I mentioned to see if the pump would run? If there is power at the relay and it is good, power should go to the pump. If that is happening and the pump doesn't turn on, then either there is an open in the wiring (broken wire) or the pump is bad.

Let me know.
Joe
Was this
answer
helpful?
Yes
No
Wednesday, March 10th, 2021 AT 4:42 PM

Please login or register to post a reply.