No start

Tiny
CHECKEREDFLAGLI
  • MEMBER
  • 2005 NISSAN XTERRA
  • 90,000 MILES
Not starting when KOEO and security light is solid on.
Wednesday, June 5th, 2019 AT 10:57 AM

7 Replies

Tiny
DANNY L
  • MECHANIC
  • 5,648 POSTS
Hello, I'm Danny.

Here is a tutorial showing the anti-theft/security system reset. At the bottom just scroll to find the Nissan section.

https://www.2carpros.com/articles/how-to-reset-a-security-system

Hope this helps and thanks for using 2CarPros.
Danny-
Was this
answer
helpful?
Yes
No
Wednesday, June 5th, 2019 AT 5:55 PM
Tiny
CHECKEREDFLAGLI
  • MEMBER
  • 4 POSTS
Do I need two key sets to do this? Because I only have one key and fob set.
Was this
answer
helpful?
Yes
No
Thursday, June 6th, 2019 AT 4:11 AM
Tiny
DANNY L
  • MECHANIC
  • 5,648 POSTS
Hello again.

You can do it with just 1 key and 1 fob. However if you do reset the system and find any additional keys and fob's later they will not work and they will have to be programmed. Hope this helps and thanks again for using 2CarPros.
Danny-
Was this
answer
helpful?
Yes
No
+1
Thursday, June 6th, 2019 AT 3:15 PM
Tiny
CHECKEREDFLAGLI
  • MEMBER
  • 4 POSTS
It works, but I have to do it almost every time after I shut the car off. I changed the fob battery just in case. It did not help.
Was this
answer
helpful?
Yes
No
Monday, June 10th, 2019 AT 2:16 PM
Tiny
KEN L
  • MASTER CERTIFIED MECHANIC
  • 55,488 POSTS
It sounds like the car battery could be weak losing the memory. lets try load testing the battery by following this guide:

https://www.2carpros.com/articles/car-battery-load-test

Please run down this guide and report back.

Was this
answer
helpful?
Yes
No
Wednesday, June 12th, 2019 AT 4:16 PM
Tiny
CHECKEREDFLAGLI
  • MEMBER
  • 4 POSTS
Brand new battery, still the same.
Was this
answer
helpful?
Yes
No
Tuesday, July 9th, 2019 AT 5:11 AM
Tiny
KEN L
  • MASTER CERTIFIED MECHANIC
  • 55,488 POSTS
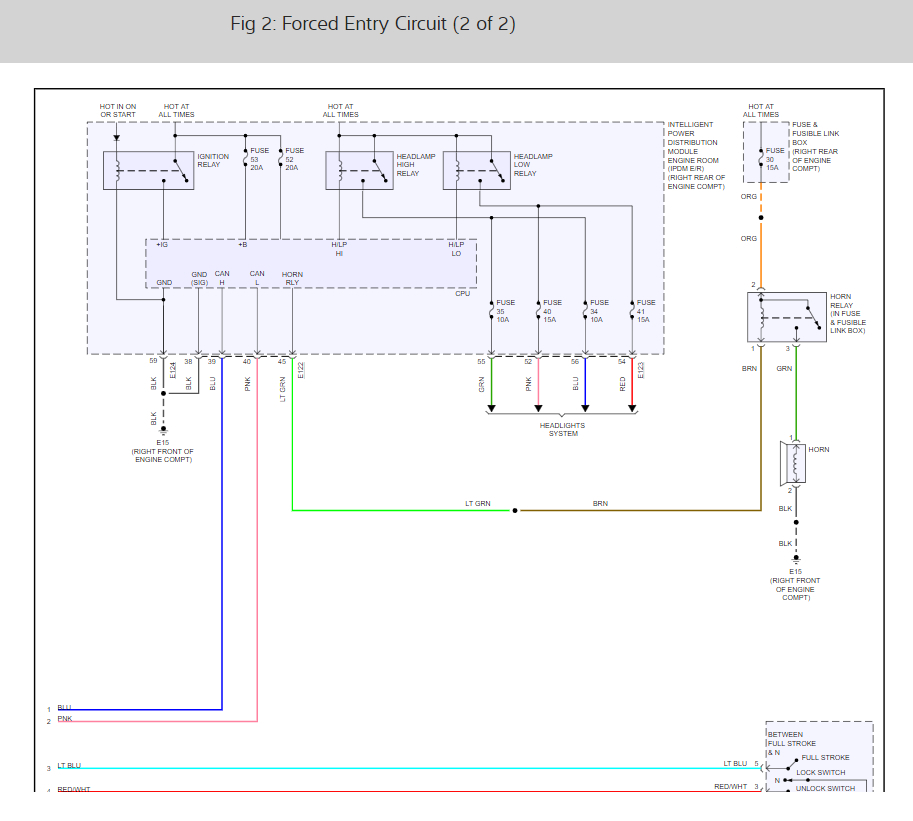
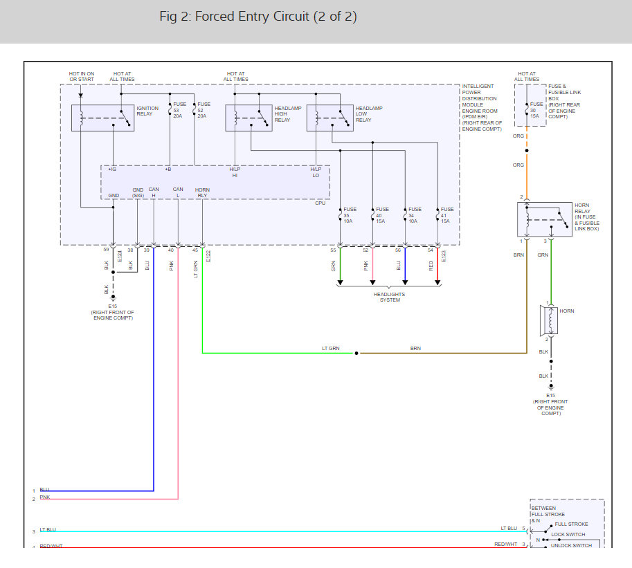
These cars had problems with the IPDM which it sounds like is the problem with your car. Here are instructions on how to change it out and the location of the unit with wiring diagrams that show you how the security system works. I would use the wring diagrams to show you which fuses to check (bunch of them).

https://www.2carpros.com/articles/how-to-check-a-car-fuse

Check out the diagrams (below). Please let us know what happens.
Was this
answer
helpful?
Yes
No
Tuesday, July 9th, 2019 AT 10:37 AM

Please login or register to post a reply.