Saturday, April 18th, 2020 AT 1:15 PM
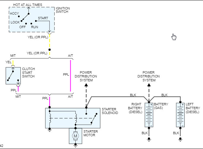
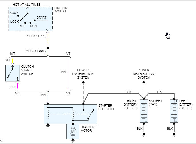
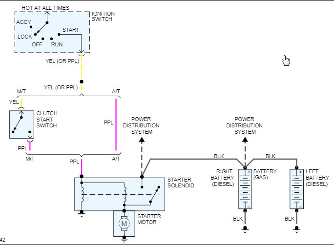
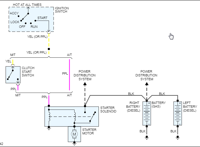
Hi, starter spins freely when I short the positive on the starter to the ignition switch wire, but nothing when we turn the key. Wondering where the places are to check. We have replaced the ignition block under the dash and the dimmer switch. Still the starter does not turn when we turn the switch.




