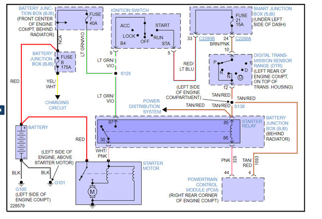
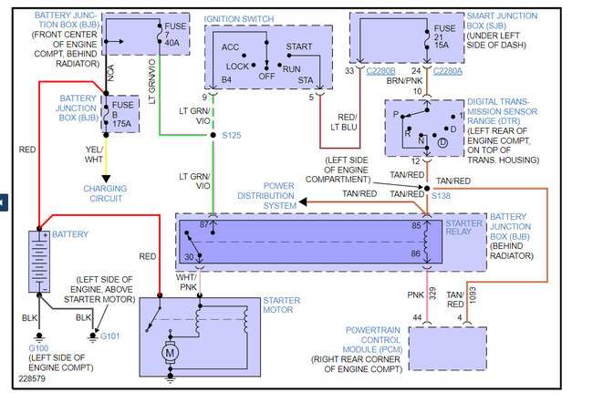
Saturday, January 14th, 2023 AT 1:13 PM
I replaced the starter still nothing, replaced battery still nothing, replaced starter relay fuse still nothing. I'm at a loss, I don't know what's going on. Any suggestions could help.






