One click no start after replacing clutch?

Tiny
CRV
  • MEMBER
  • 1994 FORD RANGER
  • 2.3L
  • 4 CYL
  • 2WD
  • MANUAL
  • 140,000 MILES
Replace the clutch in my vehicle listed above it then one click no start. New battery new starter both start spin out freely. You put them back in the motor and it seems like they're just locked up. New starter relay/
Monday, November 7th, 2022 AT 5:41 PM

4 Replies

Tiny
JACOBANDNICKOLAS
  • MECHANIC
  • 110,192 POSTS
Hi,

Since you just replaced the clutch, it sounds like something is jamming and not allowing the engine to turn. Do me a favor. Using a socket and breaker bar, see if you can turn the engine by hand at the crankshaft pulley. If you can't, something didn't go together fully.

When you tightened the pressure plate, are you sure all bolts are fully installed? Before you tightened the pressure plate, did you have an alignment tool installed fully into the pilot bearing hole?

Let me know.

Joe
Was this
answer
helpful?
Yes
No
+1
Monday, November 7th, 2022 AT 8:44 PM
Tiny
CRV
  • MEMBER
  • 3 POSTS
Yes, it moves freely yes, I did have it strait and bolts all finger tight before tightening.
Was this
answer
helpful?
Yes
No
Tuesday, November 8th, 2022 AT 12:42 AM
Tiny
CRV
  • MEMBER
  • 3 POSTS
It pop starts.
Was this
answer
helpful?
Yes
No
Tuesday, November 8th, 2022 AT 12:42 AM
Tiny
JACOBANDNICKOLAS
  • MECHANIC
  • 110,192 POSTS
Hi,

If you are hearing the starter click, then either we have a poor connection, a faulty starter, or the starter isn't properly mounted.

Do me a favor. Let's look at this from the start. First, confirm the battery terminals are clean, tight, and free of corrosion. Additionally, make sure the ground wire to the engine block is the same.

If they are, confirm the ignition fuse (fuse number 1) is good. In addition to checking the fuse, confirm there is power to and from it.

Here is a link you may find helpful:

https://www.2carpros.com/articles/how-to-check-a-car-fuse

If that checks good, go to the clutch switch at the top of the clutch pedal. There will be a red wire with a blue tracer and a pink wire. The red/blue should have voltage to it when the key is in the start position. Confirm that is good. If it is, confirm the pink wire out has power when the switch is closed.

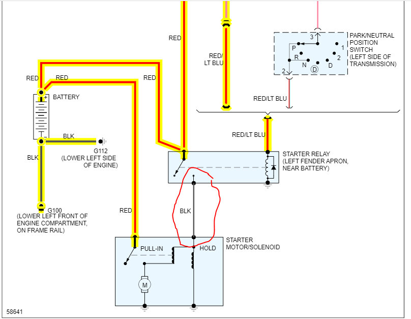
If that is good, then I need you to go to the starter motor. You will need a helper for this. Have the helper depress the clutch and try starting the engine. Once the key is in the start position, the smaller gauge black wire should have power. If it does and there is battery voltage to the larger diameter red wire, the starter itself is the likely cause.

I attached the wiring schematic below. I highlighted everything that is related to a manual transmission. I wanted you to have it as a reference.

Let me know what you find.

Take care,

Joe

See pics below. Pic 3 shows the fuse location.
Was this
answer
helpful?
Yes
No
Tuesday, November 8th, 2022 AT 6:10 PM

Please login or register to post a reply.