Engine does not crank?

Tiny
HARD-TIMES
  • MEMBER
  • 2015 CHEVROLET TRAX
  • 1.4L
  • 4 CYL
  • TURBO
  • 4WD
  • AUTOMATIC
  • 105,000 MILES
Car won’t crank starter was replaced, fuses and relays are good, battery good. Wires to the starter seem good.
Monday, September 4th, 2023 AT 9:51 AM

1 Reply

Tiny
JACOBANDNICKOLAS
  • MECHANIC
  • 110,194 POSTS
Hi,

Have you tried starting it in neutral? If so and that made no difference, we need to start checking fuses and the starter relay.

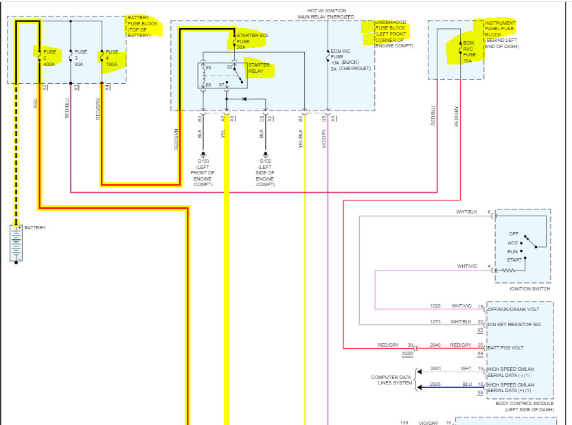
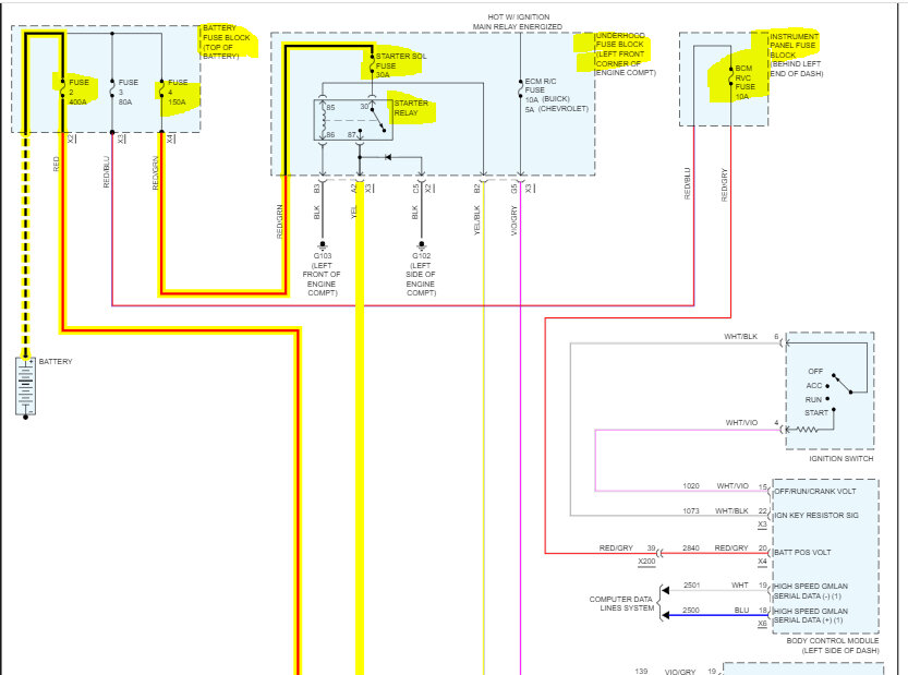
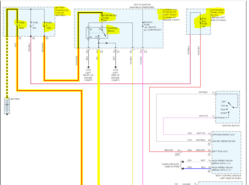
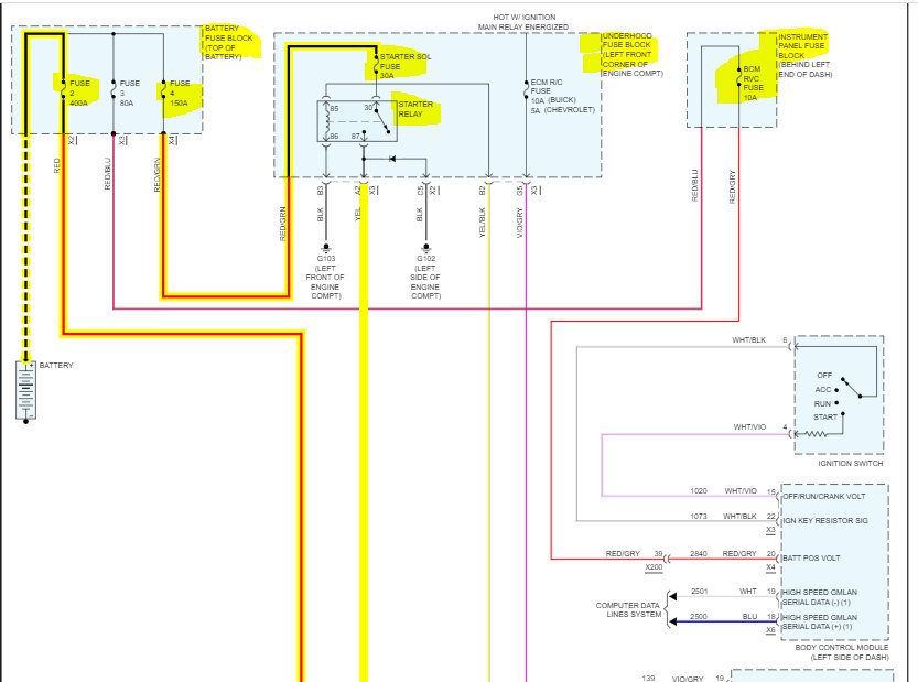
There are multiple fuses for the circuit to work. I attached the wiring schematic below for the starter circuit and highlighted all the fuses and the relay. Note the fuses are in different fuse boxes.

When you check the fuses, confirm there is power to and from them.

Here is a link that you may find helpful:

https://www.2carpros.com/articles/how-to-check-a-car-fuse

If all fuses are good and have power, remove the starter relay and switch it with a different one in the box having the same part number. If there isn't one, here is a link that explains how to test a relay and its circuit:

https://www.2carpros.com/articles/how-to-check-an-electrical-relay-and-wiring-control-circuit

Let me know what you find or if you have questions.

Joe

Note: I had to cut the schematic in half to make it readable. I did overlap the two so you can follow from one to the next.

Was this
answer
helpful?
Yes
No
Monday, September 4th, 2023 AT 9:42 PM

Please login or register to post a reply.