My vehicle is having trouble starting with the key?

Tiny
PATRICKBURDETTE
  • MEMBER
  • 2004 CHEVROLET BLAZER
  • 4WD
  • AUTOMATIC
  • 1,000 MILES
I replaced the starter and the electrical ignition switch, and I turn the key it makes noises but won't start. I have to jump to start a solenoid with a screwdriver and I believe it has something to do with this third little red wire connected to it and then that wire goes to the battery.
Wednesday, February 1st, 2023 AT 4:14 AM

1 Reply

Tiny
JACOBANDNICKOLAS
  • MECHANIC
  • 110,192 POSTS
Hi,

If the starter is working but only when you jump it, I need to know exactly where you are placing the screwdriver. Is it at the starter motor itself?

First, check to see if it cranks if you place the transmission in park.

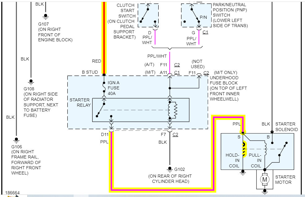
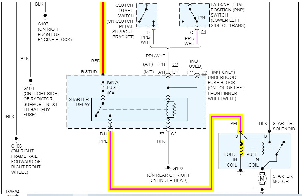
Next, if you are able to engage at the starter, then I need you to check a few things. I attached the wiring schematic for the starting system below, so you have a reference.

First, in the under-hood fuse box, there are three fuses I need checked, the Ignition C fuse, the Ignition A fuse, and the crank fuse. When you check these, not only do I need you to check the fuses' conditions, but it is important to confirm there is power to them.

Here is a link you may find helpful:

https://www.2carpros.com/articles/how-to-check-a-car-fuse

If the fuses are good, remove the starter relay and switch it with a different one having the same part number. If there isn't one, here is a link that explains how to test it:

https://www.2carpros.com/articles/how-to-check-an-electrical-relay-and-wiring-control-circuit

If the relay tests good, note that there are pin identification numbers on the relay. I want you to take a jumper wire and jump pins 87 and 30. See pic 4.

Pic 3 provides the fuse and relay locations.

Let me know what you find.

Take care,

joe

See pics below.
Was this
answer
helpful?
Yes
No
Wednesday, February 1st, 2023 AT 7:07 PM

Please login or register to post a reply.