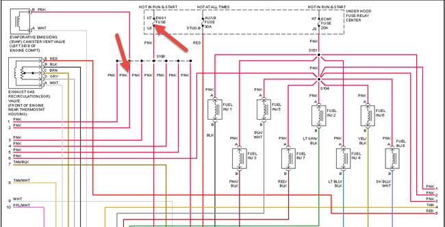
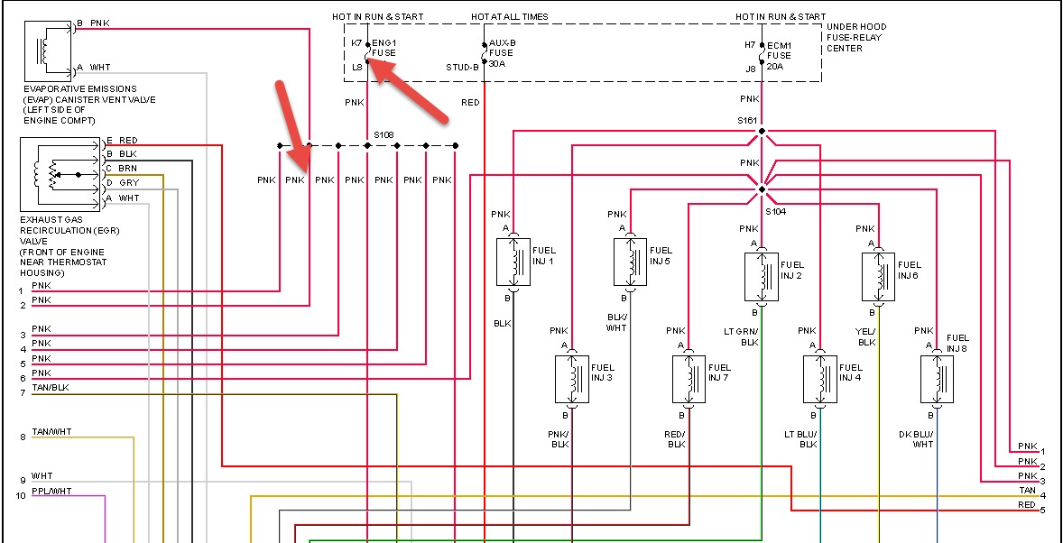
Wednesday, February 17th, 2021 AT 6:41 AM
New engine install; no spark from coil. All coils test out well, crank sensor test out well. Everything works on car was driven into the garage. Nothing worse with new engine.



