Does not start after shutting off while driving?

Tiny
SAMIYAH
  • MEMBER
  • 2013 NISSAN ALTIMA
  • 30,000 MILES
I was driving my car and it suddenly stopped working. We thought it was a fuel pump. But my mechanic just said there’s no spark going to the coils, or the spark plugs so the car won’t start up.
Friday, August 11th, 2023 AT 11:06 AM

1 Reply

Tiny
KEN L
  • MASTER CERTIFIED MECHANIC
  • 55,512 POSTS
It sounds like the crankshaft sensor has gone out, but to be sure we should check all fuses, here is a guide that will help:

https://www.2carpros.com/articles/how-to-check-a-car-fuse

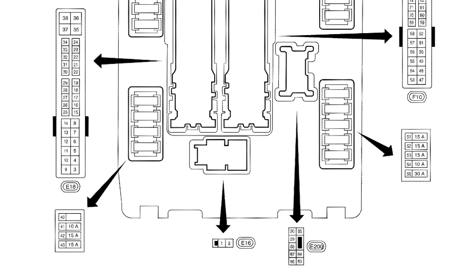
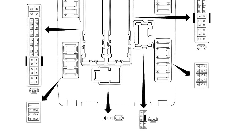
Here are the fuse locations in the images below, if the fuses are okay, we should do a CAN scan, you can get a CAN scanner (Controller Area Network) which will work on most cars from Amazon here is a video to show you how.

https://youtu.be/u-4syLc-ifQ

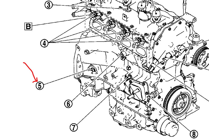
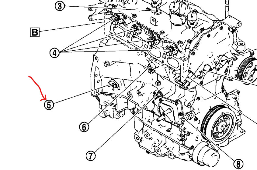
Here is how to change out the crankshaft sensor as well in case you need it. Check out the images (below). Please let us know what happens.

Was this
answer
helpful?
Yes
No
Saturday, August 12th, 2023 AT 10:27 AM

Please login or register to post a reply.