No spark

Tiny
MOROBE BLACKMON
  • MEMBER
  • 1998 MAZDA B3000
  • 6 CYL
  • 2WD
  • MANUAL
  • 230,000 MILES
Hi, I changed spark plugs, wires, PCM crank sensor cam sensor coil pack all relays still not getting spark. I'm super stumped someone please help. What else could it be?
Friday, December 20th, 2019 AT 8:37 PM

1 Reply

Tiny
SCGRANTURISMO
  • MECHANIC
  • 4,897 POSTS
Hello,

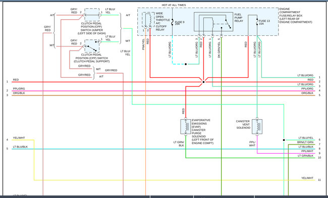
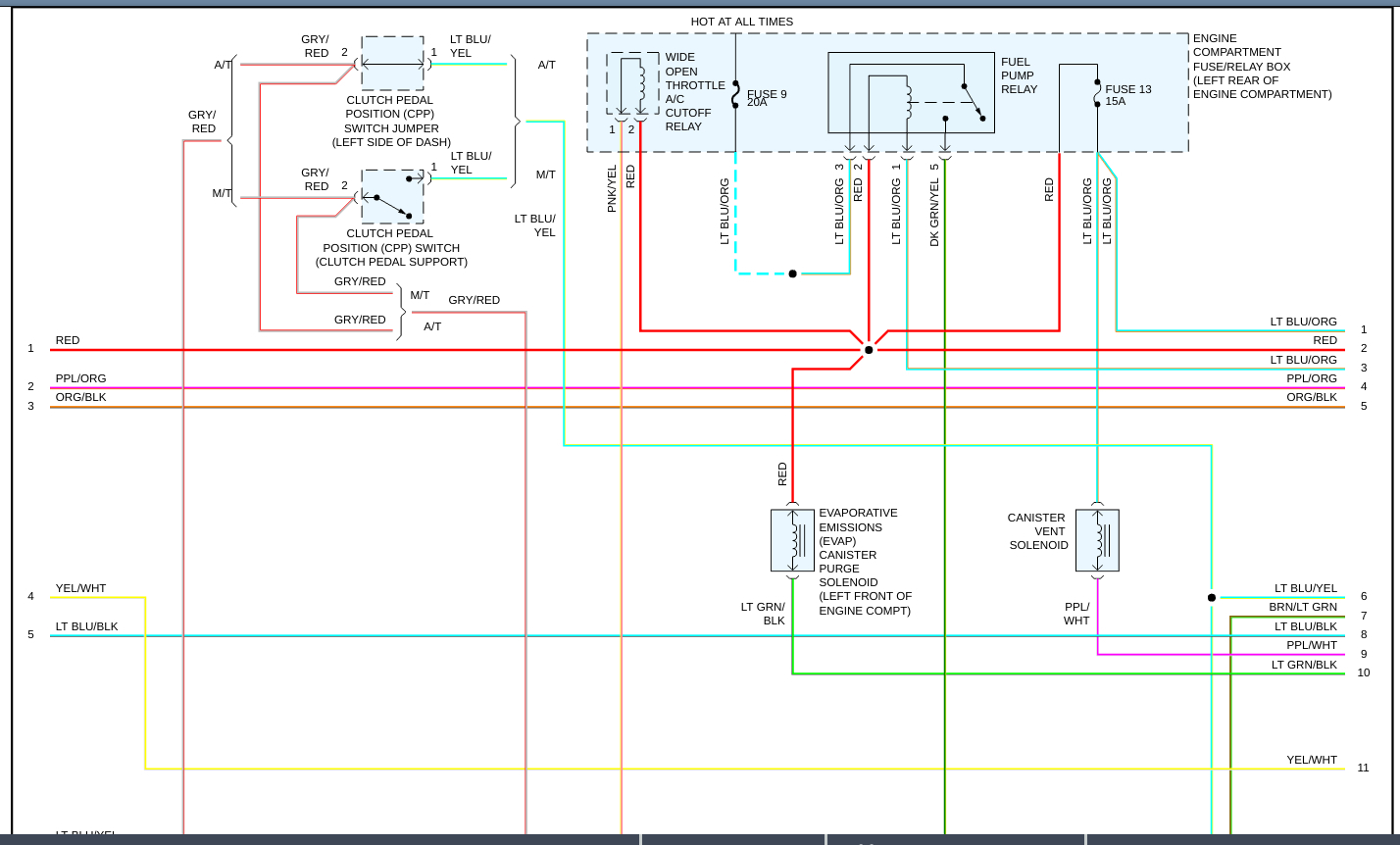
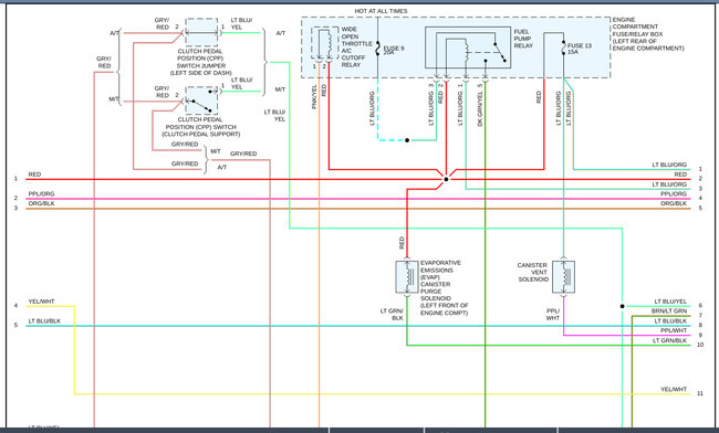
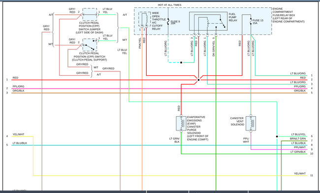
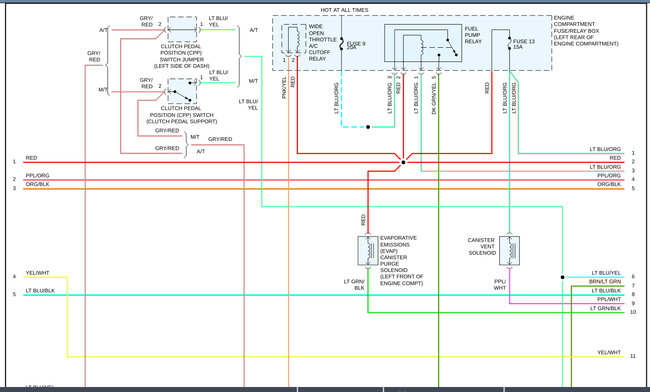
This could be a problem with an open or unwanted resistance in your vehicle's Crankshaft Position Sensor[CKP] electrical connector or wires going to your vehicle's Power-train Control Module[PCM]. In the diagrams down below I have included the wiring diagrams for your vehicle's power-train management circuits. I have highlighted the CKP wiring for you. I have also included guides on how to find opens and unwanted resistance in an automotive electrical circuit using voltage drop. You will need to use a Digital Multi-meter [DMM] to go through these guides, so here is a link below explaining how to use one, if needed:

https://www.2carpros.com/articles/how-to-use-a-voltmeter

Please go through these guides and get back to us with what you are able to find out.

Thanks,
Alex
2CarPros
Was this
answer
helpful?
Yes
No
+1
Sunday, December 22nd, 2019 AT 2:13 AM

Please login or register to post a reply.