No spark

Tiny
FRANK LEUALLEN
  • MEMBER
  • 1999 JEEP GRAND CHEROKEE
  • 4.0L
  • 6 CYL
  • 4WD
  • 270,000 MILES
Turns over but no spark. Replaced coil pack and crankshaft sensor, but still no spark.
Saturday, June 17th, 2017 AT 5:05 AM

1 Reply

Tiny
KEN L
  • MASTER CERTIFIED MECHANIC
  • 55,291 POSTS
Hello,

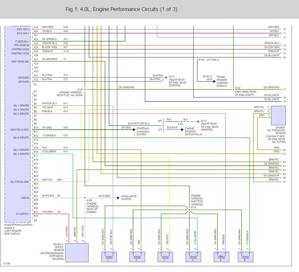
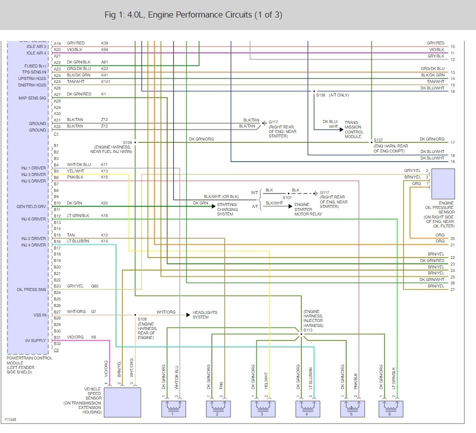
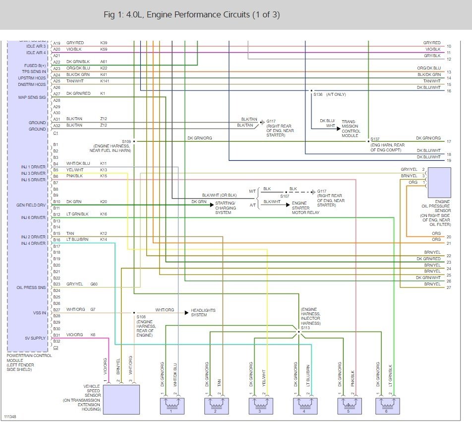
It sounds like you have an ASD relay that is not working. Here is some wiring diagrams (below) and a guide to help you do some testing, Also there are fuses that run the system as well.

https://www.2carpros.com/articles/how-to-check-a-car-fuse

and

https://www.2carpros.com/articles/how-to-use-a-test-light-circuit-tester

and

https://www.2carpros.com/articles/car-cranks-but-wont-start

Please let us know what happens, we are interested to see what it is.

Cheers, Ken

Was this
answer
helpful?
Yes
No
-2
Monday, June 19th, 2017 AT 11:10 AM

Please login or register to post a reply.