No signal from left front wheel speed sensor

Tiny
TERRY SCHENK
  • MEMBER
  • 2010 MAZDA 5
  • 2.3L
  • 4 CYL
  • 2WD
  • 120,000 MILES
Replaced sensor had some minor knicks still no luck. Started back probing wiring and I am at the point I could really use a pinout of ABS module.
Monday, July 27th, 2020 AT 8:42 AM

9 Replies

Tiny
AL514
  • MECHANIC
  • 5,590 POSTS
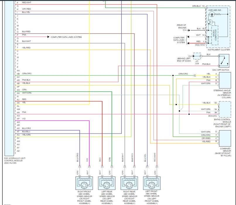
Hello, make sure you put the wheel sensor in correctly, they only go in one direction. Here's the pin out of the ABS circuits. Verify wire colors to make sure it's the correct diagram. Just to be positive. This car is a next generation model.
Was this
answer
helpful?
Yes
No
-1
Monday, July 27th, 2020 AT 9:02 AM
Tiny
TERRY SCHENK
  • MEMBER
  • 20 POSTS
Well, this darn phone keeps erasing my response before I can finish. So short and not so sweet color sequence on this vehicle is as follows: grey to red/white stripe white to blue/yellow stripe changes at wheel well transition.
Was this
answer
helpful?
Yes
No
Monday, July 27th, 2020 AT 1:43 PM
Tiny
TERRY SCHENK
  • MEMBER
  • 20 POSTS
Okay, so I got through the back probe on the wiring and module seems to check out fine. So I pulled the wheel again as well as rotor brake caliper and wheel speed sensor to take another more detailed look into the what I thought was going to be tone ring! Well I don't see any tone ring or a break anywhere to indicate signal device so I am wondering if this model has a traditional tone ring or what I should be looking for? I am going to attempt to rotate axle and observe the resistance on sensor to get an idea if there actually is anything happening or what. If any idea on whether or not there should be a tone ring present please inform me. Thank you
Was this
answer
helpful?
Yes
No
+1
Monday, July 27th, 2020 AT 5:11 PM
Tiny
AL514
  • MECHANIC
  • 5,590 POSTS
If you don't see a ring out in the open then its probably part of the wheel bearing. You can also swap the front sensors and see if the problem goes to the other side with the sensor. Another thing is check the gap of the working sensor on the other side, if the gap is too big the sensor won't pick up the ring, since the abs wheel sensor don't put out a real high reading. What kind of readings are you getting while back probing? The sensor puts out square wave signal while the tire is moving.

https://www.2carpros.com/articles/how-to-replace-an-abs-wheel-speed-sensor

Do this test:

https://www.2carpros.com/articles/abs-wheel-speed-sensor-test

Was this
answer
helpful?
Yes
No
+1
Monday, July 27th, 2020 AT 6:59 PM
Tiny
TERRY SCHENK
  • MEMBER
  • 20 POSTS
Well, I pulled sensor took a gander in its slot and slowly rotated wheel and I seen no tone ring just a smooth finish the complete circumference. So I am getting a + 8.9 at sensor using the sensor ground signal as well. No variation with rotation of wheel. That is what prompted me to pull sensor to see if perhaps someone may have replaced the CV axle in the past and installed a non ABS model? Stranger things have happened, lol. So anyway, what you are telling me is since I can see the surface that the sensor should pick up on that I should see a traditional tone ring with the square teeth all the way around it? Because there is nothing even remotely close to that.
Was this
answer
helpful?
Yes
No
Monday, July 27th, 2020 AT 11:14 PM
Tiny
AL514
  • MECHANIC
  • 5,590 POSTS
Take a look at the opposite side wheel, do you see a ring there? It's very possible someone changed the CV joint and installed the wrong one. But go by that other wheel, first take a voltage reading and compare with the bad side, also check the resistance of both front sensors and see if they're the same. If you don't see a ring on the opposite side, then its inside the wheel bearing, and someone could have installed the wrong bearing as well, the bearing has to go in a specific way also. But you should definitely see a varying voltage reading while turning the wheel. It's good to compare one side with the other since the opposite is working correctly. Let me know what you find on the working side. I wanted to show you this diagram, the ABS Encoder (ring) is inside the wheel bearing, and must be installed in a certain direction. Also there is a Technical Service Bulletin having to do with the ABS and from wheel hub.
Was this
answer
helpful?
Yes
No
Tuesday, July 28th, 2020 AT 9:34 AM
Tiny
AL514
  • MECHANIC
  • 5,590 POSTS
Do you know if your car has Dynamic Stability Control (DSC)? Some Mazda 5's do not have it, some do. There are 2 different wiring diagrams depending on that. The first 2 diagrams are without DSC, and 2nd 2 are with DSC.
Was this
answer
helpful?
Yes
No
Tuesday, July 28th, 2020 AT 9:44 AM
Tiny
TERRY SCHENK
  • MEMBER
  • 20 POSTS
The color code is incorrect. From connector at wheel well goes from grey to red with white stripe and from white to blue with yellow stripe so don't know if that has a bearing on the pinout of module or not I will put VIN in now JM1CR2WL4AC369476.
Was this
answer
helpful?
Yes
No
Tuesday, July 28th, 2020 AT 10:23 AM
Tiny
AL514
  • MECHANIC
  • 5,590 POSTS
Okay, I got the correct one, so you're working on the left front wheel, white to blue/yellow and grey to red/white, correct? So you don't have DSC according to the wiring colors. Here's the pinout for the ABS module. And did you have a code for the wheel speed sensor? Or what made you want to change it out?
Was this
answer
helpful?
Yes
No
Tuesday, July 28th, 2020 AT 10:33 AM

Please login or register to post a reply.

Related ABS Wheel Speed Sensor Replace/Remove Content