No running lights not working?

Tiny
JDL
  • MECHANIC
  • 16,098 POSTS
Hey, that's good, I'm glad you got it going.
Was this
answer
helpful?
Yes
No
Friday, May 21st, 2021 AT 3:29 PM (Merged)
Tiny
PURPLEGROG
  • MEMBER
  • 8 POSTS
For anyone interested in the switch fix, here's how I did it.


https://www.2carpros.com/forum/automotive_pictures/301701_DSC_0076_1.jpg



https://www.2carpros.com/forum/automotive_pictures/301701_DSC_0081_1.jpg



https://www.2carpros.com/forum/automotive_pictures/301701_DSC_0082_1.jpg



https://www.2carpros.com/forum/automotive_pictures/301701_DSC_0084_1.jpg

Was this
answer
helpful?
Yes
No
+2
Friday, May 21st, 2021 AT 3:29 PM (Merged)
Tiny
JDL
  • MECHANIC
  • 16,098 POSTS
Good pictures, that is interesting.
Was this
answer
helpful?
Yes
No
Friday, May 21st, 2021 AT 3:29 PM (Merged)
Tiny
FRITZ1
  • MEMBER
  • 1 POST
  • 1992 BUICK CENTURY
  • 200,000 MILES
All lights work except tail lights and the license plate light
Was this
answer
helpful?
Yes
No
Friday, May 21st, 2021 AT 3:29 PM (Merged)
Tiny
RIVERMIKERAT
  • MECHANIC
  • 6,110 POSTS
Do the parking lights in front work? If not, suspect the multifunction/headlight switch. There is a relay for the headlights under the hood. The fuse for the tail lights and license plate light in the fuse panel inside the passenger compartment is the only one.
Was this
answer
helpful?
Yes
No
+7
Friday, May 21st, 2021 AT 3:29 PM (Merged)
Tiny
CLINT BLADES
  • MEMBER
  • 3 POSTS
  • 1989 BUICK CENTURY
My tail lights went out as well as my dash lights. The fuses and bulbs are all fine. The head lights, brake lights, and turn signals are working fine. Any idea what my problem could be? As far as I can see none of the wiring has been pinched. Someone suggested that maybe the headlight switch needs to be replaced. Any leads would help. Thank you for your time.
Was this
answer
helpful?
Yes
No
Friday, May 21st, 2021 AT 3:29 PM (Merged)
Tiny
JDL
  • MECHANIC
  • 16,098 POSTS
I'd check the connector at the headlamp switch. You could probably use a jumper on the proper terminals to get the dash and or tail lamps to come on. Did you check the applicable fuse/s for voltage?
Was this
answer
helpful?
Yes
No
+8
Friday, May 21st, 2021 AT 3:29 PM (Merged)
Tiny
JDL
  • MECHANIC
  • 16,098 POSTS
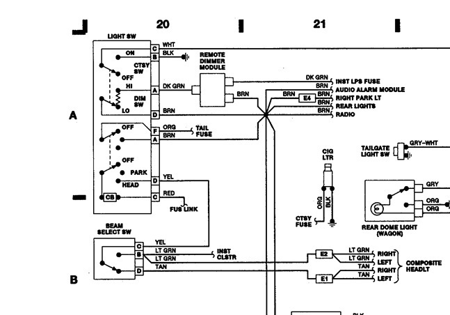
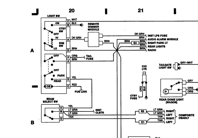
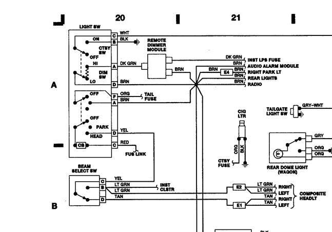
Here is some wiring. I agree with Ras.
Was this
answer
helpful?
Yes
No
+2
Friday, May 21st, 2021 AT 3:29 PM (Merged)
Tiny
RASMATAZ
  • MECHANIC
  • 75,992 POSTS
Check for additional power coming out of the switch that powers the tail and dash
Was this
answer
helpful?
Yes
No
+2
Friday, May 21st, 2021 AT 3:29 PM (Merged)
Tiny
CLINT BLADES
  • MEMBER
  • 3 POSTS
I dont think I was getting a good connection when I was crossing the contacts. I tried it again and got the taillights to come on. It has to be the switch, which I am replacing tomorrow. Thank you so much for your time and advise!
Was this
answer
helpful?
Yes
No
+1
Friday, May 21st, 2021 AT 3:29 PM (Merged)
Tiny
JDL
  • MECHANIC
  • 16,098 POSTS
Just to sure you understand. There are two voltage circuits that go to the headlamp switch. One is a fused circuit for the tail lamps--dash and such. The other voltage circuit is only for the headlamps, comes from fusible link. Both circuits are hot, correct?
Was this
answer
helpful?
Yes
No
+2
Friday, May 21st, 2021 AT 3:29 PM (Merged)
Tiny
CLINT BLADES
  • MEMBER
  • 3 POSTS
Yes both are hot. It seems that the switch is not connecting them. I'm going into town today to get a new switch.
Was this
answer
helpful?
Yes
No
+2
Friday, May 21st, 2021 AT 3:29 PM (Merged)
Tiny
JDL
  • MECHANIC
  • 16,098 POSTS
Sounds like you got it going your way.
Was this
answer
helpful?
Yes
No
+2
Friday, May 21st, 2021 AT 3:29 PM (Merged)

Please login or register to post a reply.