No reverse lights

Tiny
LYLE LOZIER
  • MEMBER
  • 2010 DODGE RAM
  • 5.7L
  • V8
  • TURBO
  • 4WD
  • AUTOMATIC
  • 188,000 MILES
I have no reverse back up lights. I also can't find the NSS to replace it. Can you show me a picture please?
Sunday, June 30th, 2019 AT 1:29 AM

3 Replies

Tiny
DANNY L
  • MECHANIC
  • 5,648 POSTS
Hello, I'm Danny.

First, I'm attaching a tutorial showing how to test your trucks wiring.

https://www.2carpros.com/articles/how-to-check-wiring

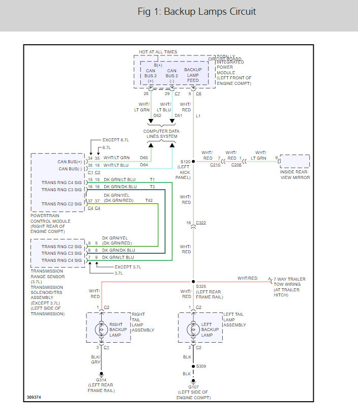
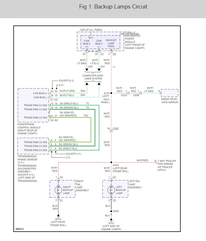
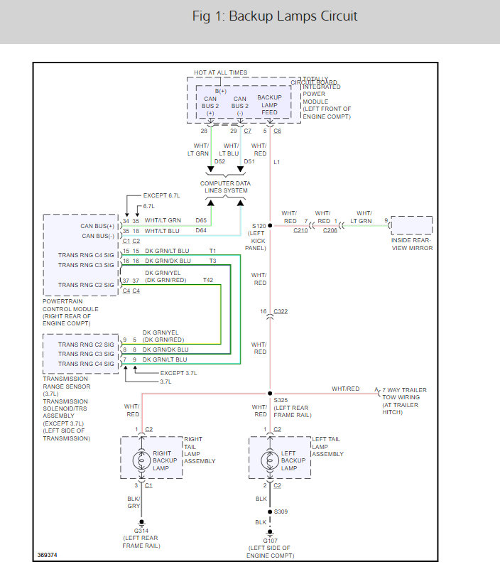
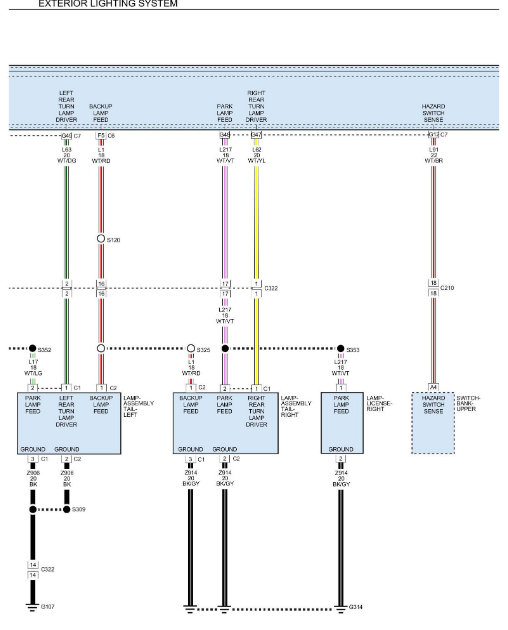
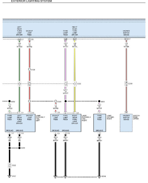
Also, I've attached below a picture of your trucks reverse light circuit.Hope this helps and thanks for using 2CarPros.
Danny-
Was this
answer
helpful?
Yes
No
Sunday, June 30th, 2019 AT 6:15 PM
Tiny
LYLE LOZIER
  • MEMBER
  • 2 POSTS
All the wiring looks fine the bulbs are good. Where else should I be looking? Is there a sensor somewhere else like on transmission?
Was this
answer
helpful?
Yes
No
Monday, July 1st, 2019 AT 8:28 AM
Tiny
KEN L
  • MASTER CERTIFIED MECHANIC
  • 55,481 POSTS
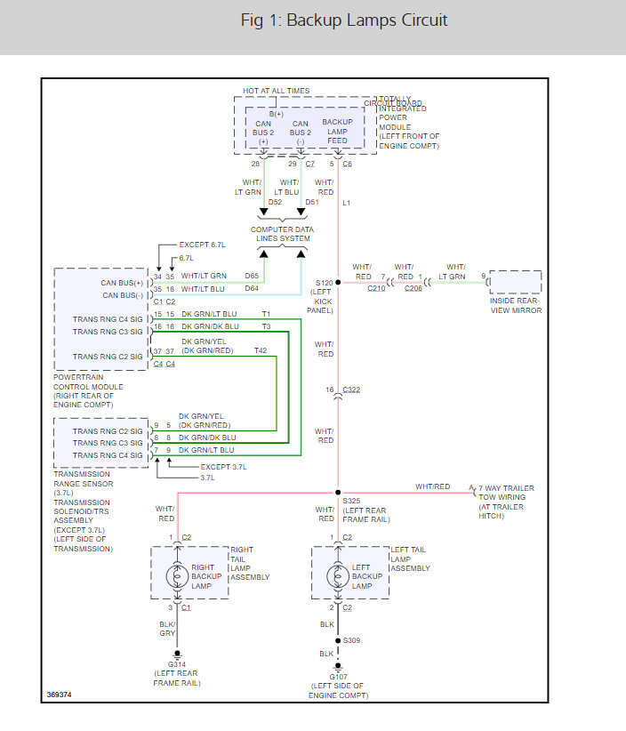
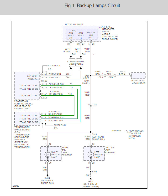
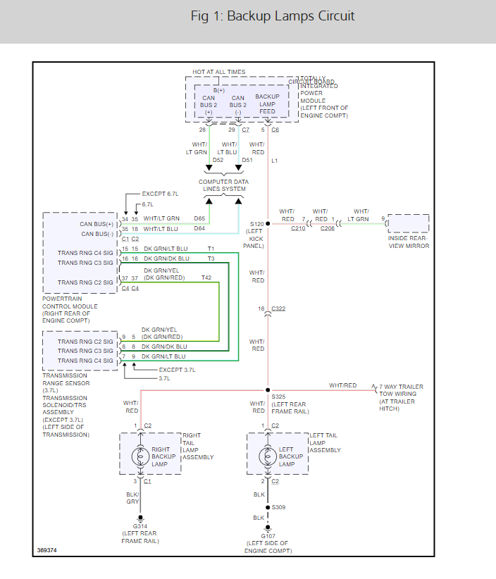
If I can jump in here. it sounds like the TIPM is out. To be sure use this wiring diagram to check for power with the guide on how to use a test light. It easy to replace the TIPM because it self initializes. Here are diagrams and instructions on how to replace the TIPM below.

https://www.2carpros.com/articles/how-to-use-a-test-light-circuit-tester

Check out the diagrams (below). Please let us know what you find. We are interested to see what it is.
Was this
answer
helpful?
Yes
No
Wednesday, July 3rd, 2019 AT 7:01 PM

Please login or register to post a reply.