No reverse lights - reverse light switch location?

Tiny
RICHIE25
  • MEMBER
  • 2006 DODGE RAM
  • 94,000 MILES
With automatic transmission. My backup lights don't work. Fuse is good. Can you tell me where the backup switch is located?
Monday, December 31st, 2012 AT 8:17 PM

8 Replies

Tiny
WRENCHTECH
  • MECHANIC
  • 20,761 POSTS
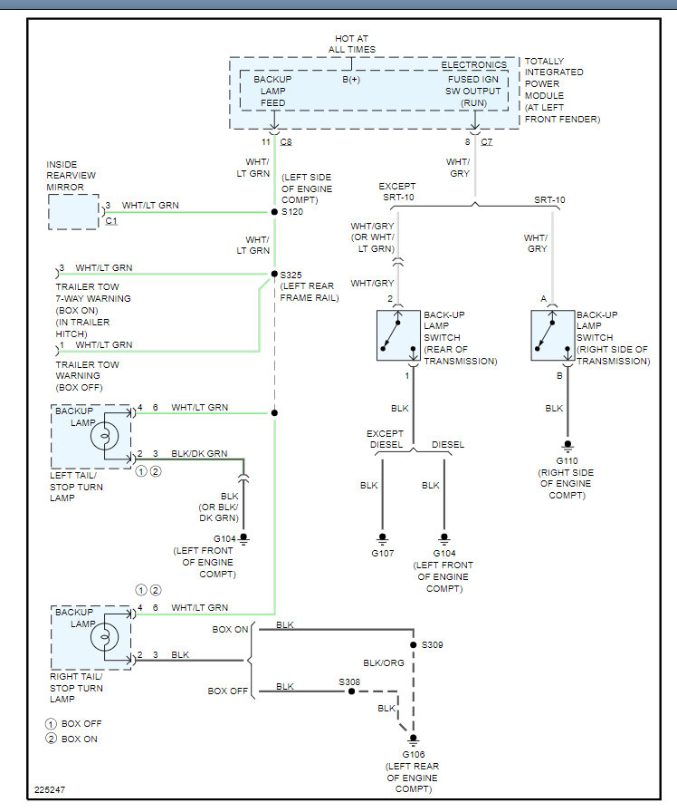
It's built into the transmission range sensor which is what used to be called the neutral safety switch if you have an automatic transmission. If you have a manual (which I know you mentioned you have an auto) it is on the rear of the transmission.

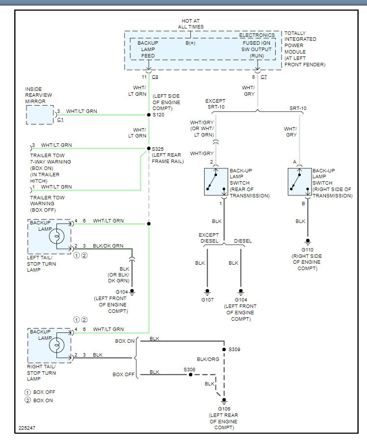
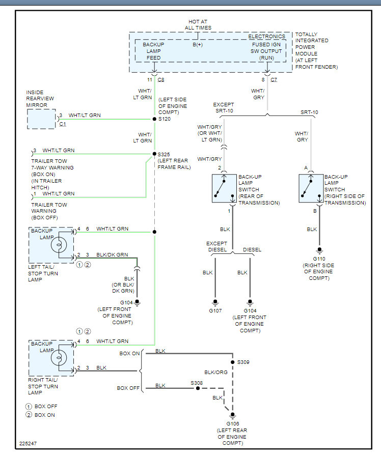
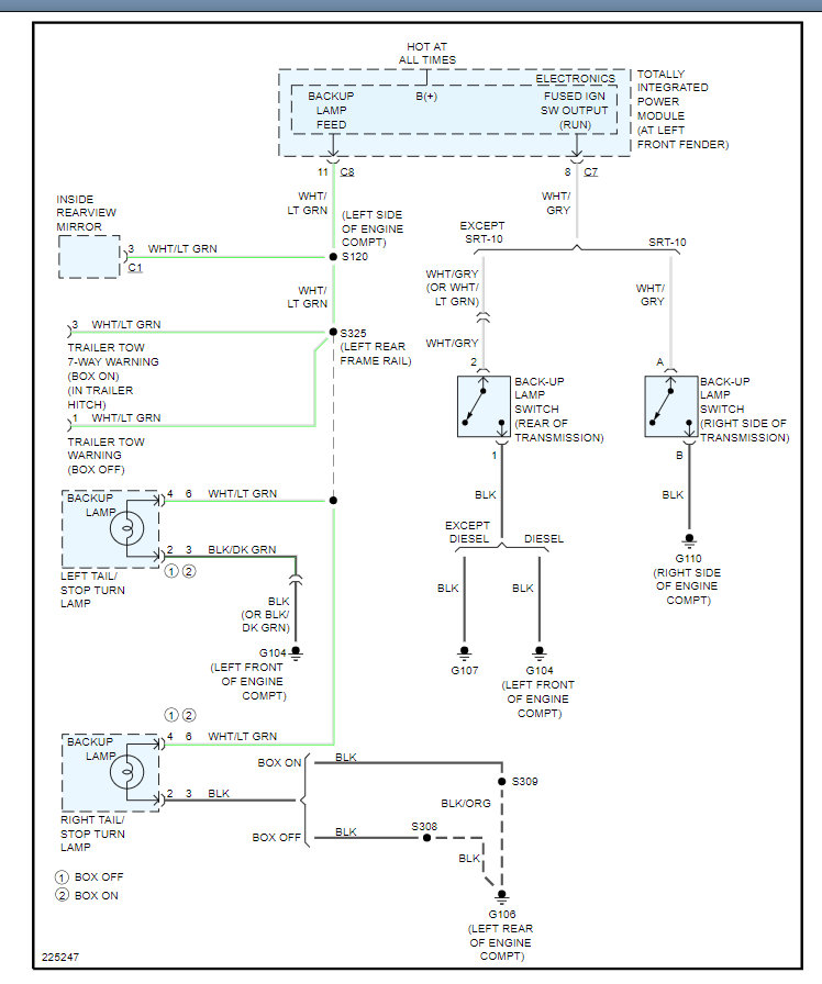
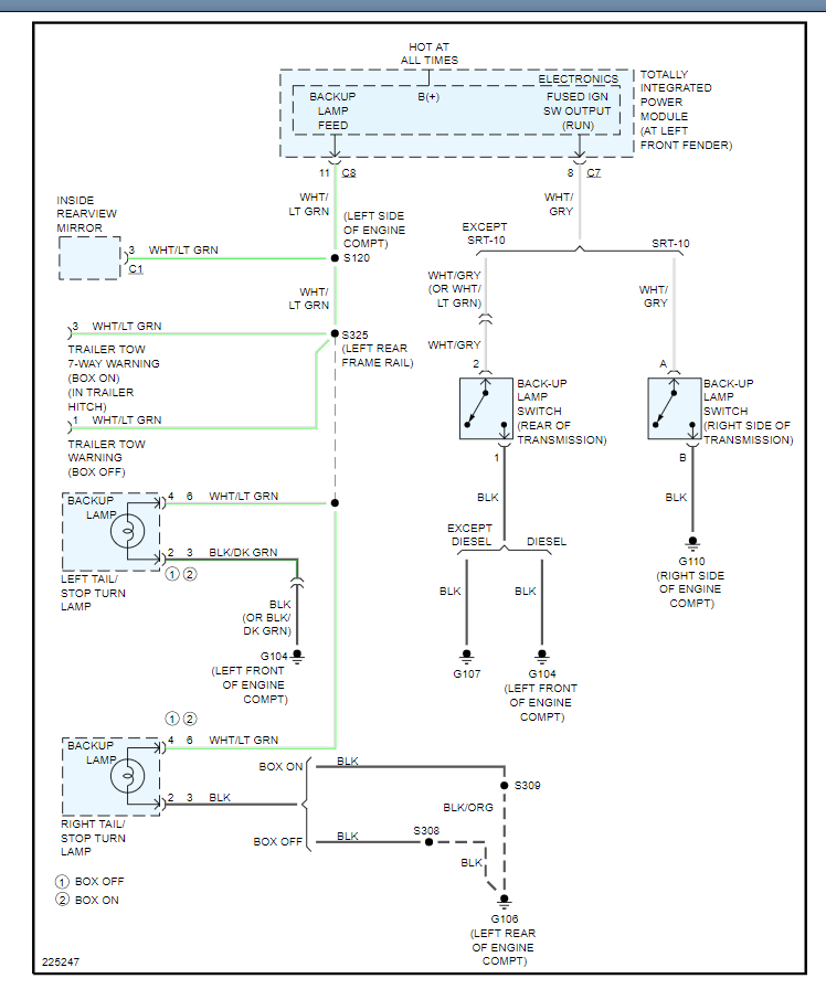
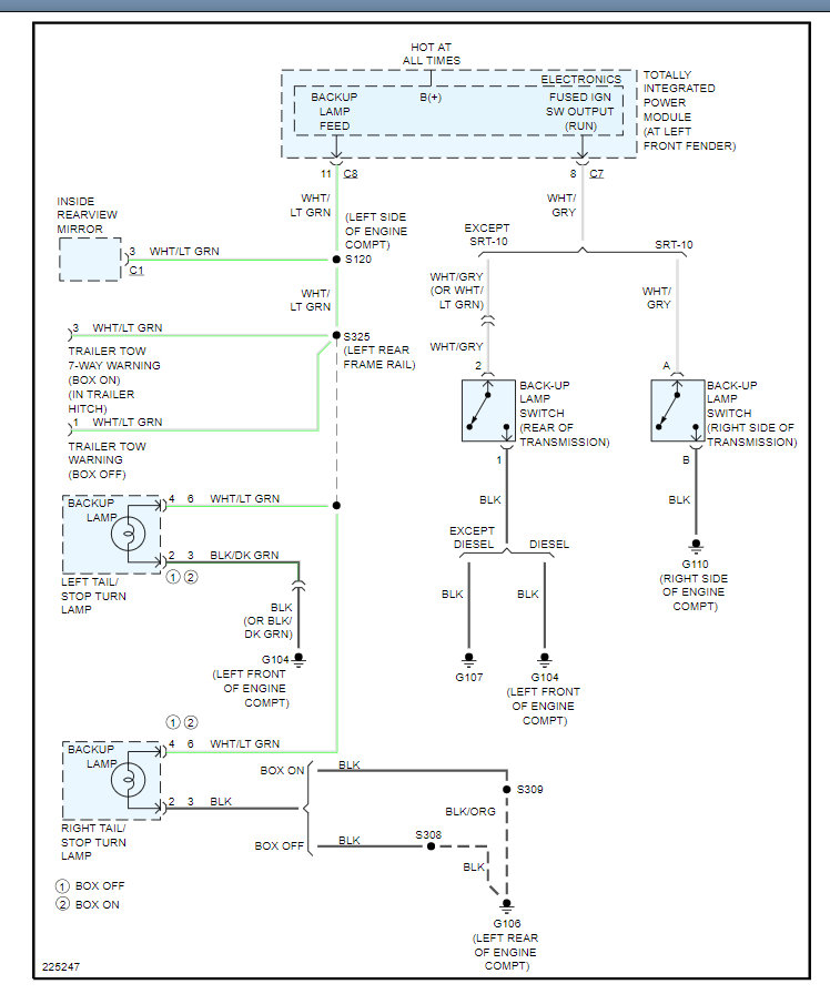
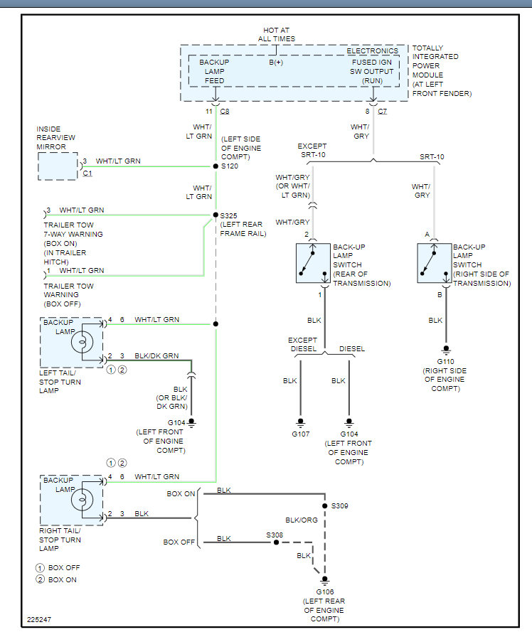
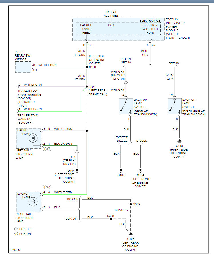
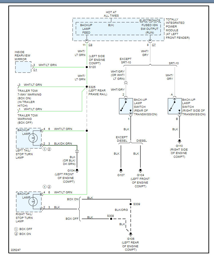
Please review the info below on this including the testing and wiring diagram. Plus the operation on how this works.

I attached the info as well on how to replace the TRS depending if you have the RFE or 42RLE transmission.

Please let us know if you have other questions. Thanks
Was this
answer
helpful?
Yes
No
+7
Monday, December 31st, 2012 AT 8:24 PM
Tiny
CARADIODOC
  • MECHANIC
  • 34,464 POSTS
This is just one more instance where the inappropriate use of technology has screwed the owner. For decades Chrysler had a very easy-to-diagnose and cheap-to-fix backup light / neutral safety switch. Now that job can't be done without involving a very unreliable computer. The tiny backup light switch is on the driver's side rear of the transmission, but it doesn't turn on the lights directly like it did for the last 40 years. It grounds a 5 volt signal, and that tells the Integrated Power Module to turn on a computer switching circuit to send current to the backup lights.

You can unplug the switch and ground the wire. If you get lucky and the lights turn on, replace the switch. If the lights still don't turn on, there could be a break in that wire, but more likely suspect the IPM. It is built into the under-hood fuse box and costs around $800.00 to do stuff computers were never needed for before.
Was this
answer
helpful?
Yes
No
+14
Monday, December 31st, 2012 AT 8:26 PM
Tiny
WRENCHTECH
  • MECHANIC
  • 20,761 POSTS
For better understanding, the Integrated Power Module is nothing but an exotic fuse box with some relays built into it. There is nothing electronic (solid state) about the backup light circuit. It can be tested with a normal 12 v test light.

Here is the service manual description of the circuit.

Vehicles equipped with a manual transmission have a normally open, spring-loaded plunger type backup lamp switch (2). Vehicles with an optional electronic automatic transmission have a Transmission Range Sensor (TRS) that is used to perform several functions, including that of the backup lamp switch. The Transmission Range Sensor (TRS) is part of the solenoid module, which is mounted to the top of the valve body inside the automatic transmission.

The backup lamp switch is located in a threaded hole on the side of the manual transmission housing. The switch has a threaded body and a hex formation near the plunger end of the switch. An integral connector receptacle at the end of the switch opposite the plunger connects the switch to the vehicle electrical system through a take out and connector of the engine wire harness. When installed, only the switch connector and the hex formation are visible on the outside of the transmission housing. The backup lamp switch cannot be adjusted or repaired and, if inoperative or damaged, the entire switch unit must be replaced.

The backup lamp switch controls the flow of battery voltage to the backup lamp bulbs through an output on the backup lamp feed circuit. The switch plunger is mechanically actuated by the gearshift mechanism within the transmission, which will depress the switch plunger and close the switch contacts whenever the reverse gear has been selected. The switch receives battery voltage through a fuse in the Totally Integrated Power Module (TIPM) on a fused ignition switch output (run) circuit whenever the ignition switch is in the On position. The backup lamp switch and circuits can be tested using conventional diagnostic tools and methods.

Testing and Inspection

Disconnect and isolate the battery negative cable.
Raise and support the vehicle.
Locate and disconnect the engine wire harness connector for the backup lamp switch.
Check for continuity between the two terminal pins in the backup lamp switch connector receptacle.

With the gear selector lever in the Reverse position, there should be continuity.
With the gear selector lever in any position other than Reverse, there should be no continuity.

If the switch fails either of these two continuity tests, replace the inoperative backup lamp switch.
Was this
answer
helpful?
Yes
No
+13
Monday, December 31st, 2012 AT 9:04 PM
Tiny
WRENCHTECH
  • MECHANIC
  • 20,761 POSTS
Its mounted on the valve body. May want to have a trans shop do this one

See pic below
Was this
answer
helpful?
Yes
No
Monday, December 31st, 2012 AT 9:07 PM
Tiny
CARADIODOC
  • MECHANIC
  • 34,464 POSTS
Well, we know you'll argue with anyone who disagrees with you. In this case the diagrams are right but the description is misleading. I helped a friend rebuild a smashed '06 dually diesel three years ago. He had it shipped from Salt Lake City to Wisconsin not realizing it had a 6-speed manual transmission but it has turned out to be a dandy vehicle and now he doesn't want to put it up for sale. It was hit so hard the engine was pushed back over a foot and the firewall was destroyed. My job was to modify the replacement heater box to make it a dual zone, (another gimmick), do some engine work to replace the power steering pump bracket, help with the frame straightening and firewall replacement, and replace the crushed connectors for the Integrated Power Module.

Contrary to what you believe about that module, it is full of electronics and is accessed by the scanner just like an Engine or Body Computer. The reason I know how this one works is when the truck was completed, it had no backup lights, no motorized pedals, and no 4wd lights on the dash. There is no relay anywhere for the backup lights, ... Until I added one. The switching is done electronically, and that is always less reliable than a simple mechanical switch. By testing the circuit is how I know that is a 5 volt signal that gets grounded out by the backup light switch. That is a standard computer sensor voltage. Those circuits need to have a supply voltage that is higher than what they're using for sensing so they can't work with 12 volts. Only a mechanical switch can work with any voltage.

The way it sounds like you think it grounds a relay would make perfect sense but relays can be easily replaced and they can be removed to perform electrical checks. Those are two things all car designers seem to want to avoid. All you can do is verify there's five volts at the switch, and the switch is grounding it to 0 volts. As I recall, there isn't even a dedicated fuse for the backup lights. If the switch tests pass and there's no 12 volts coming out for the lights, you're done. All you can do is order a new module. I suppose $800.00 is peanuts for some people but I'd sure rather own vehicles like mine that use a pretty reliable 15-dollar switch. When it comes to computer-controlled backup lights, what benefit has anyone seen or what do those vehicles do that mine doesn't?

Believe me I tried everything to make that module work so the truck would pass inspection. As a temporary measure, I wired in one relay to switch on the backup lights, and another to supply the voltage to the movable pedals when the ignition switch was on. There was no way to make the 4wd lights work because they were a part of the instrument cluster which is another unreliable computer. It required a computer signal from the data buss, and that wasn't coming. This might be one place where a computer circuit is more reliable than the troublesome 4wd switches of the past that got moisture in them, but those old switches were a lot easier and cheaper to replace.

Luckily the inspector didn't see the inoperative 4wd lights, but everything else worked to pass the inspection. Once the new IPM arrived and was installed, those lights and the other two functions worked fine but that was $800.00 my buddy hadn't planned on spending.

To be fair, the truck I helped with has a manual transmission so I never read about the range switch on automatics. Regardless, if you look at the diagram, it is still just a switch that grounds the same pin at the module so the operation should be the same. These circuits might work properly most of the time but so did simple switches. Explain the benefits of computer circuits to the owner as you hand him the estimate for repairs.

Just got done last week helping him with another '06 diesel with intermittent power locks. All remote, manual, and speed-related functions would go dead in cold weather. We got them to work by setting the truck outside, then heating the IPM with a hair drier. I have no idea how involving that computer in running door locks is an improvement over simple switches. Of course one press on the remote opens just the driver's door, and another press opens all four doors. I wonder if the owner of that truck thinks that feature is worth $800.00.
Was this
answer
helpful?
Yes
No
+2
Tuesday, January 1st, 2013 AT 2:12 AM
Tiny
WRENCHTECH
  • MECHANIC
  • 20,761 POSTS
That description wasn't written by me. It was written by the manufacturer.

The IPM consists of 2 parts, the PDC (mechanical) and the FCM which is electronic. The FMC (Front Control Module) only controls certain functions and the backup lights is not one of them. They are serviced separately.

Here is the MANUFACTURER's description of the IPM and the functions of the FMC.

The Front Control Module (FCM) is a micro controller located in the left front corner of the engine compartment. It is necessary to position the Integrated Power Module (IPM) aside in order to access the front control module on this vehicle. The FCM mates to the Power Distribution Center (PDC) to form the IPM. The IPM connects directly to the battery and provides the primary means of circuit protection and power distribution for all vehicle electrical systems. The FCM controls power to some of the vehicle systems electrical and electromechanical loads based on inputs received from hard wired switch inputs and data received on the PCI bus circuit.

As messages are sent over the Programmable Communications Interface (PCI) data bus circuit, the Front Control Module (FCM) reads these messages and controls power to some of the vehicles electrical systems by completing the circuit to ground (low side driver) or completing the circuit to 12 volt power (high side driver). The following functions are Controlled by the FCM:

Headlamp Power with Voltage Regulation
Windshield Wiper "ON/OFF" Relay Actuation
Windshield Wiper "HI/LO" Relay Actuation
Windshield Washer Pump Motor
Fog Lamp Relay Actuation
Park Lamp Relay Actuation
Horn Relay Actuation

The following inputs are Received/Monitored by the FCM:

B+ Connection Detection
Power Ground
Ambient Temperature Sensing
Ignition Switch Run
Washer Fluid Level Switch
Windshield Wiper Park Switch
PCI Data Bus Circuit
Was this
answer
helpful?
Yes
No
+3
Tuesday, January 1st, 2013 AT 2:25 AM
Tiny
PLUMCRAZYINNY
  • MEMBER
  • 1 POST
  • 2000 DODGE RAM
  • 6 CYL
  • 4WD
  • MANUAL
  • 212,978 MILES
2000 Dodge 2500 Turbo Diesel Quad Cab 4x4 with trailer towing package

5-speed Manual Transmission

Problem - No Backup Lights

All exterior/interior lights operate properly.

Diagnosis backup switch is energized with the connector pins jumped backup lights don't energize.

Reviewing wire diagrams it appears that there are common grounds thus it is assumed it is not a ground problem.

Is their a common problem with the backup lights?
Was this
answer
helpful?
Yes
No
+2
Wednesday, May 1st, 2019 AT 6:44 PM (Merged)
Tiny
JDL
  • MECHANIC
  • 16,098 POSTS
Do you have voltage at the backup lamp switch? Maybe there is wiring problem from the switch to light? Do you have voltage at the lite?

I attached below how to test the switch. Please run through this and let us know if you have other questions.
Was this
answer
helpful?
Yes
No
+4
Wednesday, May 1st, 2019 AT 6:44 PM (Merged)

Please login or register to post a reply.