Rear running lights not working?

Tiny
WENS1989
  • MEMBER
  • 2005 CHRYSLER TOWN AND COUNTRY
  • V6
  • 2WD
  • AUTOMATIC
  • 175,000 MILES
We purchased the van listed above used and noticed right away that there was an electrical issue. I had the battery and alternator tested to see if they were bad and was told the battery was. Went to replace the battery, the new place tested it and said it was fine. Husband goes to hook it up, blows half the post off the battery. Takes it in for a new one, turns out it wasn’t the right size. Get a new battery, the issues stopped, but, the radio didn’t work, interior lights aren’t working, the lights behind the gauges aren’t working but the mileage and engine light are. At first the heat wasn’t working. After replacing a fuse, I can control the fan speed but not the temperature or position of heating. The rear windshield wipers won’t work along with Defog. So, we go to the fuse box. Replace a 20 fuse and the radio is working. So, I have radio and heat
A few weeks later my turn signal and brake light are out. Replace those and they are working. In the process I noticed the mount light was out, replaced that. After replacing all that, I have front running lights but no rear running lights. Brake lights and turn signals work fine.
Short in the wire? Is the fuse box shot? There is only one fuse box on these vans, correct?
I’m at my wits end. I have a vehicle with a blown engine, a vehicle with a bad cam shaft, and now this. I bought this vehicle to get us from point A to B! Other than described, the exterior is rough, but it only needs an O2 sensor and strut work.
Sunday, December 3rd, 2023 AT 8:08 PM

3 Replies

Tiny
KEN L
  • MASTER CERTIFIED MECHANIC
  • 55,538 POSTS
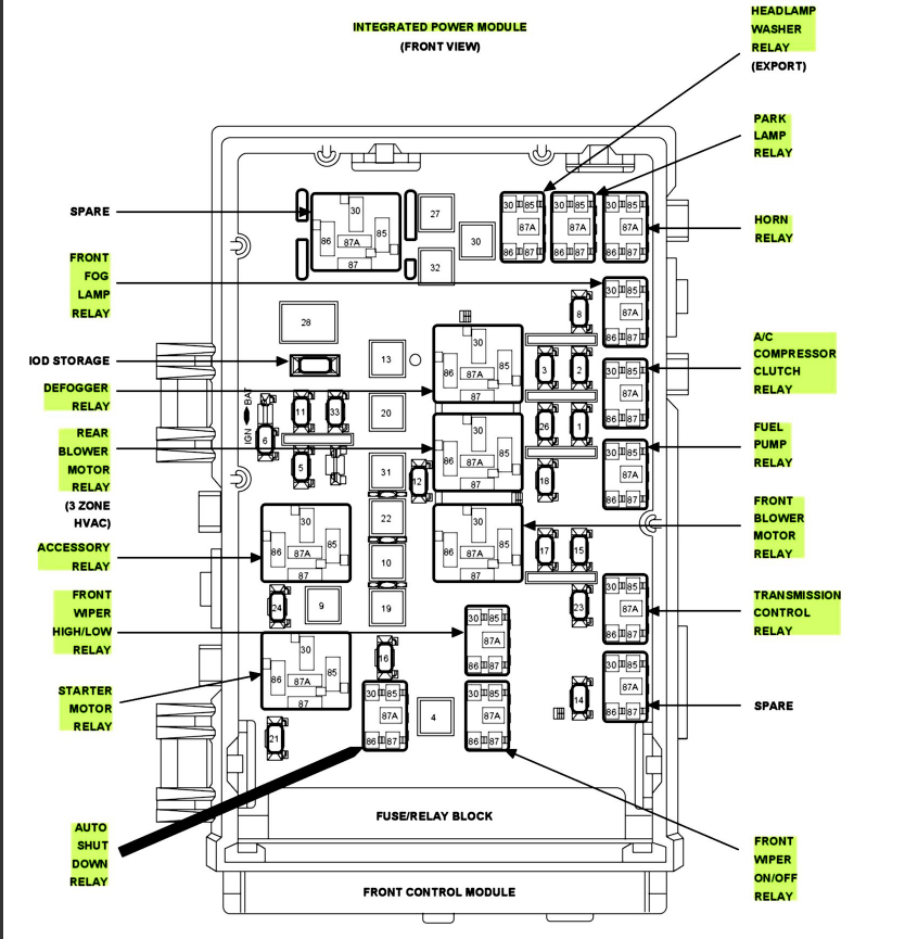
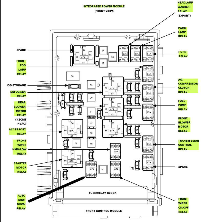
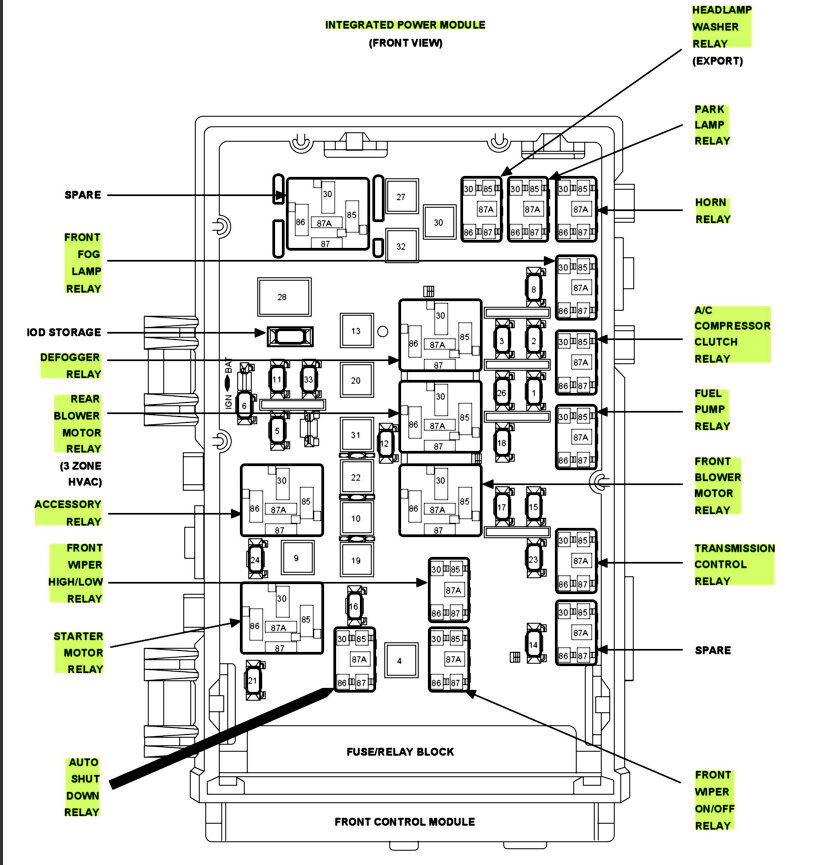
Did the battery post blow off because of an electrical event or when he was tightening the cable? It sounds like you have an IPM (integrated power module) that is going out but let's check the #2 and #3 in the fuse panel under the hood to be sure.

This guide can help you:

https://www.2carpros.com/articles/how-to-check-a-car-fuse

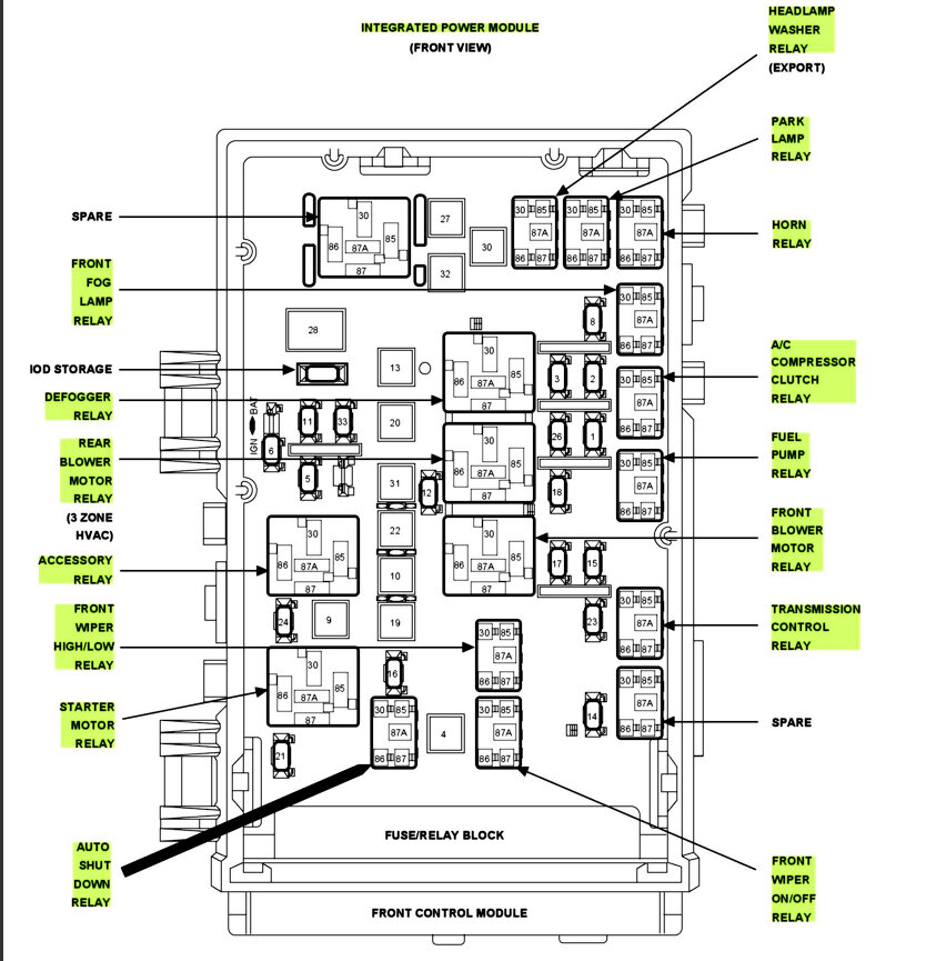
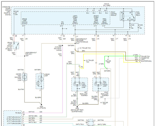
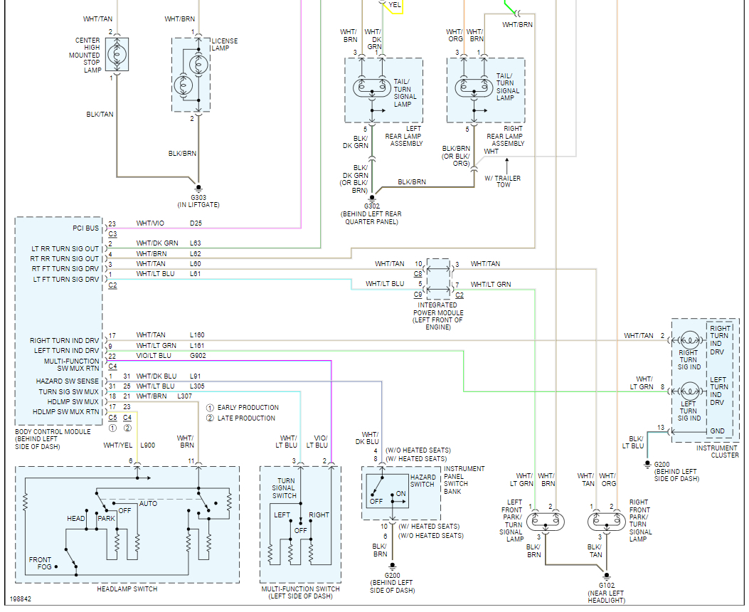
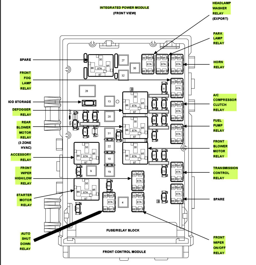
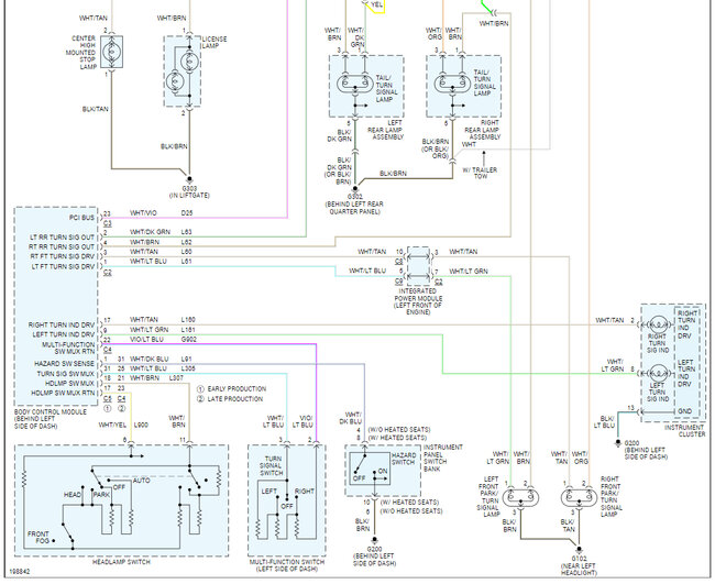
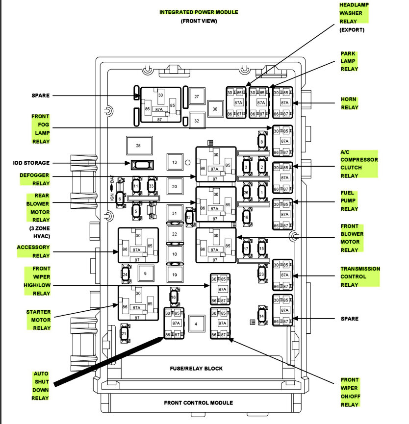
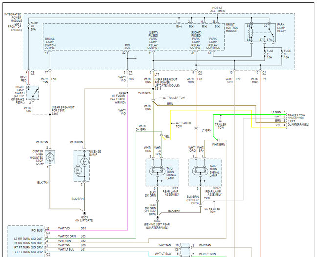
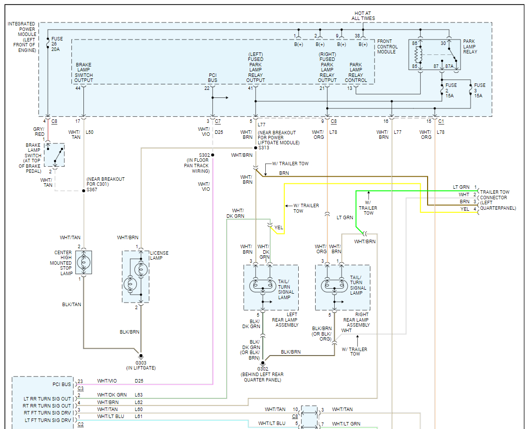
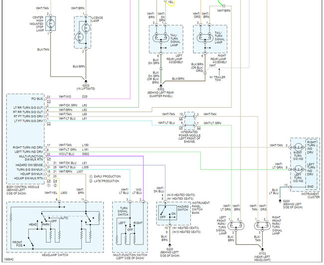
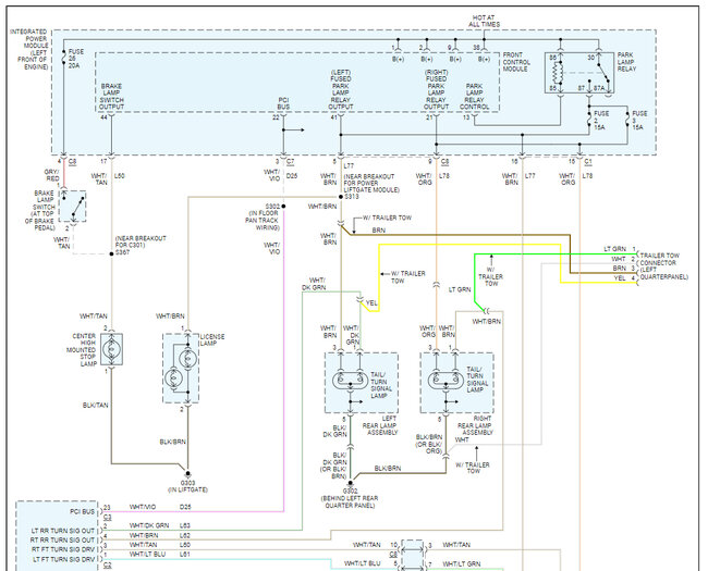
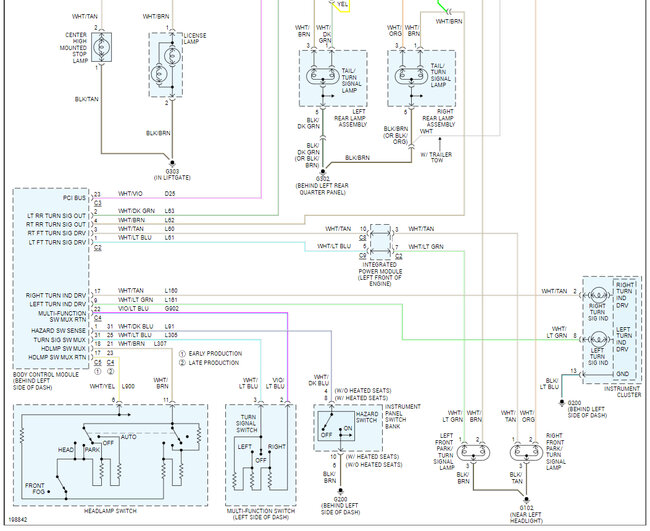
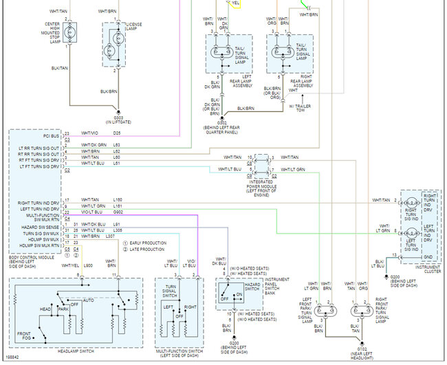
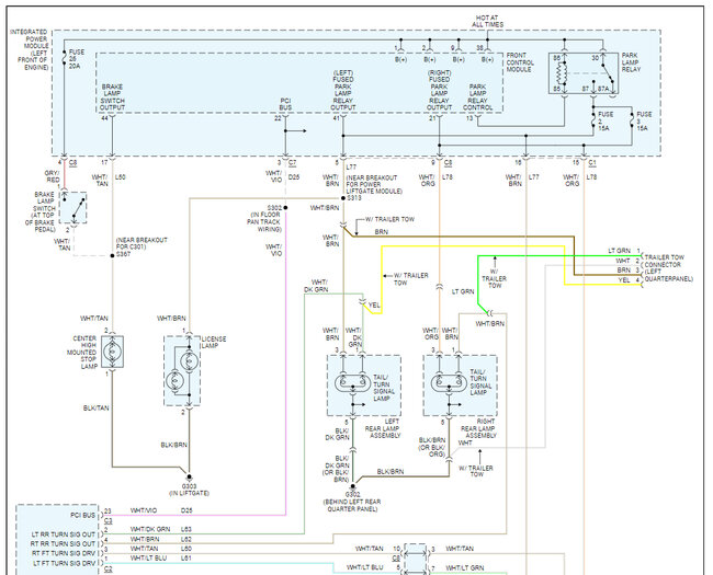
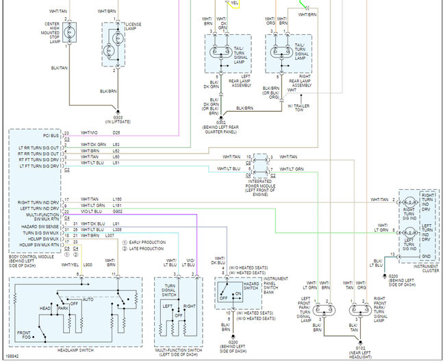
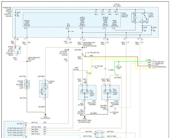
Here is the locations of the fuses, also I have included a guide to help you test for power and ground at the running light sockets.

https://www.2carpros.com/articles/no-tail-lights-exterior-running-lights-tail-lights-out

Please go over these guides if the ground and fuses are good, I would replace the IPM which is easy because it-self learns. Here are the running light wiring diagrams so you can see how the system works. Check out the images (below). Please upload pictures or videos of the problem so we can see what's going on.
Was this
answer
helpful?
Yes
No
+1
Monday, December 4th, 2023 AT 12:29 PM
Tiny
WENS1989
  • MEMBER
  • 2 POSTS
The battery post blew up as he was connecting it. I will post an update after we go over these steps. I appreciate your response.
Was this
answer
helpful?
Yes
No
Tuesday, December 5th, 2023 AT 6:33 AM
Tiny
KEN L
  • MASTER CERTIFIED MECHANIC
  • 55,538 POSTS
You are welcome, I hope nobody was hurt. Is there a chance the battery was connected backwards? If so, this guide can help:

https://www.2carpros.com/articles/resolving-reverse-battery-connection-in-cars-a-step-by-step-repair-guide

Please go over this guide and get back to us.
Was this
answer
helpful?
Yes
No
Tuesday, December 5th, 2023 AT 10:42 AM

Please login or register to post a reply.