The rear blinkers, brake and taillights are not working?

Tiny
DRANMA
  • MEMBER
  • 2007 CHEVROLET MALIBU
  • 4 CYL
  • 2WD
  • AUTOMATIC
  • 250,000 MILES
I replaced the bulbs, but they still don't work. The front blinkers work only.
Monday, September 18th, 2023 AT 2:23 PM

4 Replies

Tiny
JACOBANDNICKOLAS
  • MECHANIC
  • 110,192 POSTS
Hi,

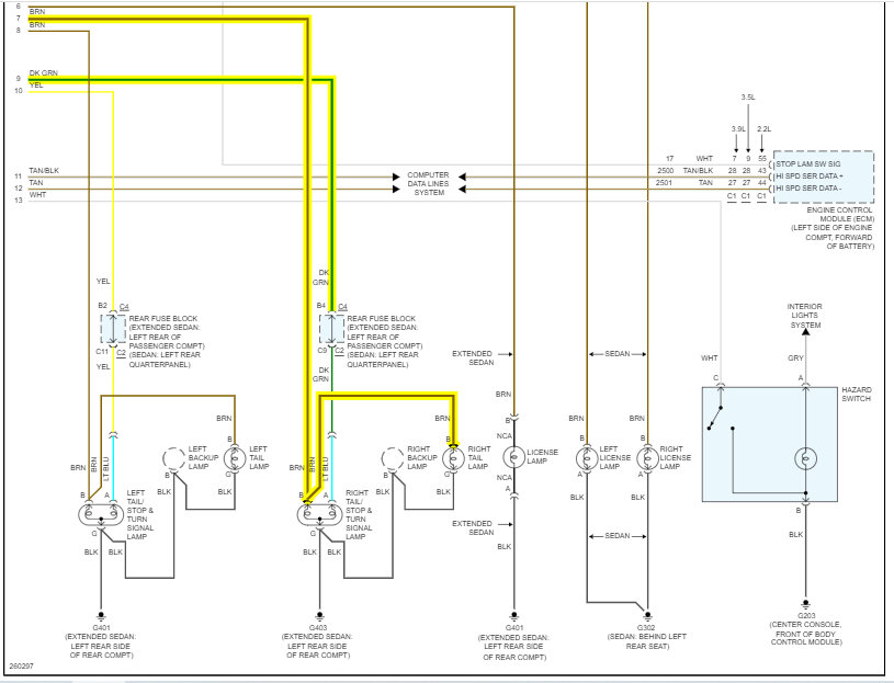
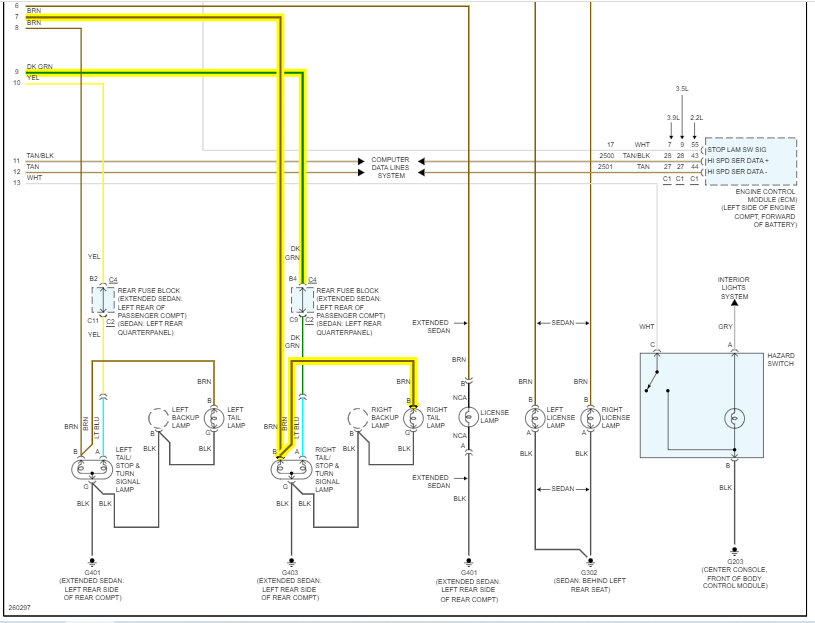
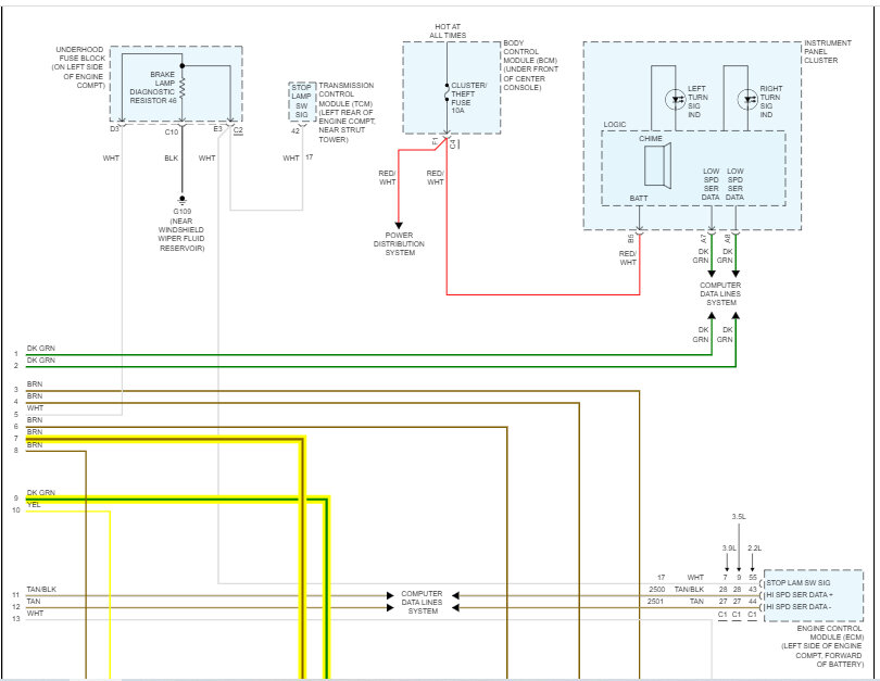
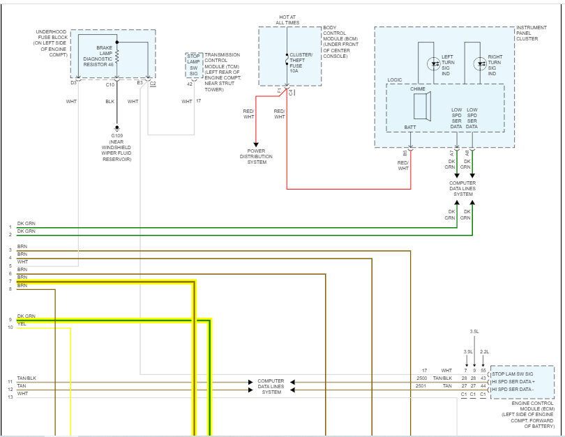
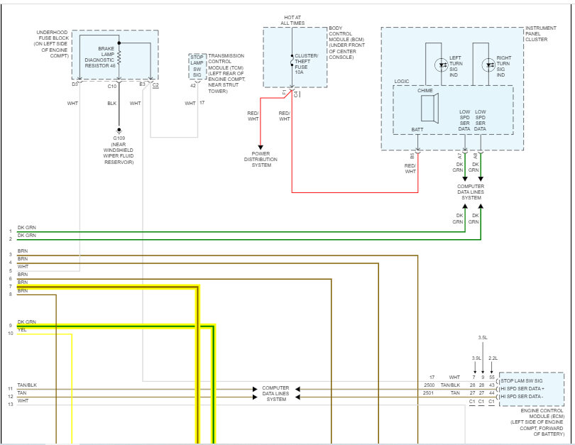
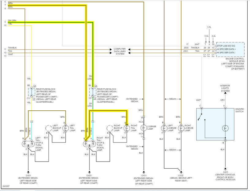
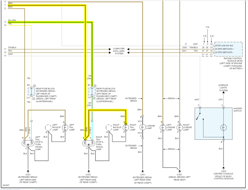
First, I attached the exterior lighting schematic for you so that you would have a reference.

I went through the schematic and want to note a couple of things. First, both the left and right-side lamp assemblies have different grounding points, so unless they both failed at the same time, I don't suspect that is the issue.

Next, both the front and rear parking lamps get power from the same relay, so if the front works, it isn't a power issue from the relay.

That takes me to the body control module or damaged wiring. I have to ask, does anything in the rear work? For example, do the license plate lights work or the center high mount stop light work (CHMSL)?

If I'm reading the schematics correctly, the turn signal function is provided by the body control module (BCM) and the parking lamps get power from the parking lamp relay (rear fuse box). However, the BCM is required to actuate the relay to send power to the lighting, so, this is a confusing one.

At this point, I am not 100% sure what is happening. Let me know if anything is working on the rear and if this all happened at one time. If it did, my first suspect is the BCM because it is odd that all the different power supplies to the rear and different grounding locations would have failed at the same time unless somehow all supply wires to the rear broke at the same time.

Let me know.

Joe

See pics below. Note: Ignore the highlighted wires. I did that to see if power was coming from the same place for the front and rear lamps.
Was this
answer
helpful?
Yes
No
Monday, September 18th, 2023 AT 6:51 PM
Tiny
DRANMA
  • MEMBER
  • 6 POSTS
Hi, so I checked my car and there are taillights and back up lights but no brake lights and no blinker lights, also one of the rear blinker lights went out before the other one went out.
Was this
answer
helpful?
Yes
No
Wednesday, September 20th, 2023 AT 8:08 AM
Tiny
DRANMA
  • MEMBER
  • 6 POSTS
What could it be if my rear lights worked but the brake lights and blinkers in the rear do not work and they went out at different times?
Was this
answer
helpful?
Yes
No
Wednesday, September 20th, 2023 AT 10:30 AM
Tiny
JACOBANDNICKOLAS
  • MECHANIC
  • 110,192 POSTS
Hi,

The brake/signal lamps are dual-element bulbs. One element may have failed while the other is good. Thus, the parking lamp works, and the signal/brake lamps don't. If one side went out before the other, this is what I suspect has happened.

Since you have already replaced the bulbs, are you sure the correct bulbs were installed? You can fit a single-element bulb into the socket on these vehicles.

Let me know.

Joe
Was this
answer
helpful?
Yes
No
Thursday, September 21st, 2023 AT 6:24 PM

Please login or register to post a reply.