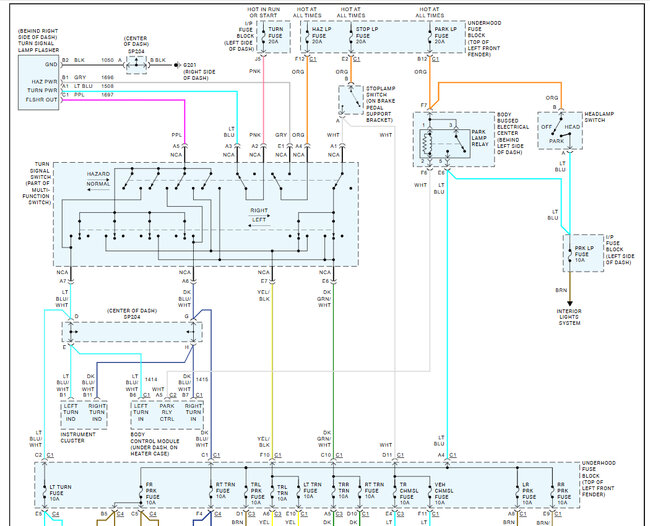
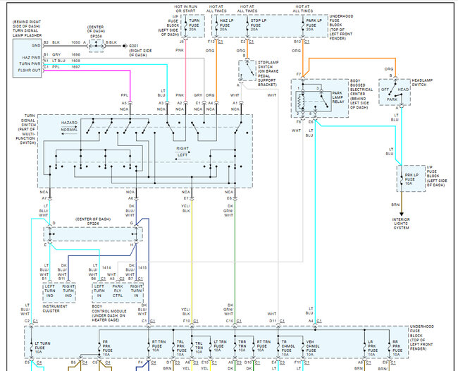
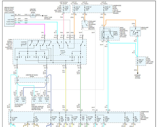
Sunday, July 20th, 2025 AT 6:33 PM
Lost all rear brake/running lights. Wrenched for 11 years. Upper top brake light works. Should rule out stop switch. Blowing the 10 amp fuse under the hood r/l park. More fun, fighting the blazer mysterious voltage drop. New battery, alternator, mod done for alternator per service bulletin. Tore the trailer hitch wiring apart to make sure nothing touching. Don't know if the two are related, all new bulbs. License plate lights work, cut that green connector out years ago, reverse lights work, same harness as the stop/turn/running.


