Thursday, September 15th, 2016 AT 11:25 AM
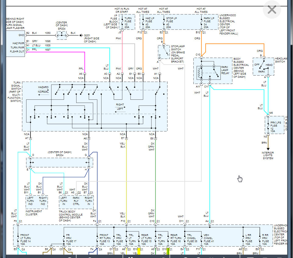
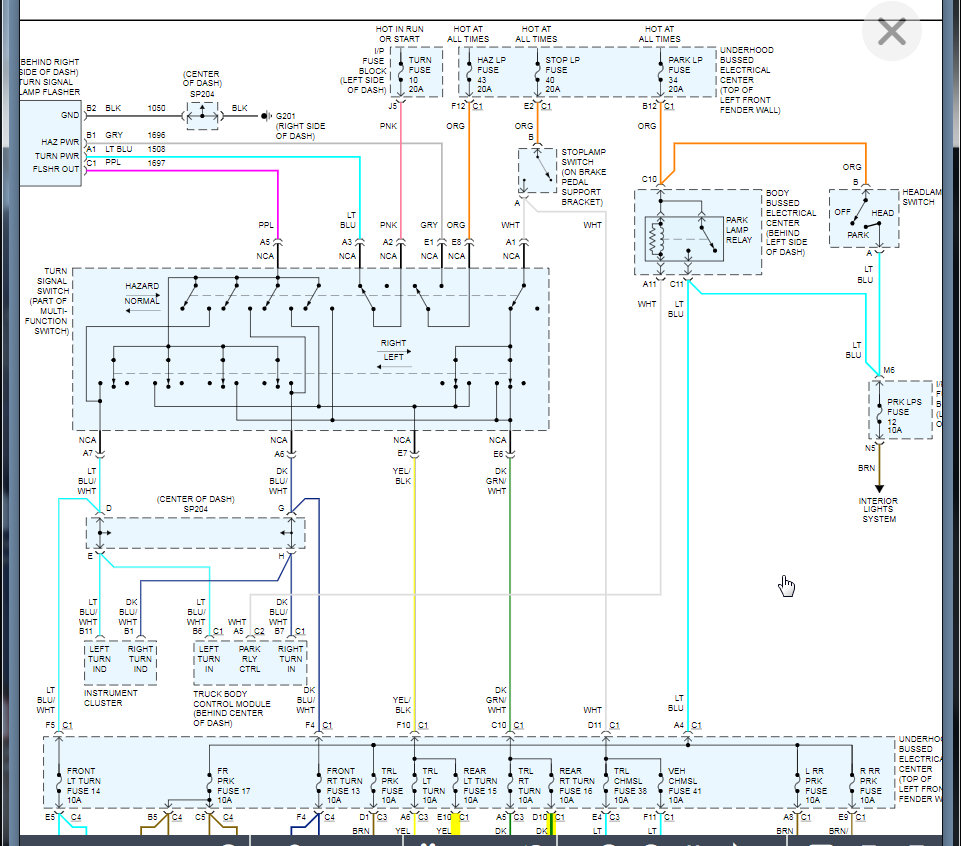
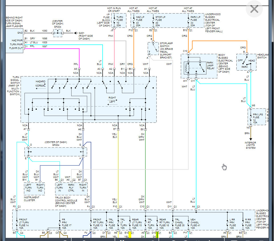
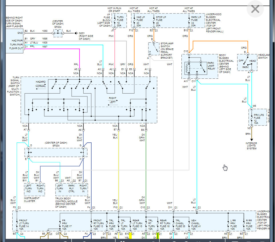
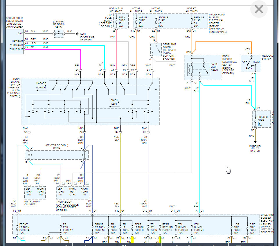
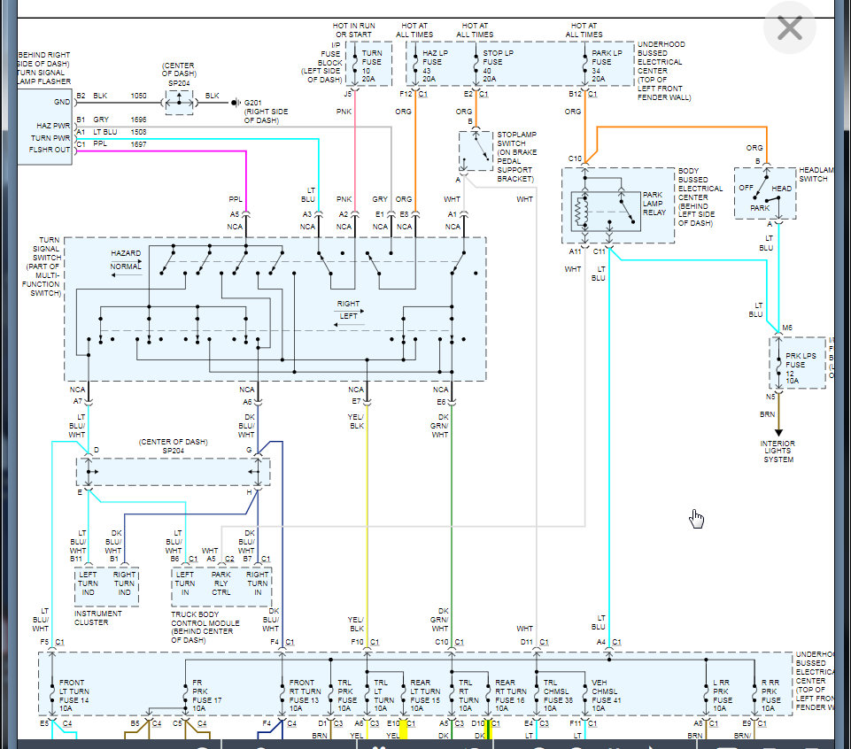
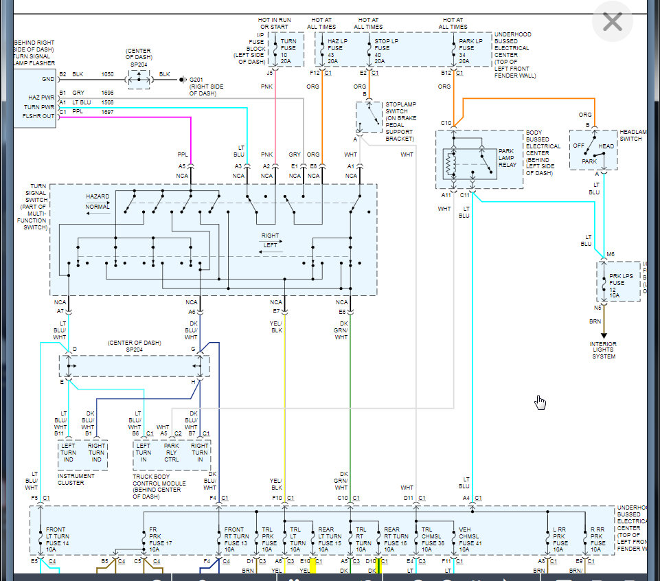
My SUV has two front right parking lights. One is a 2057 and it works, but the other is a yellow 194 bulb which will not light. Bulb is good but will not light when you turn on the parking lights. Also the green right side turn signal light in the dash comes on also when you turn the parking lights on. I have tested the socket and I am getting power to it. I have tested the ground side of the socket and it was okay, but I have not checked it with the light switch on yet. I know the electric in these newer cars are crazy to work on. Where is the best place to start tracking the problem down?








