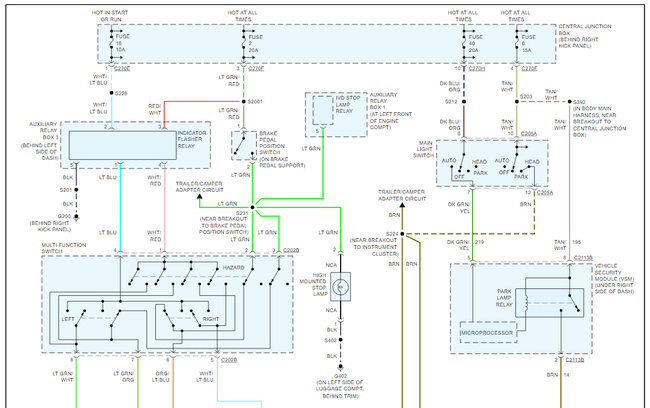
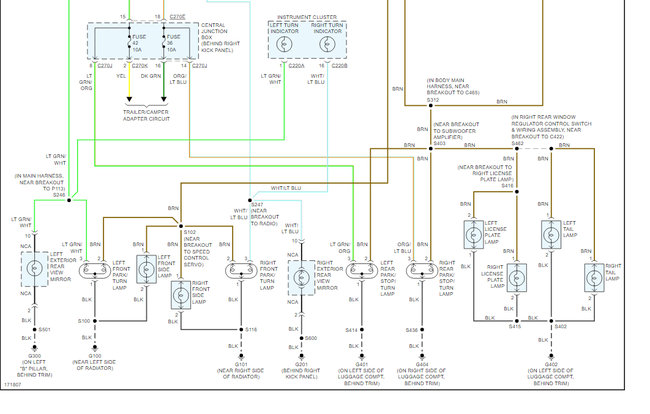
Friday, June 30th, 2017 AT 9:26 PM
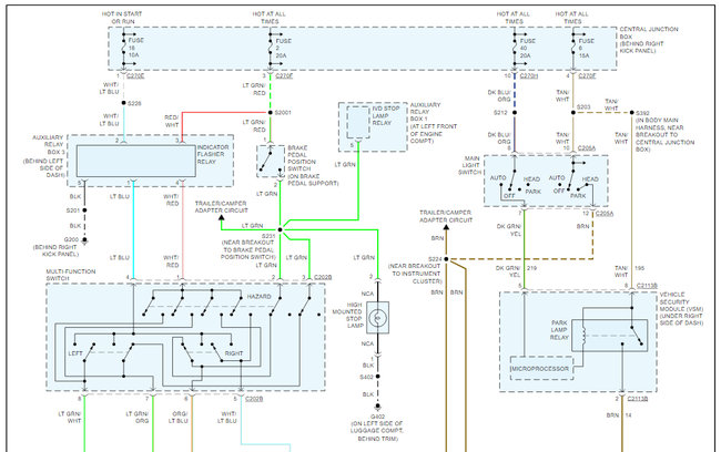
My rear blinkers, brake and hazards are not working. I have checked fuses, and replaced flasher relay and brake light switch. What could it be?


