No power to obd2 code reader

2002 VOLKSWAGEN CABRIOLET
150,000 MILES • 4 CYL • 2WD • AUTOMATIC
Avatar
SAM CRENSHAW
  • MEMBER
  • 52 POSTS
The reader works. I used it on my other vehicle to confirm.
The key was in the "on" position.
The fuse for the cigarette lighter (22) is fine.
My test light shows no reaction from pin hole 16.
Tested the test light and it's working fine.

Next step?
Jan 26, 2022 at 11:32 AM
Repair Safety Notice: This information is for general instructional purposes only. Vehicle repair can be dangerous. Verify all information, follow manufacturer service procedures, use proper tools and safety equipment, and consult a qualified repair shop when needed.
Advertisement
Avatar
AL514
  • CAR REPAIR CONTRIBUTOR
  • 5,489 POSTS
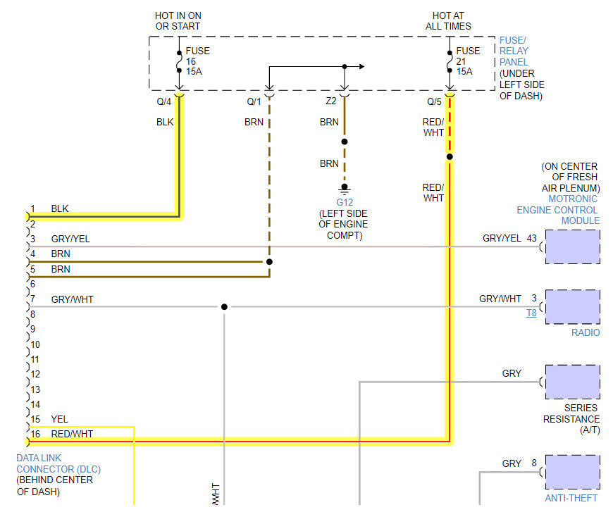
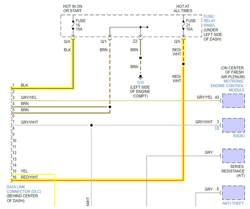
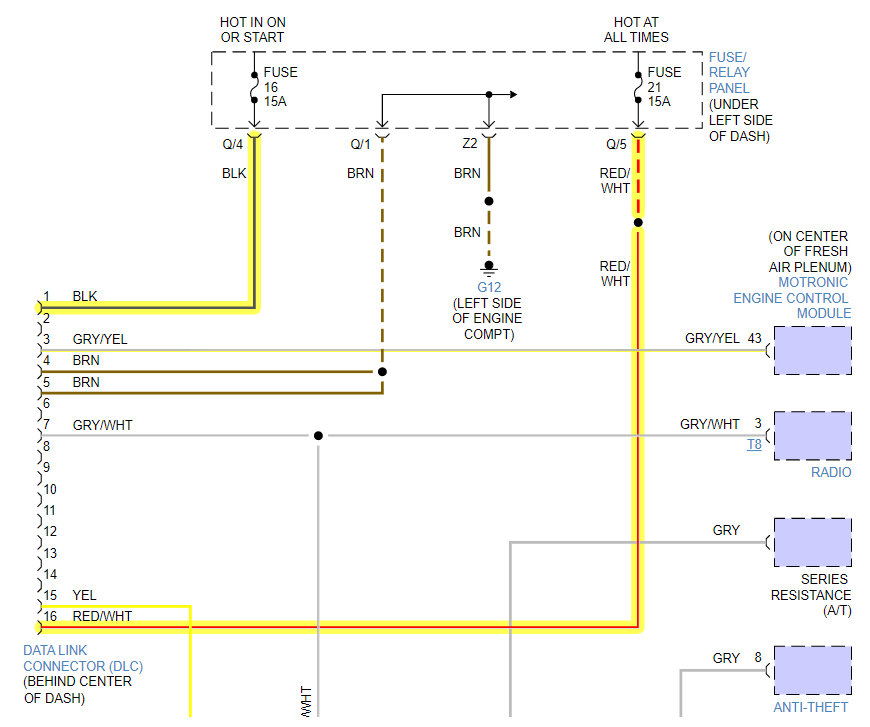
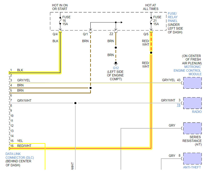
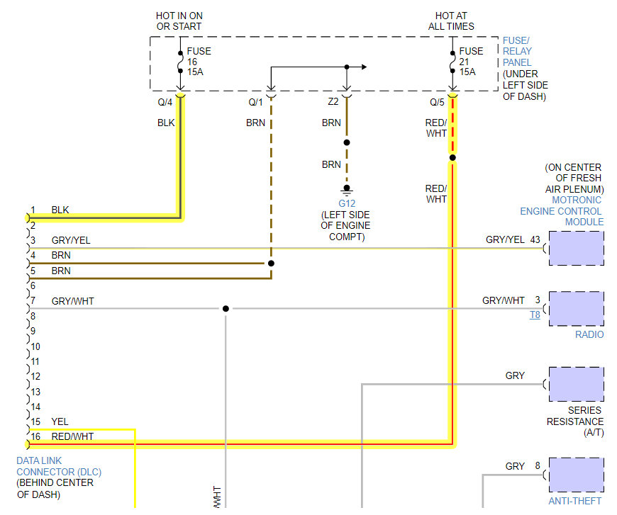
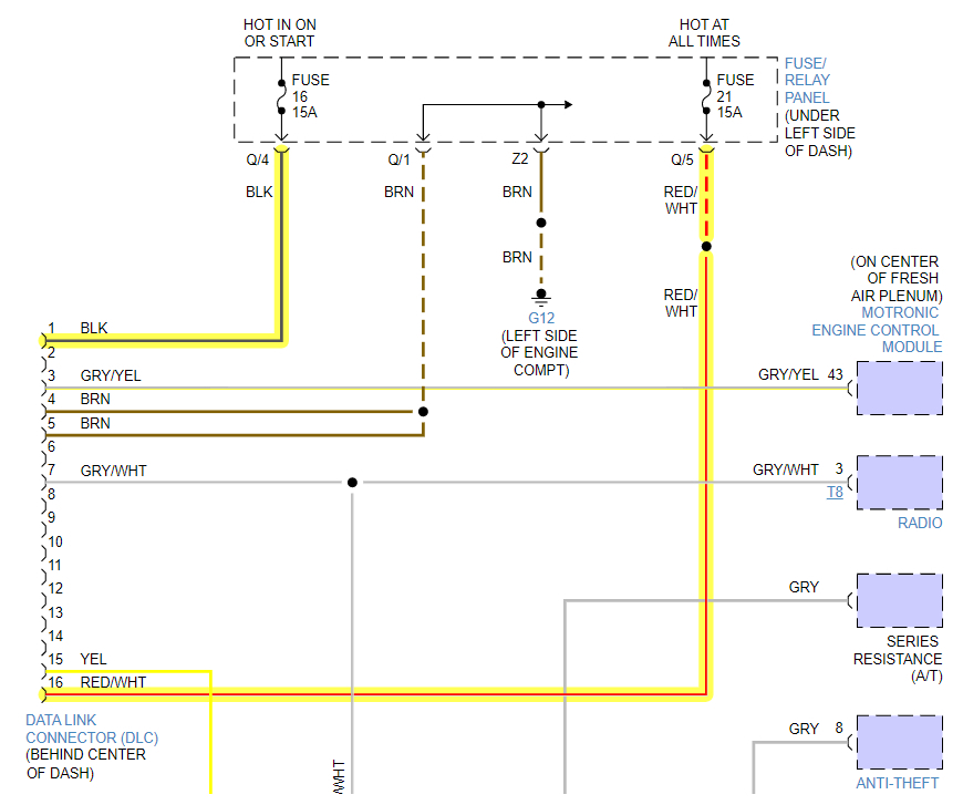
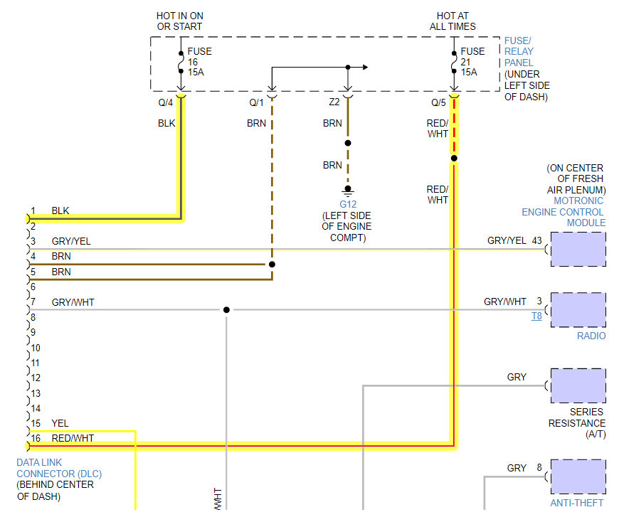
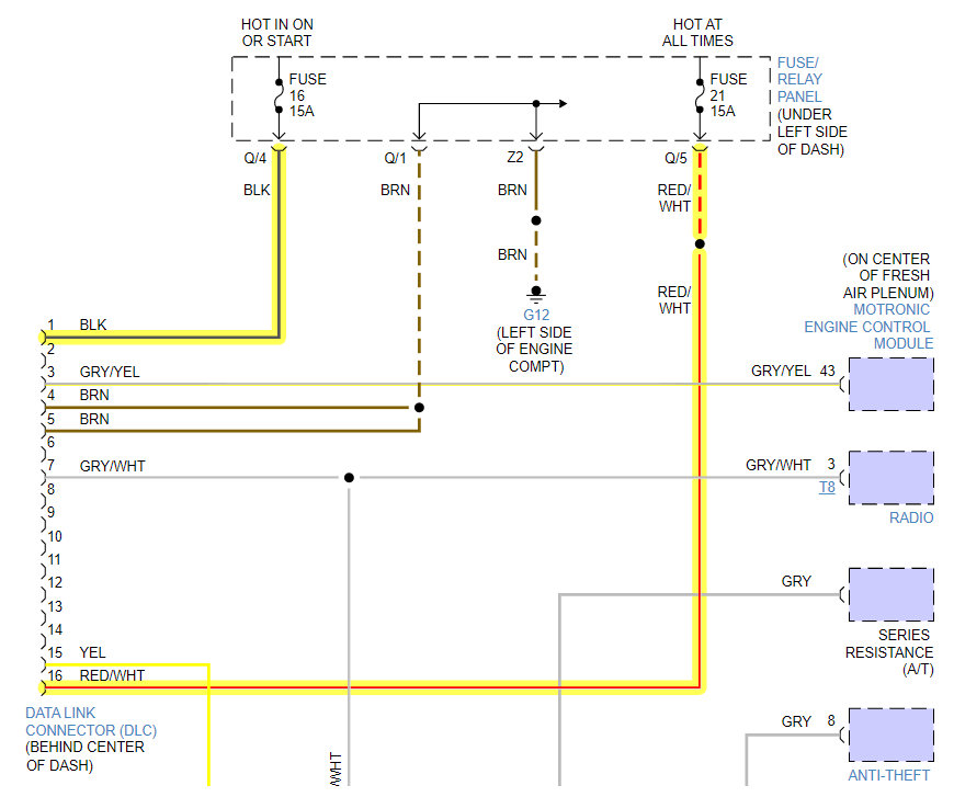
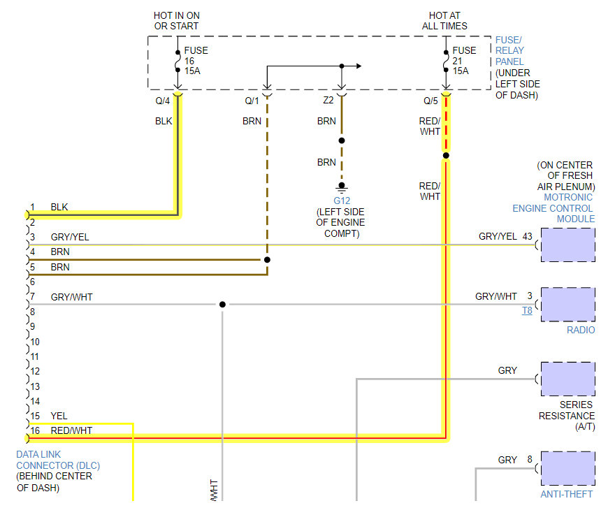
Hello, we have a wiring diagram from a Cabrio. I'm not sure if that's the same exact model, but it shows power on Pin 16 and Pin 1, Ground on Pins 4 and 5. So fuse #21 and fuse #16. If you have a blown fuse, I would be careful and find the short to ground before hooking in a scan tool. It may damage the scan tool if it shorts to ground again when you turn the key on. So do your checks on the circuit before hooking up anymore scan tools. Fuses don't blow for no reason.
There's a Technical Service Bulletin on some of these vehicles about some of the pins being in the wrong position as well.

https://www.2carpros.com/articles/how-to-check-a-car-fuse
Jan 26, 2022 at 12:45 PM
Advertisement
Avatar
SAM CRENSHAW
  • MEMBER
  • 52 POSTS
Yep. Fuse 21 was blown. Someone had put a 30a in there when your diagram calls for 15a (recently purchased car) probably, of course, to try to avoid the real issue.

Do you have a tutorial for locating a short?

Also, do you have a list of what all fuse 21 protects?

Thanks so much.
Jan 26, 2022 at 2:12 PM
Avatar
AL514
  • CAR REPAIR CONTRIBUTOR
  • 5,489 POSTS
Well, we don't really have a guide for short circuits, you should start by checking the easy things. I've underlined the Lighting circuits which are easiest to check to begin with. I will post the location of the other components to check. While checking these lighting circuits first, make sure that the socket for the light bulb is ok, it's not corroded in anyway or that the wiring to that light doesn't have a spot where the insolation has been rubbed threw and the wire is touching bare metal. Most shorts to ground are at Contact points, which is anywhere the wiring harness contacts the engine block, the frame, really any spot where the harness could have potentially rubbed through the insolation. Be careful moving the harness too much. Look more than move parts of the harness. I say this because you can accidentally move the part of the wiring harness that is shorted away from the area that is shorted and you'll never find the problem. Usually, we would put a circuit breaker in the position of the Fuse, because you have to be extremely careful, you don't want this short to burn out any modules on that circuit, which you do have. This may or may not be something you're comfortable doing. There is a risk.

That being said, if you have an automotive 12volt test light, I'm going to post a video that has to deal with shorts to ground. What I would do in your case is, since this video is going to show you to put a test light in place of the fuse. Since you have probably never done this before, I would use the test to check the circuit but not leave it in there the whole time. I would unplug components on the circuit and then check at the Fuse location with the test light if you still have a short to ground. That way your not energizing the circuit the entire time and risk burning up a module or other component. So, for instance, unplug some of these lighting circuit bulbs, check the fuse location with the test light, if the light is still being lit at the fuse location, move on to the next component. Youve got some locking switches on this circuit, the instrument cluster (is that working by the way?), the radio, Alarm system light, etc.
The one I would be concerned the most with is the Central Locking System Pump and Control Module. You don't want to burn those out. I'm assuming that your locking system is not working either.
So, start by unplugging all these light bulbs on the circuit, and the radio. If you go across the fuse with a test light and it lights, you still have a short to ground. Because you will have power on one side of the fuse location and the short to ground on the other side. I will look for the locations of these other components for you. These Door lock switches also; you may have to remove the door panels to get to these. But take your time, be sure of what you're always doing, Ill post the locations as I find the information,
One other thing. This radio may take a code to get working again once unplugged. Do you have that?

https://www.youtube.com/watch?v=GzPrQc0mpg0

https://www.2carpros.com/articles/how-to-check-wiring
Jan 26, 2022 at 3:13 PM
Avatar
AL514
  • CAR REPAIR CONTRIBUTOR
  • 5,489 POSTS
Okay, right from the start. a lot of this has to do with the alarm system and central locking system. This may not be easy at all. This Central system Locking Pump and control module are located in the trunk in the right rear.
And is there a Sub-Model to this vehicle? GL, GLS, GLX?
This is pretty much all alarm system components and locking switches. You might start with the trunk components, there is a Release Solenoid and a Release Switch, if you unplug these leave the trunk open. I'm not sure if they are for an electronic switching opening type system, and I don't want you to get locked out of your trunk.
There's also the Front Door contact switches, those are easy to get to. The little switch that's in the door opening.
Jan 26, 2022 at 3:18 PM