No power to motor fan resistor?

Tiny
EARL91
  • MEMBER
  • 2002 CHRYSLER TOWN AND COUNTRY
  • 3.8L
  • 2WD
  • AUTOMATIC
  • 245,000 MILES
I have no power to the motor fan resistor. Any way I could get a wiring diagram to help track down my issue. Please and thank you.
Monday, April 22nd, 2024 AT 12:20 PM

6 Replies

Tiny
JACOBANDNICKOLAS
  • MECHANIC
  • 110,192 POSTS
Hi,

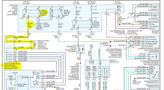
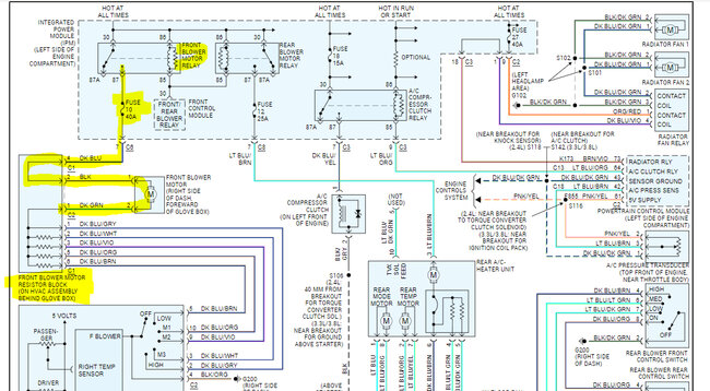
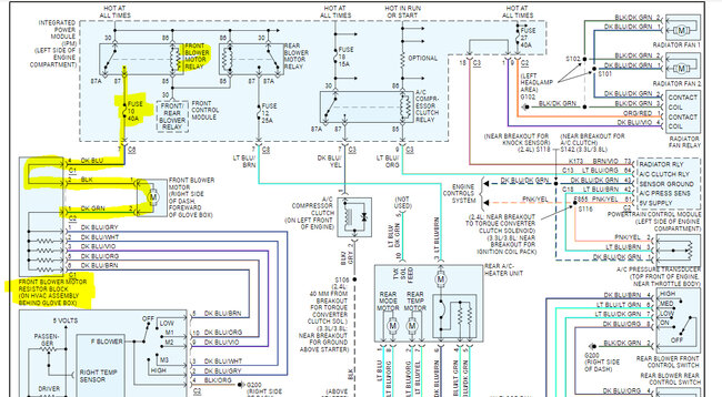
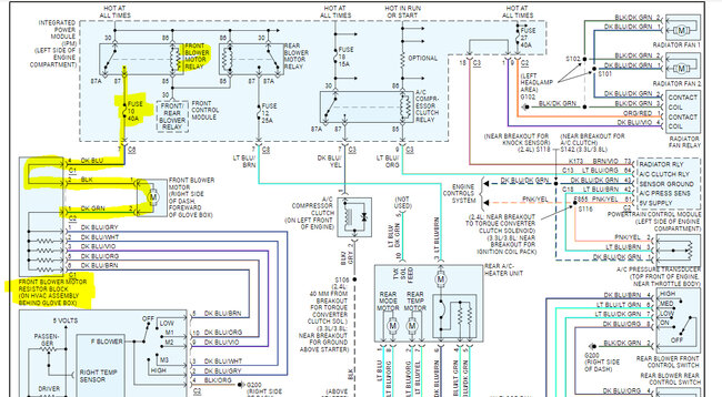
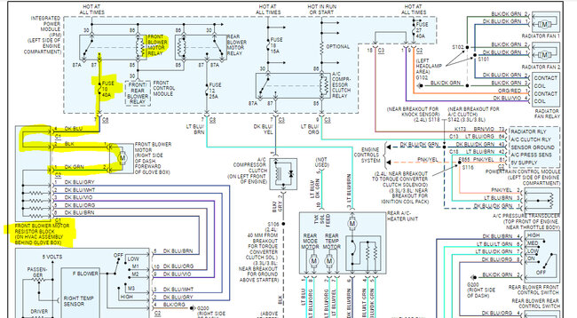
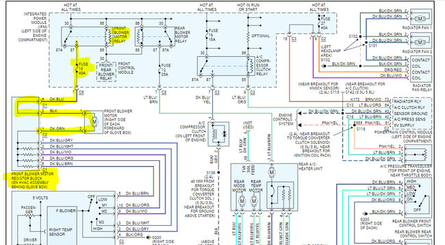
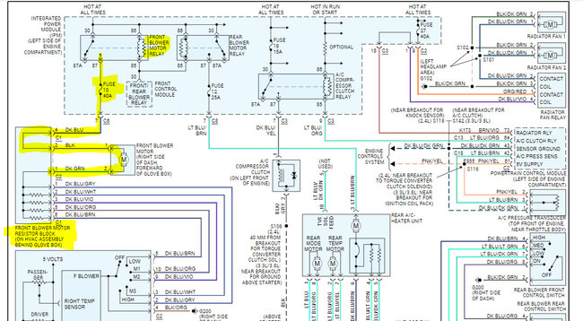
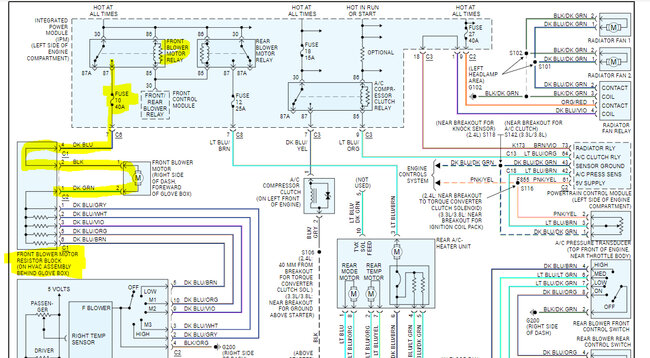
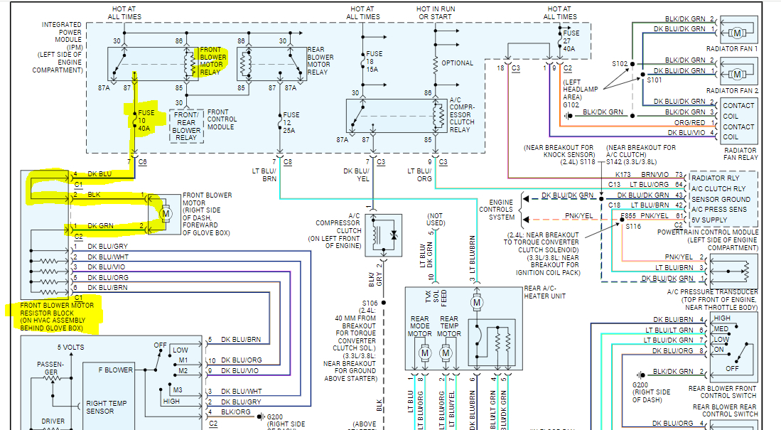
I attached the wiring schematic below for a manual climate control. If you have an automatic climate control system, let me know.

As far as power to the resister, there is a 40-amp fuse and a blower motor relay. Both are located in the power distribution module under the hood,

Note that this vehicle has an integrated power module. These have a history of connector pin failure, so that is something to keep in mind.

Take a look at the schematic and let me know if it helps and what you find.

Take care,

Joe

See pics below. Note: I cut the schematic in half to make it readable for you. I did overlap the two so you can follow from one to the next.
Was this
answer
helpful?
Yes
No
Monday, April 22nd, 2024 AT 8:53 PM
Tiny
EARL91
  • MEMBER
  • 89 POSTS
I believe it has a bad PCM. Vehicle has a bunch of electrical issues and a can bus problem.
Was this
answer
helpful?
Yes
No
Tuesday, April 23rd, 2024 AT 8:15 AM
Tiny
JACOBANDNICKOLAS
  • MECHANIC
  • 110,192 POSTS
Hi,

Do you have power to the blower motor resistor if you jump pins 30 and 87 at the blower motor relay?

If I had to guess, I would say the integrated power module has failed. Check the connectors to it under the hood to see if any are damaged, corroded, or actually broken.

Let me know.

Joe
Was this
answer
helpful?
Yes
No
Tuesday, April 23rd, 2024 AT 5:57 PM
Tiny
EARL91
  • MEMBER
  • 89 POSTS
So, the window do not work, headlights don't work, and the A/C and heat and fans do not work. Help please.
Was this
answer
helpful?
Yes
No
Wednesday, June 5th, 2024 AT 6:52 AM
Tiny
EARL91
  • MEMBER
  • 89 POSTS
Any chance you have a wiring diagram for all ground locations. I found that the ground going to the motor mount is arcing throwing sparks and gets really hot. So there must be a short somewhere.
Was this
answer
helpful?
Yes
No
Thursday, June 6th, 2024 AT 7:49 AM
Tiny
JACOBANDNICKOLAS
  • MECHANIC
  • 110,192 POSTS
Hi,

Check to make sure where the wire that is sparking attaches is clean and tight. Inspect that wire. If you are seeing sparks, that is the likely spot where the problem is located. Note: I assume the sparks occur when you place an electrical load on the system. If that isn't correct let me know.

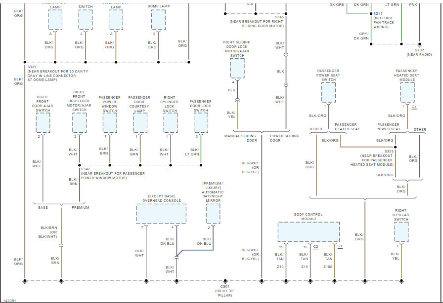
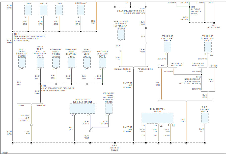
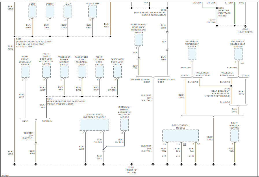
As far as the grounds, I attached the engine ground distribution schematic below. It was three pages long in my manual. I had to cut each page in half to make them readable. I did overlap them so you can follow from one to the next.

Let me know what you find.

Take care,

Joe

See pic below.
Was this
answer
helpful?
Yes
No
Thursday, June 6th, 2024 AT 7:42 PM

Please login or register to post a reply.