HOME
ASK A QUESTION
REPAIR GUIDES
BECOME A MEMBER
LOG IN
Login with Facebook
OR
Remember me
NOT A MEMBER?
FORGOT PASSWORD?
CONTACT US
PRIVACY POLICY
TERMS AND CONDITIONS
☰
Home
Chevrolet
Monte Carlo
Fuel System
Fuel Pump
Fuse
No power to fuel pump
DANROL
MEMBER
2007 CHEVROLET MONTE CARLO
3.5L
6 CYL
2WD
AUTOMATIC
140,000 MILES
Relay and fuse good. Is there a fuel shut off and where is it?
Monday, September 24th, 2018 AT 10:01 AM
1 Reply
ASEMASTER6371
MECHANIC
52,796 POSTS
Good morning.
No, there is no fuel shut off.
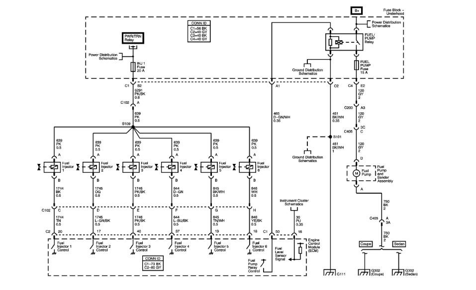
I will attach a wire diagram for you to view. Check for power on both sides of the fuse with the key cranking.
There will be power there for two seconds with the key on, engine off.
Roy
Image (Click to make bigger)
Was this
answer
helpful?
Yes
No
-1
Monday, September 24th, 2018 AT 10:42 AM
Please
login
or
register
to post a reply.
Related Fuel System Fuel Pump Fuse Content
Fuel Pump Problem
Monte Carlo 97 No Power To Fuel Pump, Fp Rely Have Current On Top Left Terminal Of Fuse Panel, How To Bypass Fp Rely Or What You Recommend...
Asked by
Lautaro
·
5 ANSWERS
1997
CHEVROLET MONTE CARLO
VIDEO
Fuel Pump Control Module Fuse Replacement
Instructional repair video
2001 Chevy Monte Carlo Flooded Engine Due To Cold...
What's My Best Option For Starting A Flooded Engine Due To Cold (-20 Below Zero) Weather. Someone Told Me To Disconnect The Fuel Pump Fuse...
Asked by
Gordy Adams, Jr.
·
1 ANSWER
2001
CHEVROLET MONTE CARLO
Fuel Pump Not Coming On?
Fuel Pump Not Coming On. It Is Not The Relay Or Fuse. Key Is "on". No Sound Indicating Fuel Pump Pressuring Up. Car Will Crank...
Asked by
Pat V
·
6 ANSWERS
4 IMAGES
2007
CHEVROLET MONTE CARLO
2004 Chevy Monte Carlo Fuel Pressure
My Monte Carlo Has Been Using More Gas Than Usual Lately. I Checked The Fuel Pressure But I Don't Know What It Is Supposed To Be. Right Now...
Asked by
87GP
·
3 ANSWERS
2004
CHEVROLET MONTE CARLO
1984 Chevy M
Car Sat Parked For About A Year. Ran Perfect Before Parked, But Now Won't Run. Turns Over Just Fine, And Will Crank/run With Fuel Added...
Asked by
cv88
·
7 ANSWERS
1984
CHEVROLET MONTE CARLO
VIEW MORE
Ask a Car Question. It's Free!
How to Use a Test Light
Fuel Pump Replacement
Fuel Pump Pressure Test