No power to fuel pump

Tiny
NICOLE LORRAINE TAYLOR
  • MEMBER
  • 1999 MERCURY COUGAR
  • 2.5L
  • V6
  • 2WD
  • AUTOMATIC
  • 200,000 MILES
Fuel pump not coming on. No power to it. Need schematics for whole electrical system. Just bought car and bare wiring everywhere from dash radio area all way to trunk exposed wires.
Saturday, February 29th, 2020 AT 9:57 AM

1 Reply

Tiny
KASEKENNY
  • MECHANIC
  • 18,907 POSTS
Unfortunately, we are going to need you to provide specific components or systems that you need in order to provide the wiring diagrams. If we tried to supply all the wiring diagrams then it would be hundreds of pages and it is just not practical to supply on a website like this.

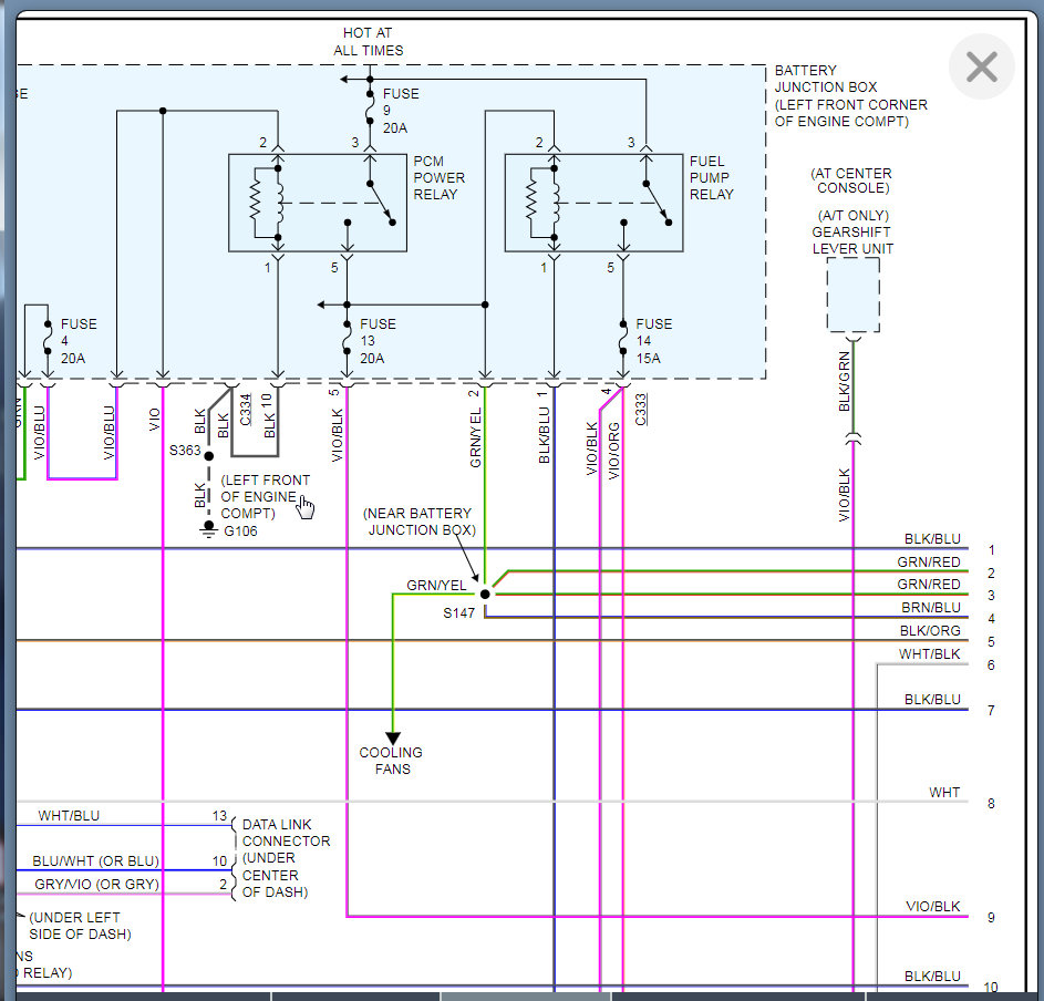
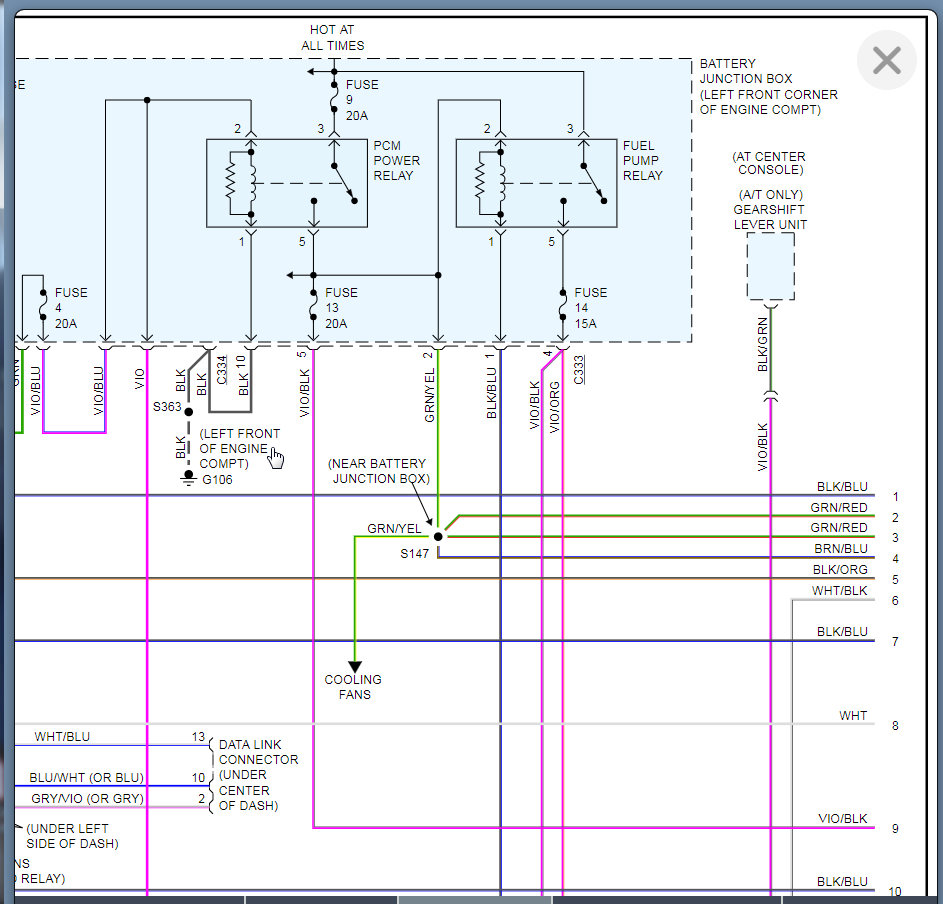
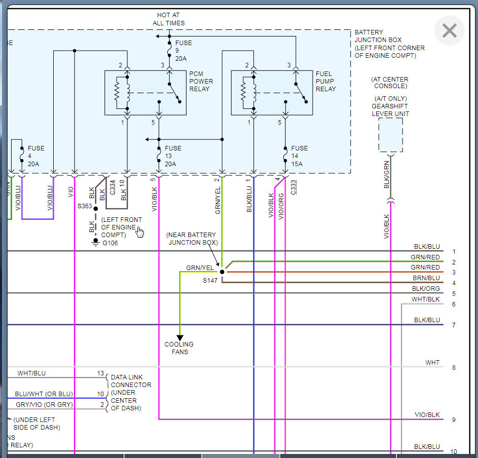
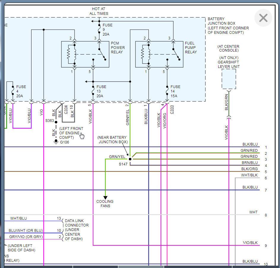
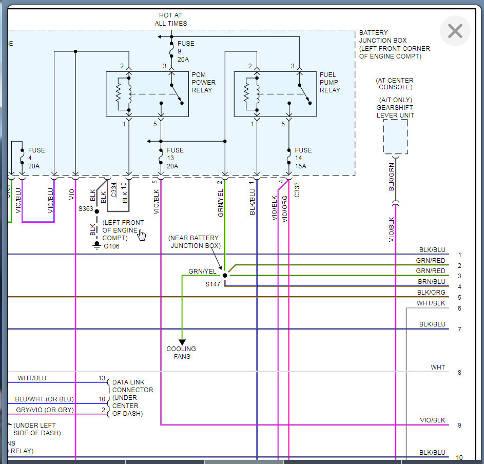
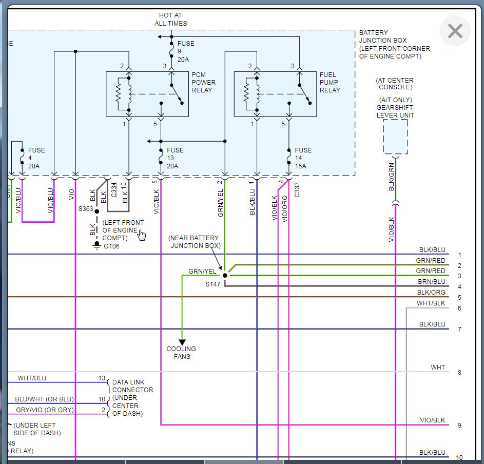
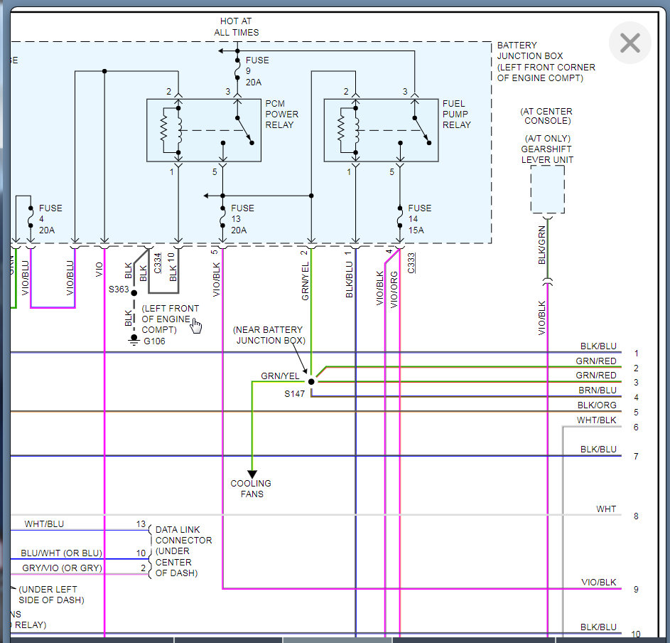
Here are the power-train management diagrams that includes the fuel pump which should get you started.

As you can see this is a pretty involved diagram and due to the way we have to break it up to attach it, it is 12 pages by itself. So attaching all vehicle diagrams would be a lot of info.

I would suggest working on each system and when you need a diagram for that system, start a post requesting that one and we can get it pretty quick for you.

Let me know if you need more info on this one. Thanks
Was this
answer
helpful?
Yes
No
+1
Saturday, February 29th, 2020 AT 1:46 PM

Please login or register to post a reply.