Fuel pump relay?

Tiny
MUGFORS
  • MEMBER
  • 1996 CHEVROLET BLAZER
  • 4.3L
  • V6
  • 4WD
  • AUTOMATIC
  • 208,000 MILES
I just purchased this truck and cannot get it to run on its own.
It will run fine with ether in the throttle body, but dies once it burns off. It’s been sitting so I replaced the fuel filter. I swapped out the relays and still get nothing, cranks fine no power to the pump. I have not pulled the connector to the pump yet. It does have an aftermarket remote starter and alarm that I know nothing about, I plan on removing it, but I want to make sure it’s the issue first. New battery as well. Please advise as to where I should check and in what order.
Wednesday, November 6th, 2019 AT 3:31 AM

20 Replies

Tiny
JACOBANDNICKOLAS
  • MECHANIC
  • 110,194 POSTS
Hi:
Before you take the tank out to check the pump (which may be bad), confirm the fuel pump relay is bad. It is behind the glove box. Here are the directions for removal and replacement. Don't just replace it without checking it first. If there is another relay in the box that has the same part number, switch them or here is a link showing how to check one:

https://www.2carpros.com/articles/how-to-check-an-electrical-relay-and-wiring-control-circuit

_____________________________

Here are the directions. That attached pictures correlate with the directions.

1996 Chevy Truck S10/T10 Blazer 4WD V6-4.3L VIN W
Fuel Pump Relay
Vehicle Powertrain Management Fuel Delivery and Air Induction Fuel Pump Fuel Pump Relay Service and Repair Procedures Fuel Pump Relay
FUEL PUMP RELAY

pic 1

Fuel Pump Relay Retainer

Pic 2

Electrical Center Connector

Pic 3

Fuel Pump Relay

pic 4

REMOVAL PROCEDURE

NOTE: The relay center is located in the glove component.

1. If installed, remove the retainer.
2. Remove the electrical center connector.
3. Remove the relay by depressing the bracket clip at the rear of the relay or by removing the bolts from the retaining bracket.

INSTALLATION PROCEDURE

Is the reverse of removal

Let me know if this helps or if you have other questions.

Joe
Was this
answer
helpful?
Yes
No
+6
Wednesday, November 6th, 2019 AT 8:15 PM
Tiny
STEVE W.
  • MECHANIC
  • 15,688 POSTS
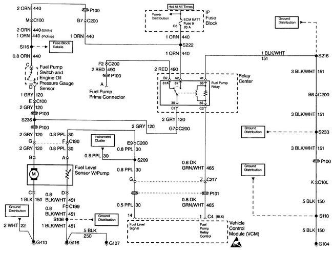
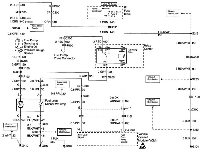
First thing will be to test the pump and it's wiring to see if it works. To do that go to the relay box under the hood. And look at the harness coming out of it, there will be a short Red wire that isn't connected to anything. That is the fuel pump prime connection. If you apply battery voltage to it the pump should come on. If it doesn't pull the fuel pump relay and you will see a diagram on it showing what the blades do, you want the ones numbered 30 and 87 Those are the feed to the pump and the battery feed from the ECM BATT fuse (#9). Take a test light and connect it to battery positive and touch those two contacts in the relay socket. On pin 30 the light should come on if the circuit through the pump is good as it will be a ground through the pump. If no light you have a problem in the Gray feed wire in the harness to the fuel pump. If it seems to work then connect the test light to ground and touch the 87 connector. This is the battery feed to the relay and the light should come on.
If those show good put a jumper across them and the pump should come on. If it does then you need to test the control side of the relay. Those are pins 85 and 86. With a test light connected to battery positive touch pin 86, it should light as this is the ground for the relay. Next connect the light to ground and touch terminal 85, then turn on the key, the light should come on for about 2 seconds. If it does the control side is working.
As it has been setting I would suspect either the pump connector to have corrosion (very common) or the pump itself is bad.
The other circuit that can verify this is to crank the engine until the oil light goes out or the gauge shows pressure. That will trigger the power feed through the pressure switch and send power to the fuel pump. If the pump doesn't come on in either case you will likely be dropping the tank to get to the pump connector and pump. You might be able to disconnect the pump pigtail without dropping the tank, if you can reach it.
Another test is to give the fuel tank a couple solid hits with a rubber mallet or similar, if the pump is marginal and sticking on a bad segment this can sometimes shock it enough that it starts working at least enough to test it, if it does start working this way do not trust it to keep working though.
Dropping the tank on these isn't that bad but you need to watch all of the vapor and vent lines as you lower it, and disconnect them as soon as possible. Be sure to replace the pump pigtail on the harness as well, they have a very bad habit of heating up and losing contact.
Was this
answer
helpful?
Yes
No
+2
Wednesday, November 6th, 2019 AT 8:22 PM
Tiny
MUGFORS
  • MEMBER
  • 4 POSTS
Thank you very much! You guys rock! I removed the no name alarm/remote start, verified the relays were good, then put power to the red wire under the hood. I loosened the straps enough to get the connector off the top of the replacement pump, and realized it was not attached to anything in the pump. The connection came off in the pump! I removed the pump and re-connected the wires and it is up and running on it’s own!
Was this
answer
helpful?
Yes
No
+1
Thursday, November 7th, 2019 AT 2:19 AM
Tiny
STEVE W.
  • MECHANIC
  • 15,688 POSTS
Well that's a bit different. Glad to hear you found it.
Was this
answer
helpful?
Yes
No
Thursday, November 7th, 2019 AT 3:41 AM
Tiny
EDCORTEZ2003
  • MEMBER
  • 1 POST
  • 1996 CHEVROLET BLAZER
  • 6 CYL
  • 4WD
  • AUTOMATIC
  • 132,000 MILES
I know where the relays are but there are three and they are not labeled. They are side by side horizantaly three in a row which one is the fuel pump relay? Far left, middle or far right.
Was this
answer
helpful?
Yes
No
Saturday, January 30th, 2021 AT 8:34 AM (Merged)
Tiny
RASMATAZ
  • MECHANIC
  • 75,992 POSTS
My info says you got 4 relays there and one of them is the F/P relay behind the glove box which one dunno.

DRL relay/Fog lamp/Horn

You sounded as though you're not getting power to the fuel pump-describe your problem maybe I can help-
Was this
answer
helpful?
Yes
No
+1
Saturday, January 30th, 2021 AT 8:34 AM (Merged)
Tiny
CARLSHULL
  • MEMBER
  • 1 POST
  • 1995 CHEVROLET BLAZER
My wife has a 1995 chevy blazer 4x4, with 4.3l vortec, pushing 250,000 miles, have had little problem with until lately,

it started sputtering pretty bad, I replaced the fuel filter, fixed it for a day,
died on the road, had it towed back, dropped fuel tank, replaced fuel pump and pigtail wire on pump, was melted so was plastic fitting on pump, put it back together, started fine, I drove around block, seemed fine, came back, cleaned up, put my tools up, we left to go out, made it 4 blocks from the house, died, got it home, a friend of mine says he had pretty close to the identical problem, said it ended up being his fuel relay was stuck, so the fuel pump was constantly running, I guess,

my 2 problems,
first, which relay is for the fuel pump, there are 3 relays right beside each other on firewall behind intake,

second, since this died and has acted up again, do you think the fuel pump is shot or wiring melted again, I guess I should go ahead and drop the tank for safe keeping,

somebody give me some relief here,
my wife needs her truck and I need my sanity back?
Was this
answer
helpful?
Yes
No
Saturday, January 30th, 2021 AT 8:35 AM (Merged)
Tiny
RASMATAZ
  • MECHANIC
  • 75,992 POSTS
See below to locate the pump relay


https://www.2carpros.com/forum/automotive_pictures/12900_pumprelay1_1.jpg




https://www.2carpros.com/forum/automotive_pictures/12900_pump_relay2_1.jpg




https://www.2carpros.com/forum/automotive_pictures/12900_oil_sending_unit_and_fuel_pump_circuit_14.gif



www.eautorepair.net
Was this
answer
helpful?
Yes
No
+1
Saturday, January 30th, 2021 AT 8:35 AM (Merged)
Tiny
ADAMJ20
  • MEMBER
  • 5 POSTS
  • 1995 CHEVROLET BLAZER
  • 143,000 MILES
I have a 1995 chevy blazer v6 4.3 vortec and it ran ok but we had to start it with starting fluid. We replaced the fuel pressure regulator and now it wont run for more than a few seconds. Everything is hooked up we replaced the fuel pump, map, maf, and tps sensors it seems like its not getting gas but theres no leaks. Checked the fuel pressure before and after fuel pump change and its the same 60 then it leakes down very quickly. The car is throwing codes 22, 34, and 43 for tps, map, and knock sensor. Could my knock sensor do this? Is there something else I should check?
Was this
answer
helpful?
Yes
No
Saturday, January 30th, 2021 AT 8:35 AM (Merged)
Tiny
HMAC300
  • MECHANIC
  • 48,601 POSTS
Here is a a video to help you with the test.

https://www.youtube.com/watch?v=kgEixCsqcYM

Check out the images (below). Please let us know what happens.
Was this
answer
helpful?
Yes
No
+2
Saturday, January 30th, 2021 AT 8:35 AM (Merged)
Tiny
ADAMJ20
  • MEMBER
  • 5 POSTS
I just was able to try this, this is great! I plugged the return line and it held the pressure so were going to go try replacing the fuel pump again we could have got a bad one. But thank you very much this was very helpful!
Was this
answer
helpful?
Yes
No
+1
Saturday, January 30th, 2021 AT 8:35 AM (Merged)
Tiny
HMAC300
  • MECHANIC
  • 48,601 POSTS
Make sure your wires going to pum p inside tank are good as they have been know to fail.
Was this
answer
helpful?
Yes
No
+1
Saturday, January 30th, 2021 AT 8:35 AM (Merged)
Tiny
ADAMJ20
  • MEMBER
  • 5 POSTS
So I tried this and we replaced the pump but it still is not holding the pressure. If return is plugged it holds but when let through it does'nt.
Was this
answer
helpful?
Yes
No
+1
Saturday, January 30th, 2021 AT 8:35 AM (Merged)
Tiny
HMAC300
  • MECHANIC
  • 48,601 POSTS
Only thing I can tell ya is try another fuel pressure regulator. Repeat steps 3-6 carefully and if it still doesit then i'd suggest taking it to a pro. Make sure you tell him everything that you have done though.
Was this
answer
helpful?
Yes
No
Saturday, January 30th, 2021 AT 8:35 AM (Merged)
Tiny
MICHAELLOVETT123
  • MEMBER
  • 1 POST
  • 1995 CHEVROLET BLAZER
1995 Chevy Blazer 6 cyl Two Wheel Drive Automatic

i have a 1995 chevrolet blazer. I was told by a mechanic at a local shop that the problem to my truck was the fuel relay switch. Upon asking how to fix it, the man didn't know where the fuel relay switch was. Do you know where the relay is?
Was this
answer
helpful?
Yes
No
Saturday, January 30th, 2021 AT 8:35 AM (Merged)
Tiny
RASMATAZ
  • MECHANIC
  • 75,992 POSTS
The fuel pump relay is in the convenience center see below


https://www.2carpros.com/forum/automotive_pictures/12900_fp_relay_9.jpg

Was this
answer
helpful?
Yes
No
-1
Saturday, January 30th, 2021 AT 8:35 AM (Merged)
Tiny
CHARLIE_CRUZ
  • MEMBER
  • 2 POSTS
  • 1995 CHEVROLET BLAZER
  • 6 CYL
  • 2WD
  • AUTOMATIC
  • 18,100 MILES
Where is the fuel pump relay located?
Was this
answer
helpful?
Yes
No
-1
Saturday, January 30th, 2021 AT 8:36 AM (Merged)
Tiny
RASMATAZ
  • MECHANIC
  • 75,992 POSTS
Its in the convenience center see item no.3 for location


https://www.2carpros.com/forum/automotive_pictures/12900_fp_9.jpg

Was this
answer
helpful?
Yes
No
Saturday, January 30th, 2021 AT 8:36 AM (Merged)
Tiny
CBBECK
  • MEMBER
  • 1 POST
  • 1995 CHEVROLET BLAZER
  • 4.3L
  • 6 CYL
  • 4WD
  • AUTOMATIC
  • 338,553 MILES
Will not start fuse is good. Need to check relay next but don't know where it is
Was this
answer
helpful?
Yes
No
+1
Saturday, January 30th, 2021 AT 8:36 AM (Merged)
Tiny
WRENCHTECH
  • MECHANIC
  • 20,761 POSTS
It's located behind the glove box but this truck is designed to run without aq fuel pump relay.

https://www.2carpros.com/images/external/83268759.gif
Was this
answer
helpful?
Yes
No
Saturday, January 30th, 2021 AT 8:36 AM (Merged)

Please login or register to post a reply.