Monday, July 17th, 2023 AT 3:43 AM
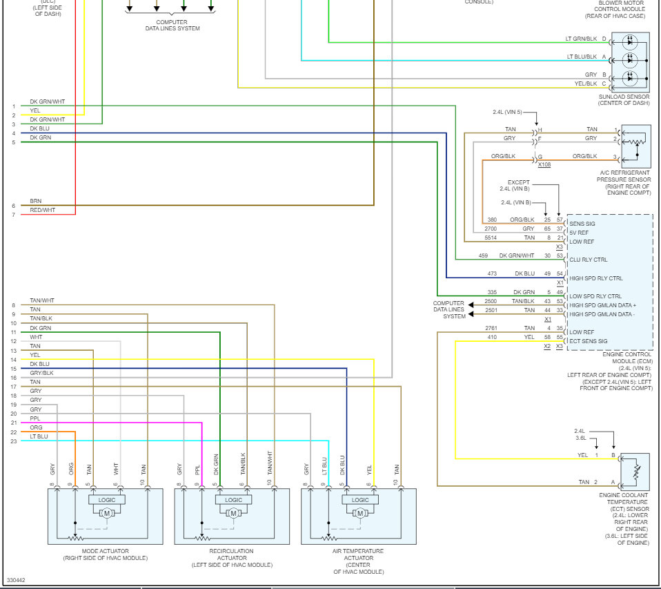
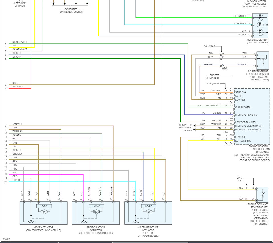
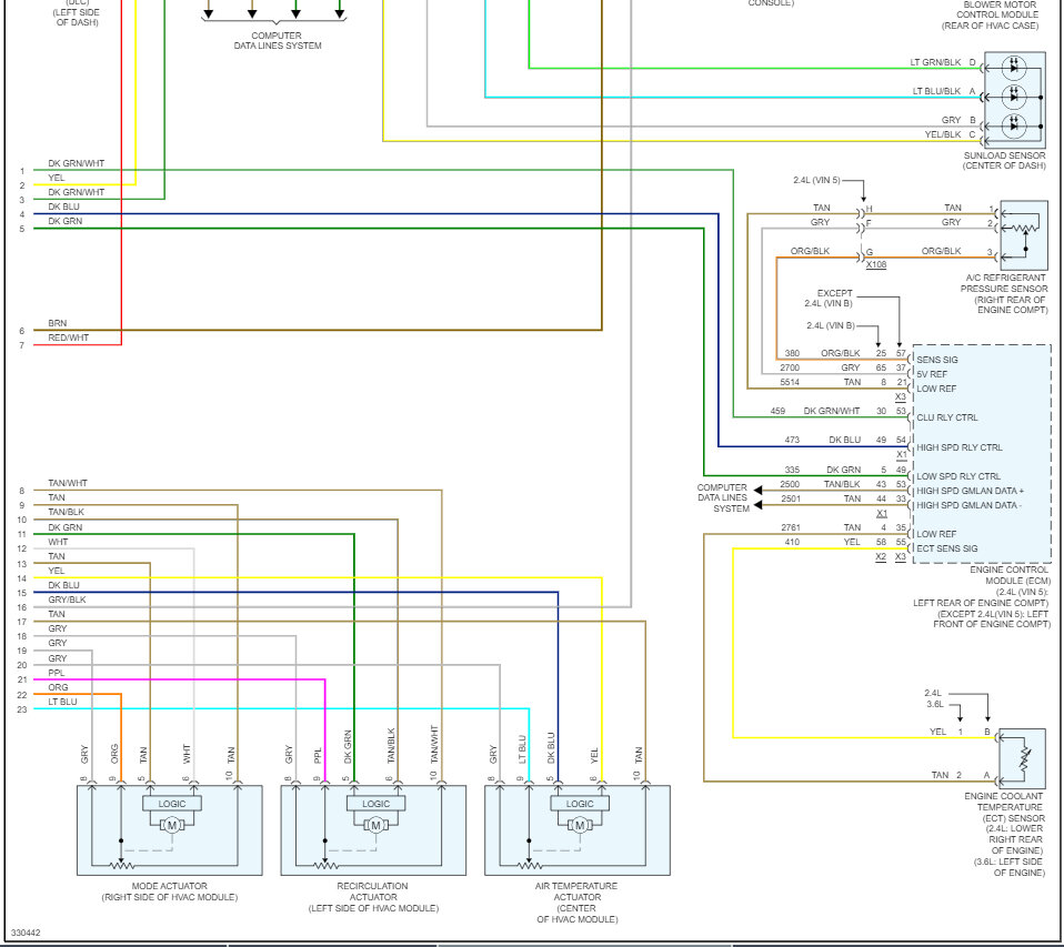
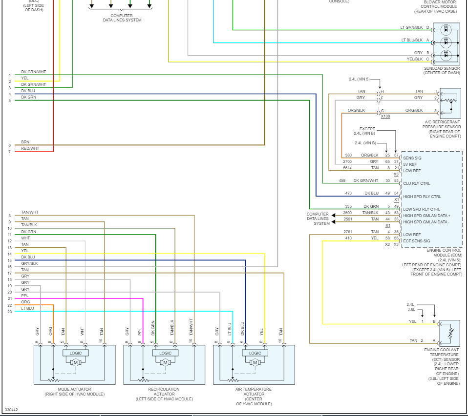
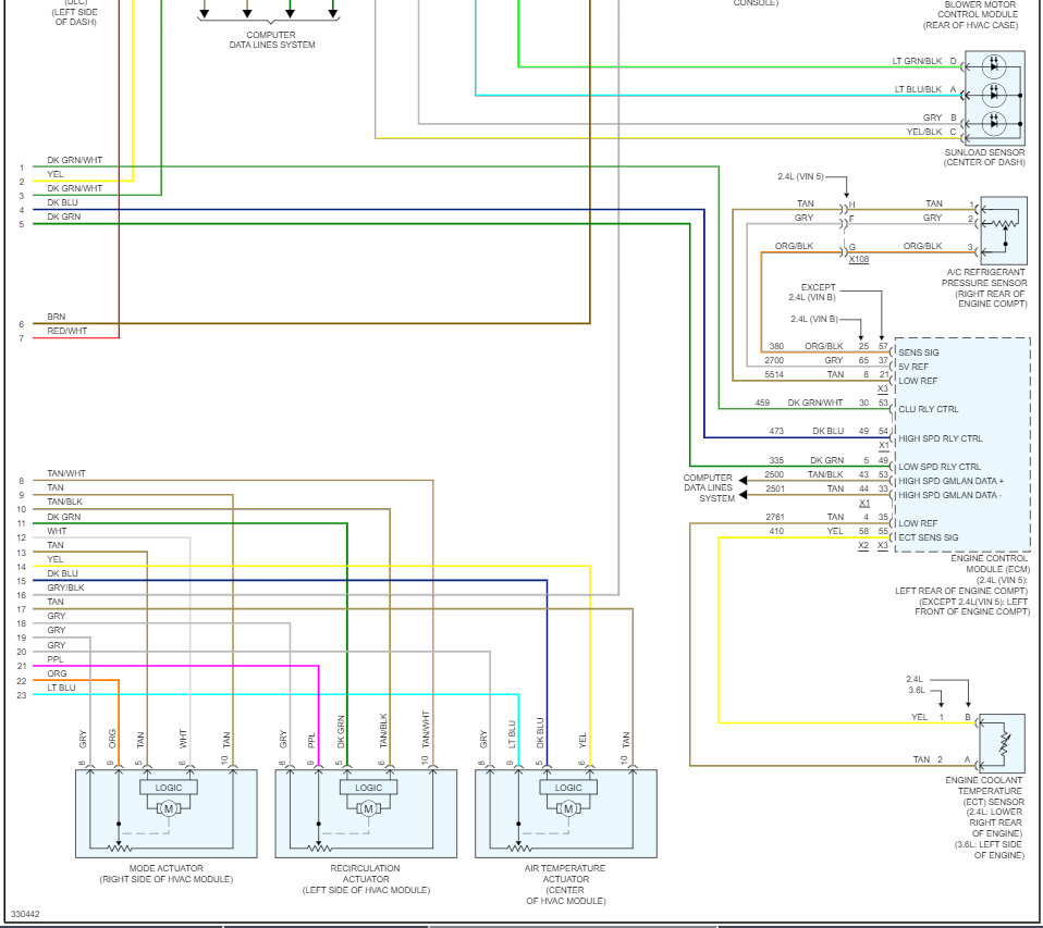
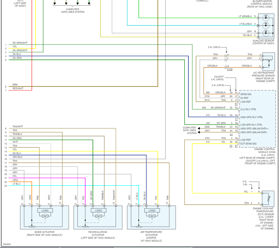
The A/C worked great then the blower motor went bad, it wouldn't spin freely also when it completely quit the lights on the control panel wouldn't turn on. So, I replaced the blower motor and it still doesn't work. I've checked all of the fuses and relays. The instrument cluster also quit working however it will come on from time to time, but something is preventing it from receiving power. The instrument cluster issue started a few months before the blower motor went out and also when the blower motor did work it only worked on high.





