I'm at a bit of a stick point, it's hot, with most days well over 90 degrees, I don't want to keep my windows down while I'm cruising 80 MPH down the freeway (the current solution, but no eating lunch in the van and slow lights make me start to feel like I'm boiling alive), and I definitely need it fixed by winter since no blower motor means no heat in the cab, when temps here plummet well into below freezing.
I've tried looking up information but a lot of posts seem to just trail off without any solution or further investigation.
It appears the fan speed control has been replaced once in the past, but I have no clue how long ago.
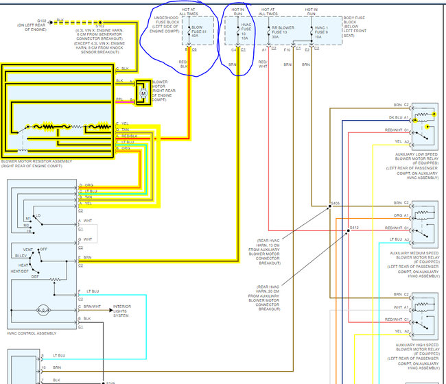
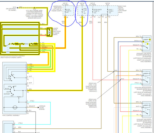
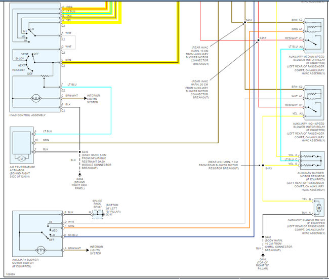
If there's a wiring diagram I can start off with to work through or any additional check points I'm all ears, I can suffer through some heat, but this needs resolved, one way or another.
Saturday, July 24th, 2021 AT 3:45 PM



