Monday, September 23rd, 2019 AT 6:02 AM
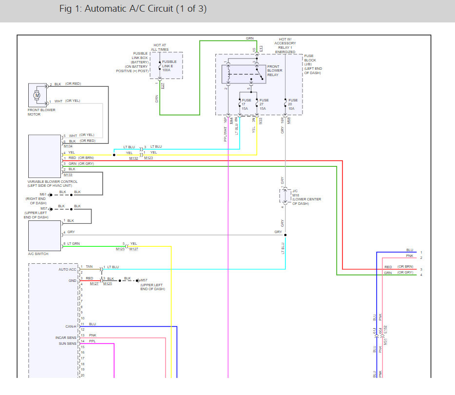
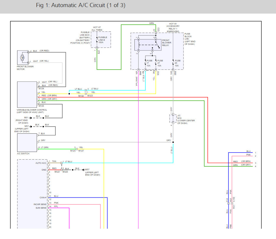
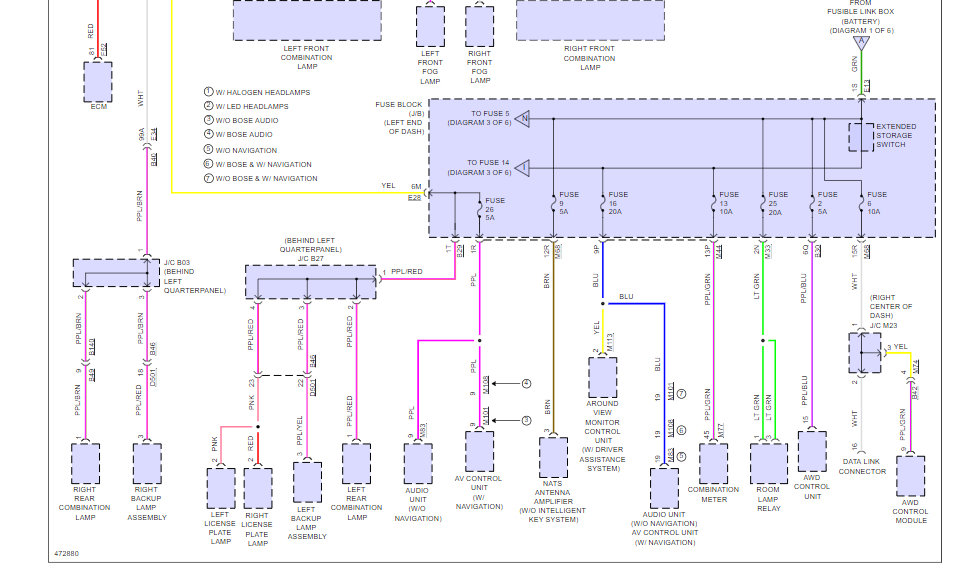
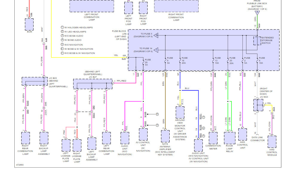
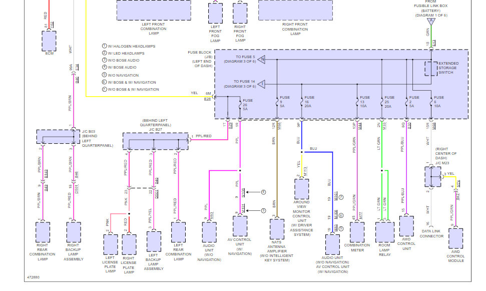
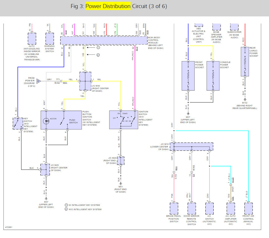
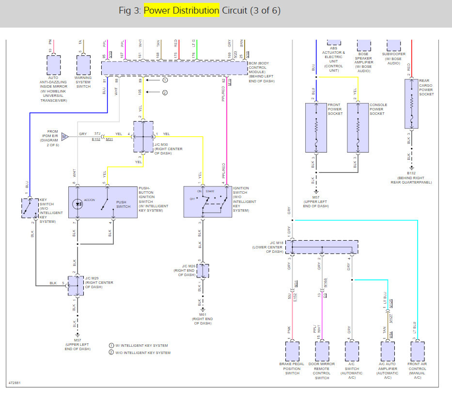
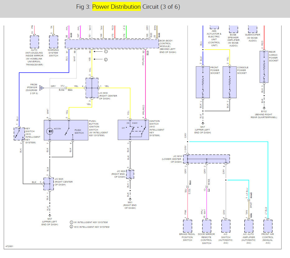
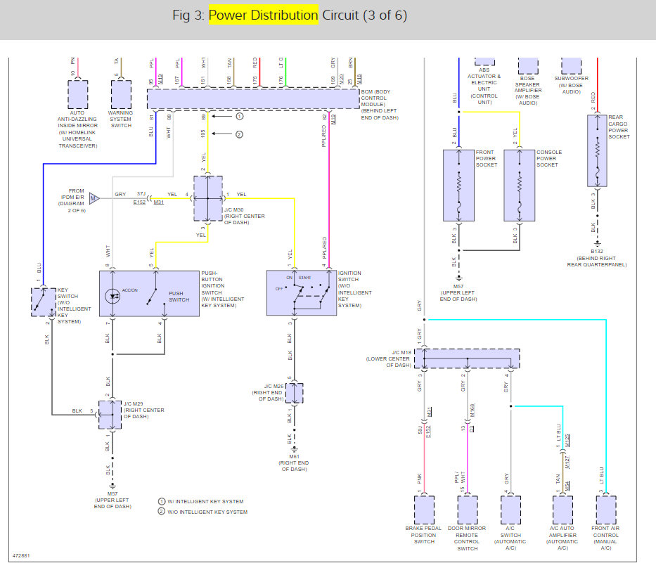
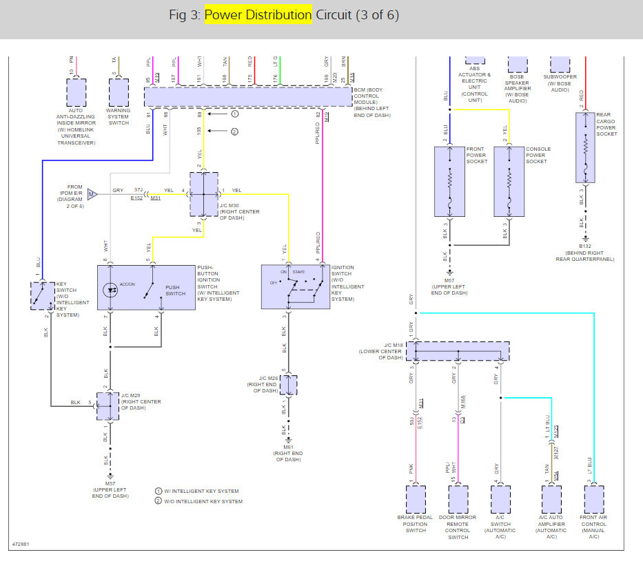
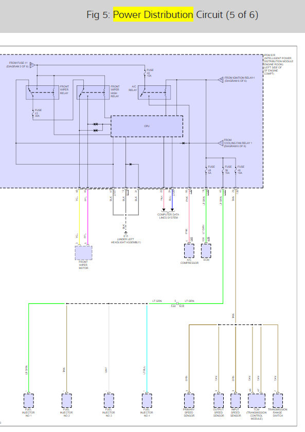
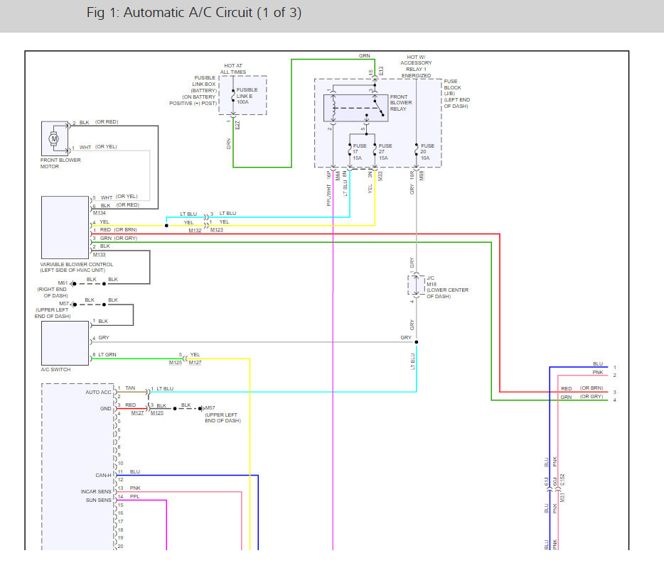
I recently changed my battery to discover there was no power to the A/C controls. I checked the 10A fuse (it's okay) but could it be the relay that got fried when I changed the battery? The fuse I checked was for ACC (I assumed it was the A/C) behind the panel when you open the driver door. I did not check the one under the hood.
















