No power to A/C compressor?

Tiny
JWINO52
  • MEMBER
  • 2013 JEEP COMPASS
  • 60,000 MILES
The fuse has been tested and TIPM replaced. Still no power to compressor. Checked hot side of fuse and have 12 volts. Somewhere between TIPM and compressor it is losing power to compressor.
Any ideas?
Monday, September 19th, 2022 AT 1:25 PM

7 Replies

Tiny
KEN L
  • MASTER CERTIFIED MECHANIC
  • 55,383 POSTS
The compressor is controlled by the PCM. Let's first check for power at fuse #22, 6, 18 and 33 in the TIPM.

This guide can help:

https://www.2carpros.com/articles/how-to-check-a-car-fuse

If all is good, we should run the codes by doing a CAN scan which is easy. You can get a CAN scanner (Controller Area Network) from Amazon for about $36.00.

Here is a video to show you how:

https://www.2carpros.com/articles/can-scan-controller-area-network-easy

and

https://youtu.be/u-4syLc-ifQ

Here is a scanner link:

https://amzn.to/3eCqWWw

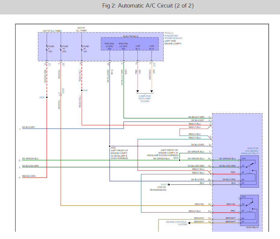
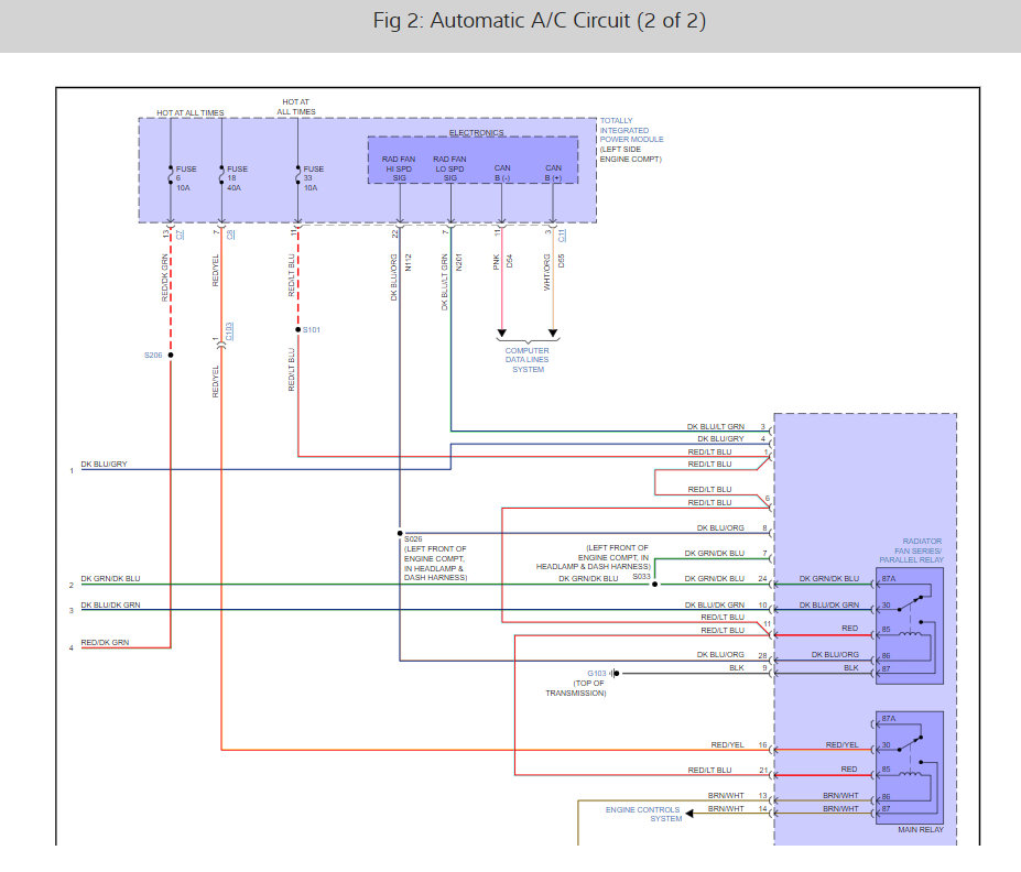
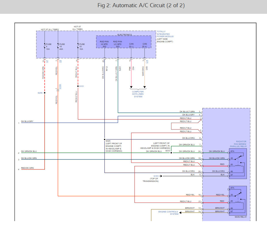
Here are the A/C and compressor wiring diagrams so you can see how the system works and the fuse locations as well. Check out the images (below). Please let us know what you find. We are interested to see what it is.
Was this
answer
helpful?
Yes
No
Tuesday, September 20th, 2022 AT 10:22 AM
Tiny
JWINO52
  • MEMBER
  • 3 POSTS
The Jeep has been a local shop for the past two days. Their scan tools are far better than the handheld would be. The mechanic doing the scan is as puzzled as I am. Aside from throwing some unexpected wave images. Everything is calling for the compressor to turn on. It is not and is not receiving any voltage. I wish I had another jeep to take and see the difference on the scan. Any way. Chrysler does not want to help him with the problem. He sent a message out to a mechanic group he has a subscription to. His guess currently is a problem with the computer. Looking at the schematic it appears power to compressor comes from computer? He can find no reference online of a similar problem on a 2013 Compass. Good news is it’s cooling down here. I’ll let you know what replies he gets. He is probably sorry he did the scan. He spent a day and a half digging and testing. Said he do the scan for $50.00. Had to lose money on this one.

Thanks,

Any ideas are welcome. I checked everything you ask, and all was normal.
Was this
answer
helpful?
Yes
No
Friday, September 23rd, 2022 AT 6:01 PM
Tiny
KEN L
  • MASTER CERTIFIED MECHANIC
  • 55,383 POSTS
When you replaced the TIPM was it new? Did anything come back when doing the CAN scan? The new cheaper scanners can do more than the older expensive ones in some cases FYI.
Was this
answer
helpful?
Yes
No
Saturday, September 24th, 2022 AT 10:21 AM
Tiny
JWINO52
  • MEMBER
  • 3 POSTS
Replacement was a rebuilt TIPM. Purchased from Maks TIPM rebuilders.
There were codes at first scan. The mechanic cleared all the codes. There were no codes referencing HVAC modules.
He had it connected to his laptop. TIPM is requesting voltage to compressor. I’m sending the rebuilt back and reinstalling the original.
Mechanics guess at this point is PCM is getting the request but is not sending it on to the compressor.
He’s going to do what I’ve done. Post the problem in a mechanics group. Hope for an answer next week.
Was this
answer
helpful?
Yes
No
Sunday, September 25th, 2022 AT 2:13 PM
Tiny
KEN L
  • MASTER CERTIFIED MECHANIC
  • 55,383 POSTS
Is there power at the light blue wire going to the compressor? If so the engagement coil or ground is bad. Please let me know what the problem is.
Was this
answer
helpful?
Yes
No
Monday, September 26th, 2022 AT 11:22 AM
Tiny
JWINO52
  • MEMBER
  • 3 POSTS
There is no voltage on that wire. TIPM is telling PCM to send voltage on that wire. I’ll sure let you know what happens.
Thanks
Was this
answer
helpful?
Yes
No
Monday, September 26th, 2022 AT 11:55 AM
Tiny
KEN L
  • MASTER CERTIFIED MECHANIC
  • 55,383 POSTS
Please let us know what you find. We are interested to see what it is.
Was this
answer
helpful?
Yes
No
Tuesday, September 27th, 2022 AT 12:03 PM

Please login or register to post a reply.