No power on the odb2 port?

Tiny
JHARE213
  • MEMBER
  • 2008 CHEVROLET SILVERADO
  • V8
  • 2WD
  • AUTOMATIC
  • 188,000 MILES
As the subject says the odb2 port is not supplying power to my scanner. I looked at the fuses inside the cab but didn't see one that appeared to be blown. Not sure which fuse I need to look at, and the maps in the fuse panels in the cab and in the engine bay were not very helpful.
Saturday, June 17th, 2023 AT 7:13 PM

7 Replies

Tiny
AL514
  • MECHANIC
  • 5,595 POSTS
Hello, what size engine do you have, and is this a 1500, 2500, 3500 series?
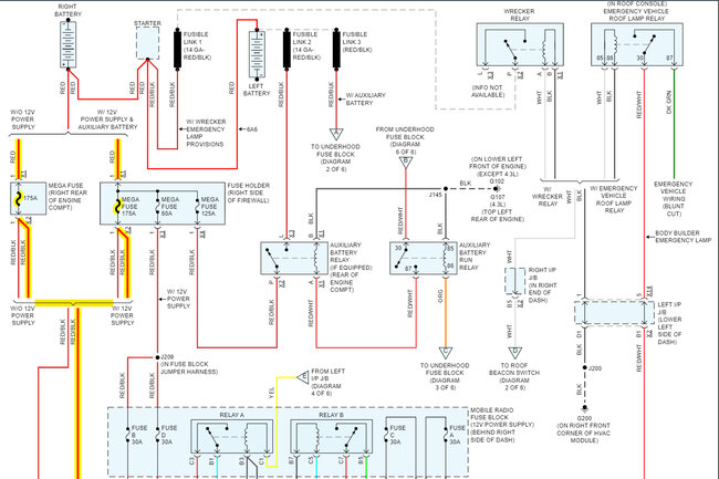
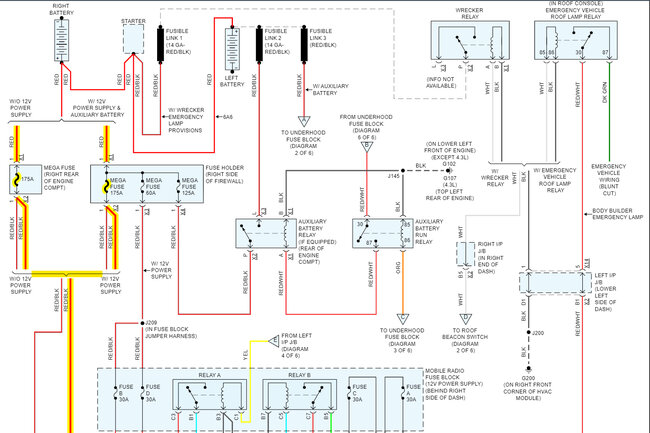
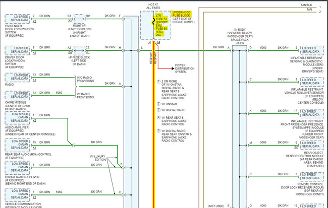
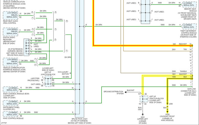
There's a couple of different fuses depending on gas or diesel engine, and whether it's a 6.6liter or different size. The gas engine is in the under-hood fuse panel and looks to be the LTR (20amp) fuse #53. On the diesel engine it's still the LTR (20amp) but labelled as fuse #50.
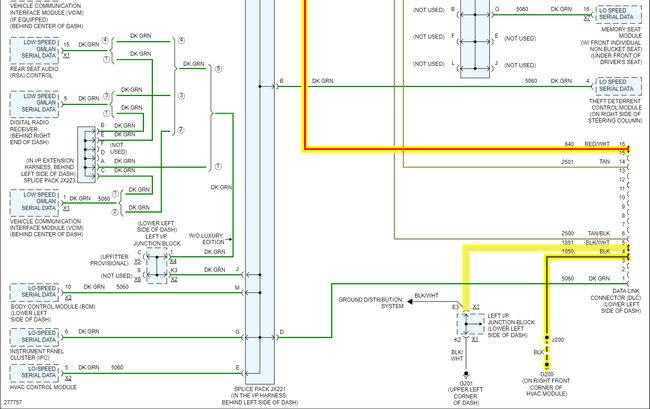
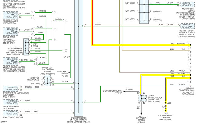
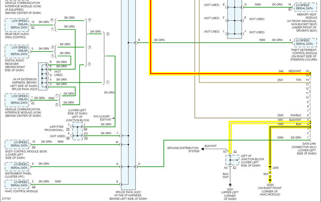
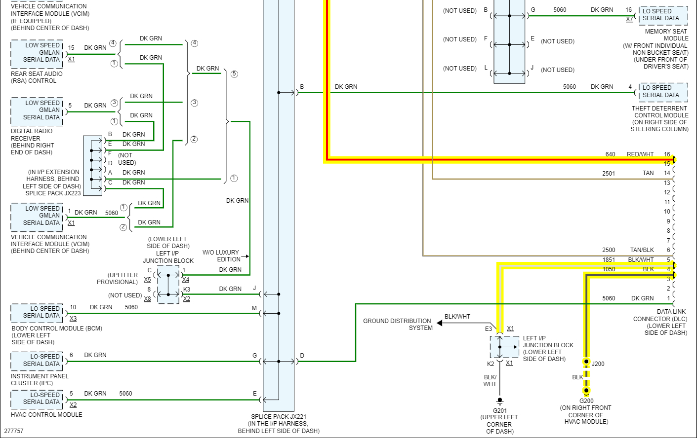
So, it will be either Fuse 50 or 53 LTR 20amp, on the gas engine Fuse #50 is Rear Defog 30amp. So, you will be able to tell by the amperage of the Fuse and hopefully the fuse box has labels on it. Check both sides of the fuse with a test light. Pins 4 and 5 should be Grounds. I'll post a diagram of the Data Link Connector, what scan tool are you using?
And are you missing power to any other areas?

https://www.2carpros.com/articles/how-to-check-a-car-fuse

https://www.2carpros.com/articles/how-to-use-a-test-light-circuit-tester
Was this
answer
helpful?
Yes
No
+1
Sunday, June 18th, 2023 AT 1:26 PM
Tiny
JHARE213
  • MEMBER
  • 42 POSTS
Sorry for the late reply, it is a 1500 with a 5.3L V8 Gas Engine.
Was this
answer
helpful?
Yes
No
Sunday, June 18th, 2023 AT 7:21 PM
Tiny
JHARE213
  • MEMBER
  • 42 POSTS
My wife said the driver side power plug (cigarette type) doesn't seem to work anymore. Other than that, I don't know of any other issues. The scanner I am using is a Foxwell NT301. I checked the data link connector with a multimeter to confirm that it wasn't getting power.
Was this
answer
helpful?
Yes
No
Sunday, June 18th, 2023 AT 7:25 PM
Tiny
AL514
  • MECHANIC
  • 5,595 POSTS
That's interesting you mention the other power outlet, the LTR Fuse 53 20amp powers up pin 16 of the Data Link Connector and also that Accessory power outlet. You can see it in the diagram below. So, I would check that fuse and see if it looks like it either got hot, is blown, or possibly if there is any corrosion in the location where the fuse sits.
Was this
answer
helpful?
Yes
No
+1
Sunday, June 18th, 2023 AT 8:18 PM
Tiny
JHARE213
  • MEMBER
  • 42 POSTS
Thanks, we will check it first thing in the morning. That outlet seemed to stop working when our Great Dane stepped on the phone charger that was sticking out of it and broke the charger in half.
Was this
answer
helpful?
Yes
No
Sunday, June 18th, 2023 AT 8:25 PM
Tiny
JHARE213
  • MEMBER
  • 42 POSTS
I checked that fuse, and it was indeed blown. We put a new fuse in, and it is working now. Thank you.
Was this
answer
helpful?
Yes
No
Monday, June 19th, 2023 AT 12:02 PM
Tiny
AL514
  • MECHANIC
  • 5,595 POSTS
Ah okay, so that explains why the fuse popped. Thats always something that needs to be figured out, because fuses don't burn for no reason. Lol something we can actually blame on the dog. That excuse never worked in high school. Glad to help. Have a nice evening.
Was this
answer
helpful?
Yes
No
Monday, June 19th, 2023 AT 1:05 PM

Please login or register to post a reply.