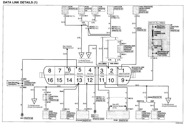
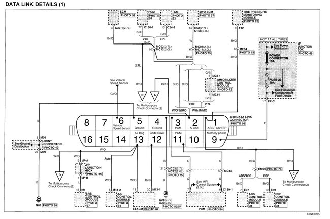
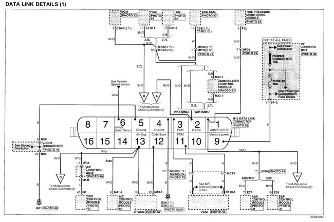
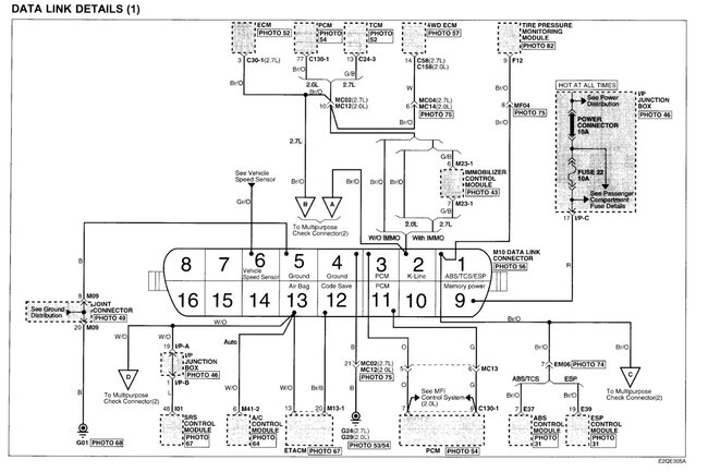
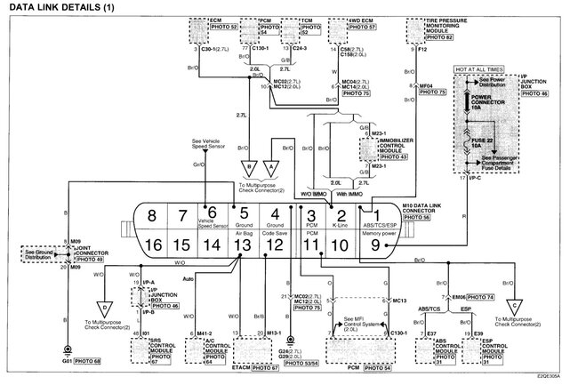
Friday, April 4th, 2025 AT 10:53 AM
Please this is a diesel engine, please can you provide me with any instructions relating to ECU signals for the fuel pump, also power and ground for the ECU terminal. Diagrams for power and ground.











