No Electrical

Tiny
YICHIDO
  • MEMBER
  • 2007 CHRYSLER TOWN AND COUNTRY
  • 3.8L
  • V6
  • AUTOMATIC
  • 90,000 MILES
Shorted system no power to anything. The battery is good.
Tuesday, July 4th, 2017 AT 5:48 AM

19 Replies

Tiny
STEVE W.
  • MECHANIC
  • 15,671 POSTS
Where was the short? Under the hood or inside?
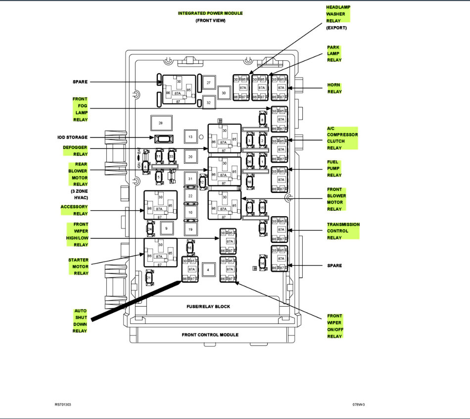
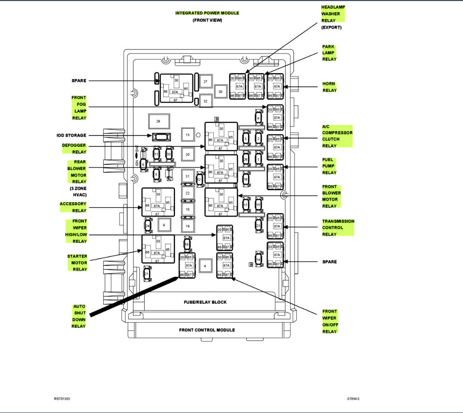
Either way you will want to check all of the fuses in the fuse box under the hood, and if you find they are good plan on replacing the integrated power module itself (smart fuse box). Also, check the fusible link to the alternator, it should not shut off power to the vehicle but it may have fried if the engine was running when the short occurred.
Was this
answer
helpful?
Yes
No
-1
Tuesday, July 4th, 2017 AT 7:59 AM
Tiny
YICHIDO
  • MEMBER
  • 3 POSTS
Replaced IP module still no power Battery reversed poles shorted. Battery tested 13. 4 volts. How do I test the sockets and or power leaving IPModule Did not notice any damaged wires or smells.
Was this
answer
helpful?
Yes
No
Sunday, July 9th, 2017 AT 9:57 AM
Tiny
STEVE W.
  • MECHANIC
  • 15,671 POSTS
OK, you have some work to do. Basically you need to identify the circuits that would have power full time. The issue there is that just the power distribution system alone is 15 pages of wiring diagrams.
The basics are to use a test light and track the power though that maze. The problem with polarity reversal is that every instance of it acts different and causes different damage depending on what was on at the time.

To continue you will want those wiring diagrams. There are a couple places to get them. I suggest Alldata for them as they don't re-draw them like Mitchell does. BBB industries also has them but they don't print very well.
Was this
answer
helpful?
Yes
No
Sunday, July 9th, 2017 AT 4:20 PM
Tiny
YICHIDO
  • MEMBER
  • 3 POSTS
There is no power leaving I P module even though there is power at the sockets where fuses and relays plug in
Was this
answer
helpful?
Yes
No
Wednesday, July 12th, 2017 AT 6:52 AM
Tiny
KEN L
  • MASTER CERTIFIED MECHANIC
  • 55,281 POSTS
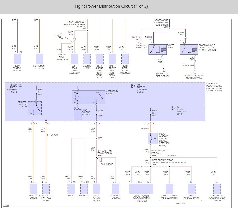
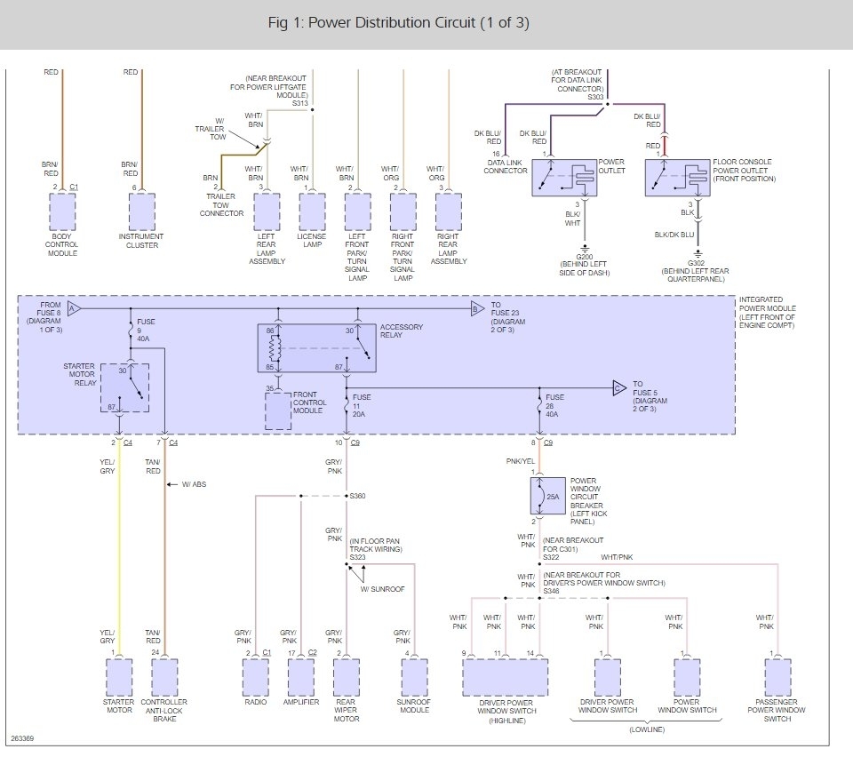
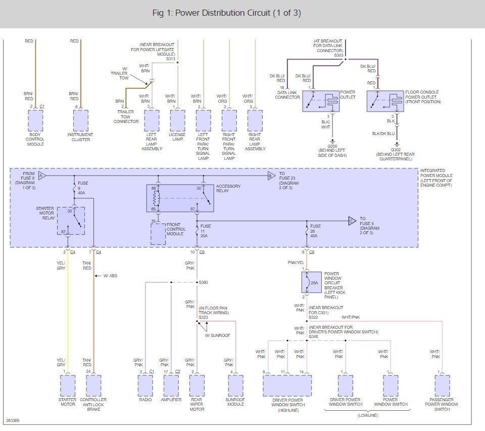
Hello,

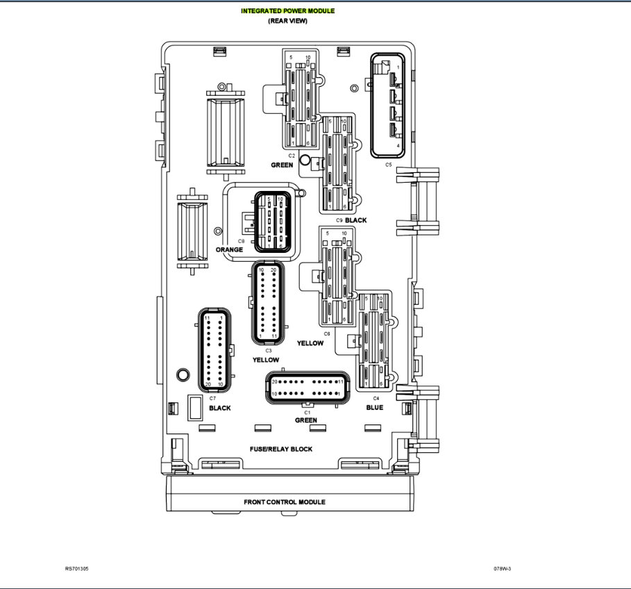
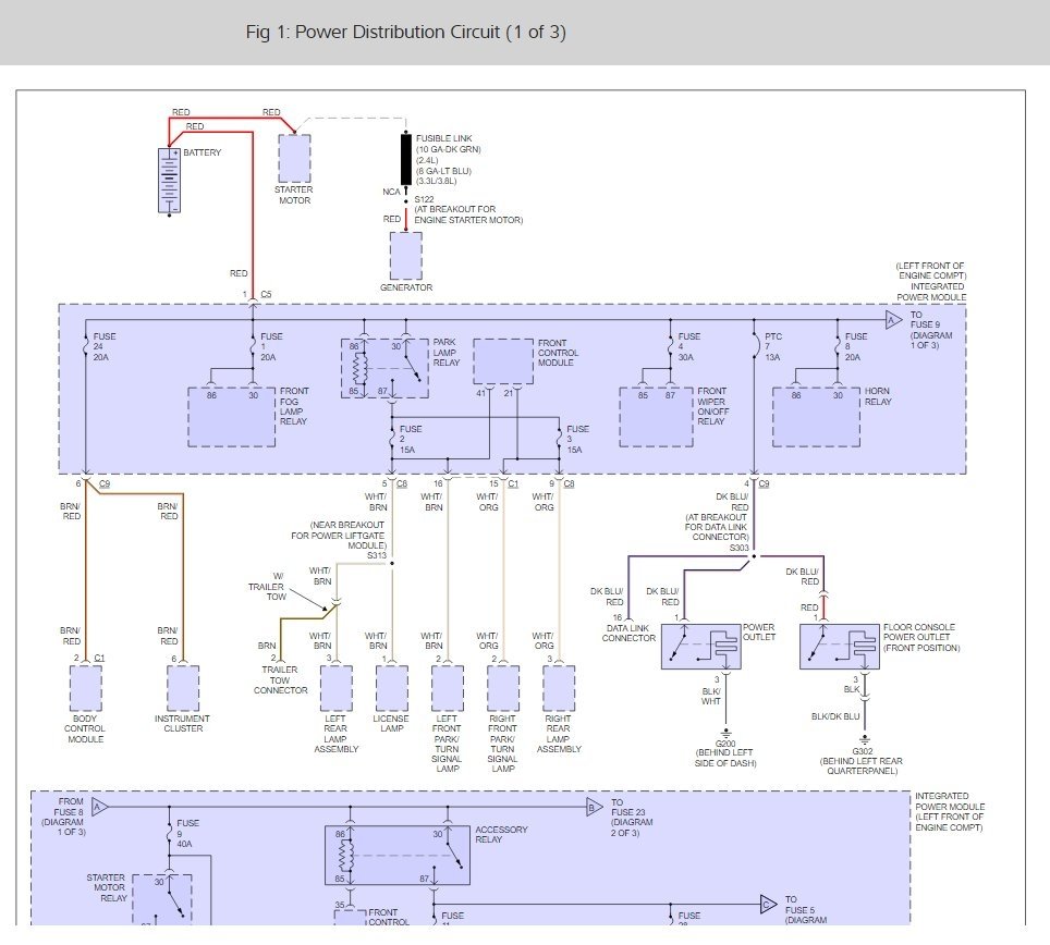
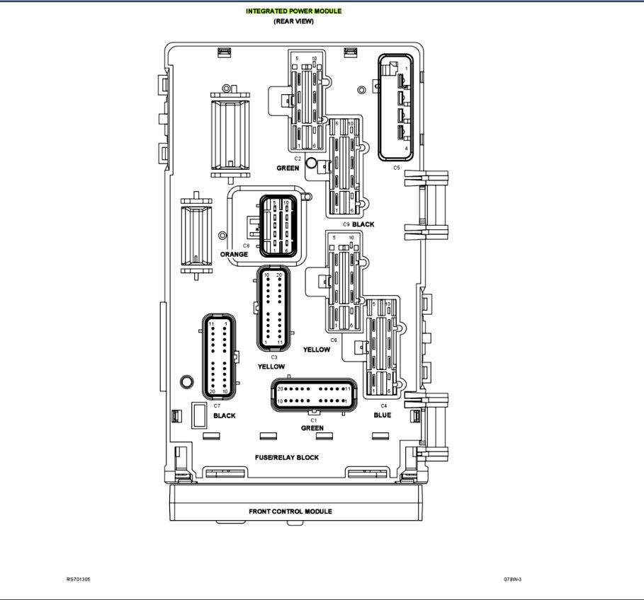
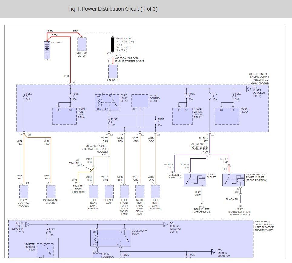
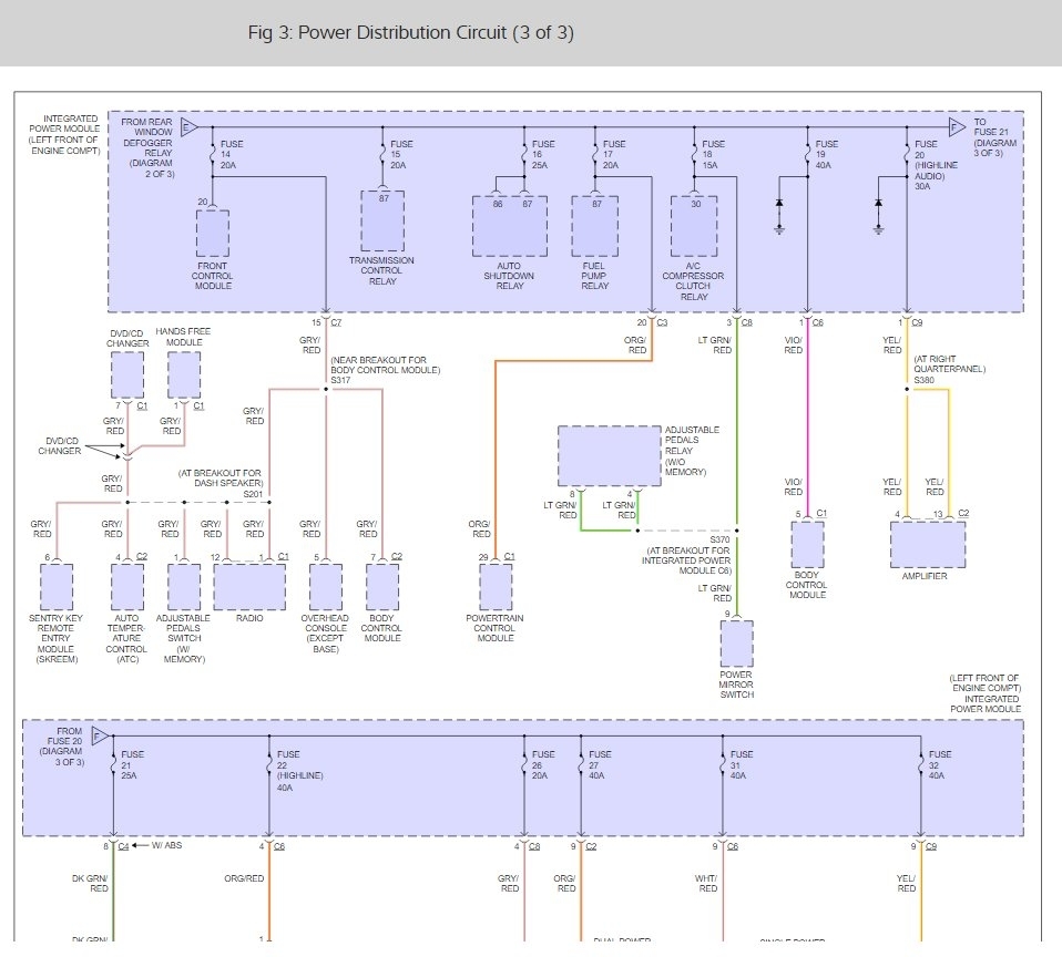
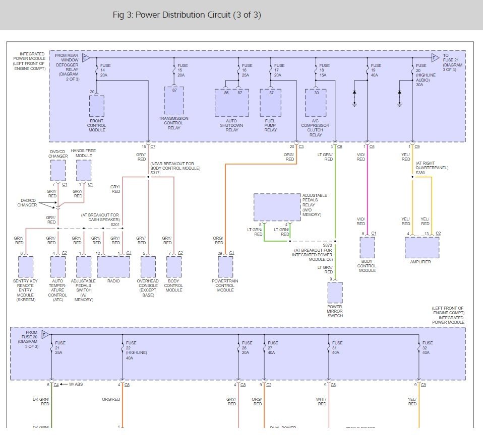
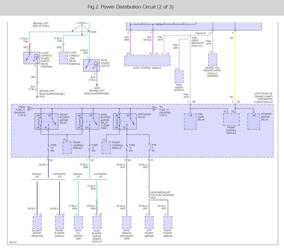
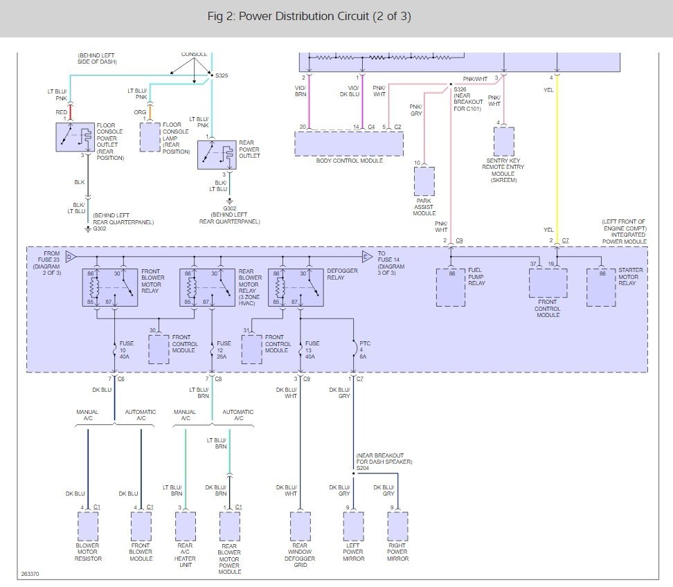
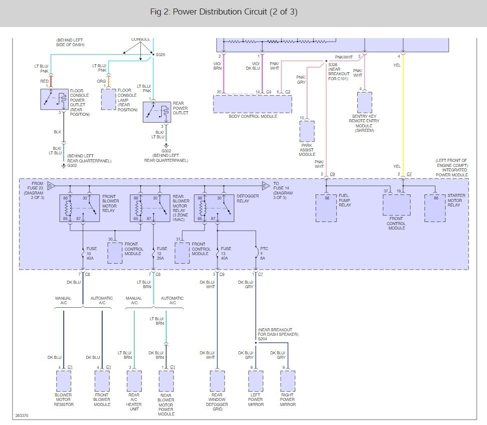
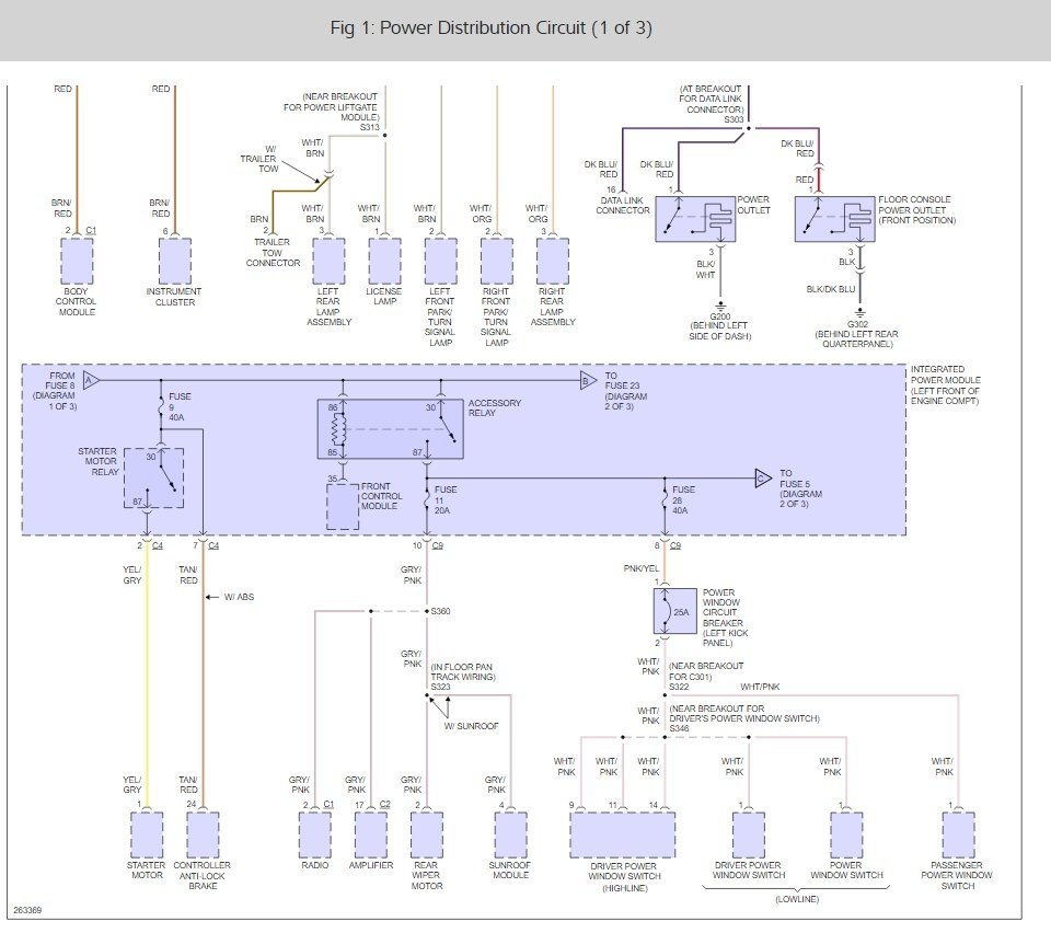
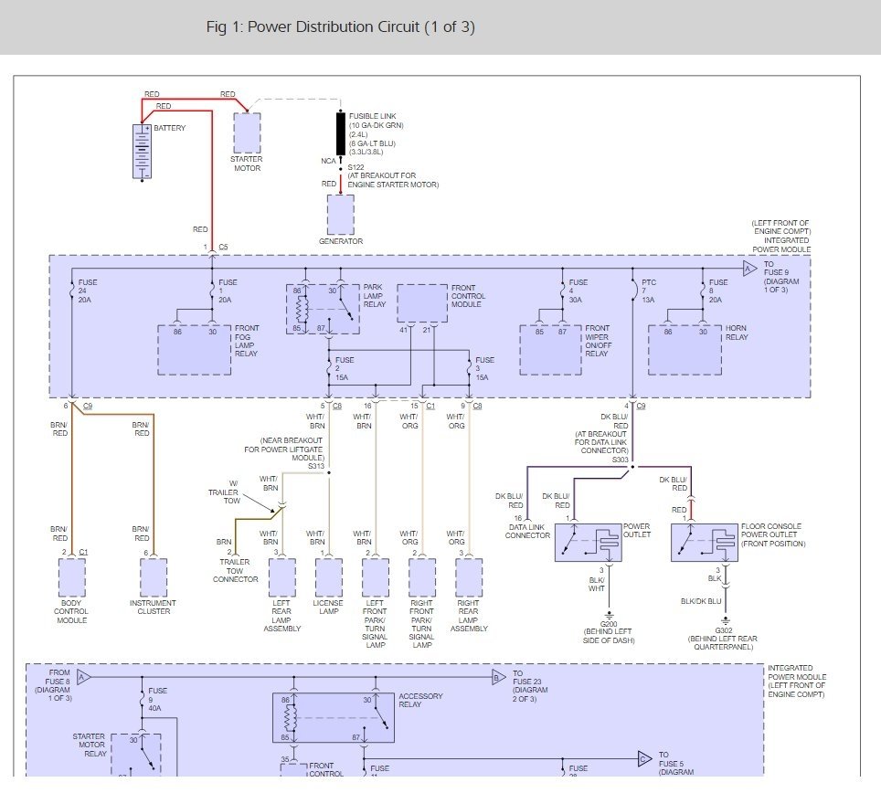
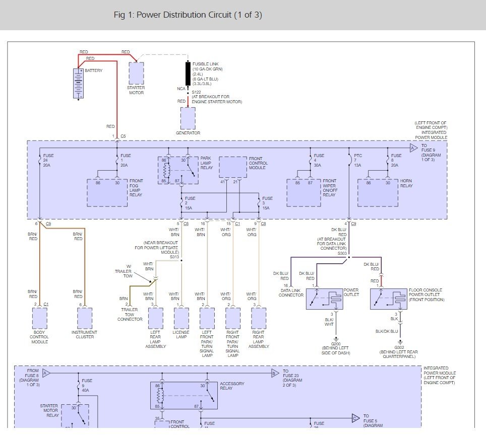
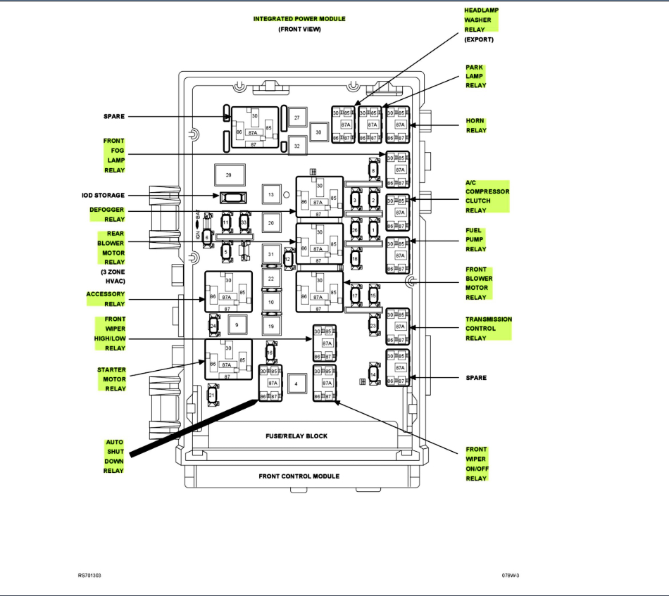
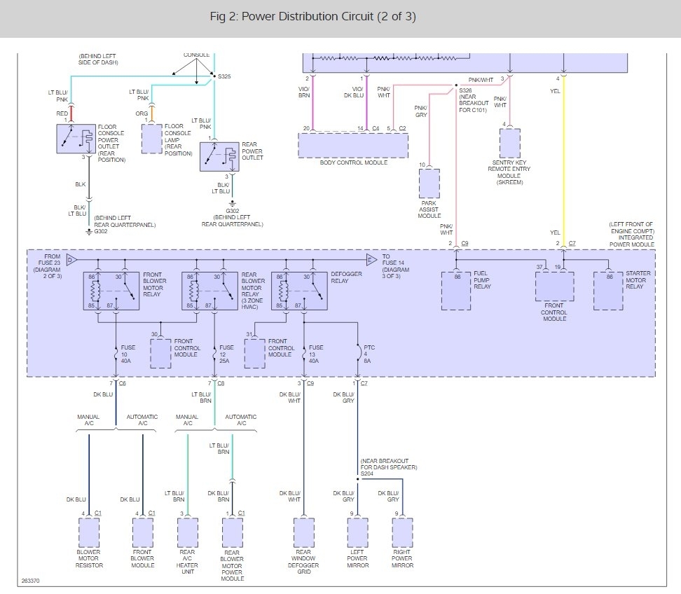
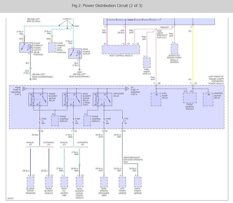
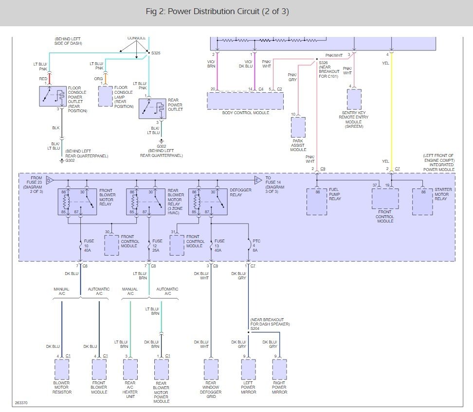
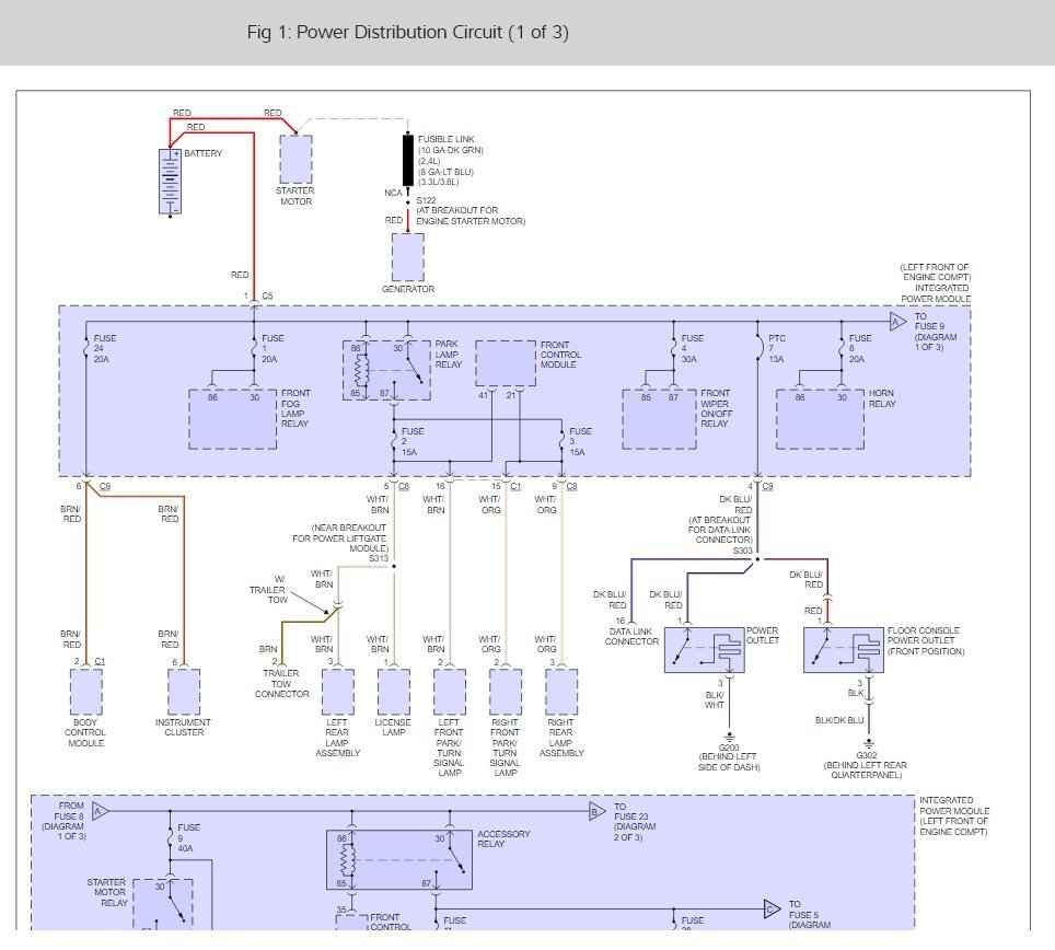
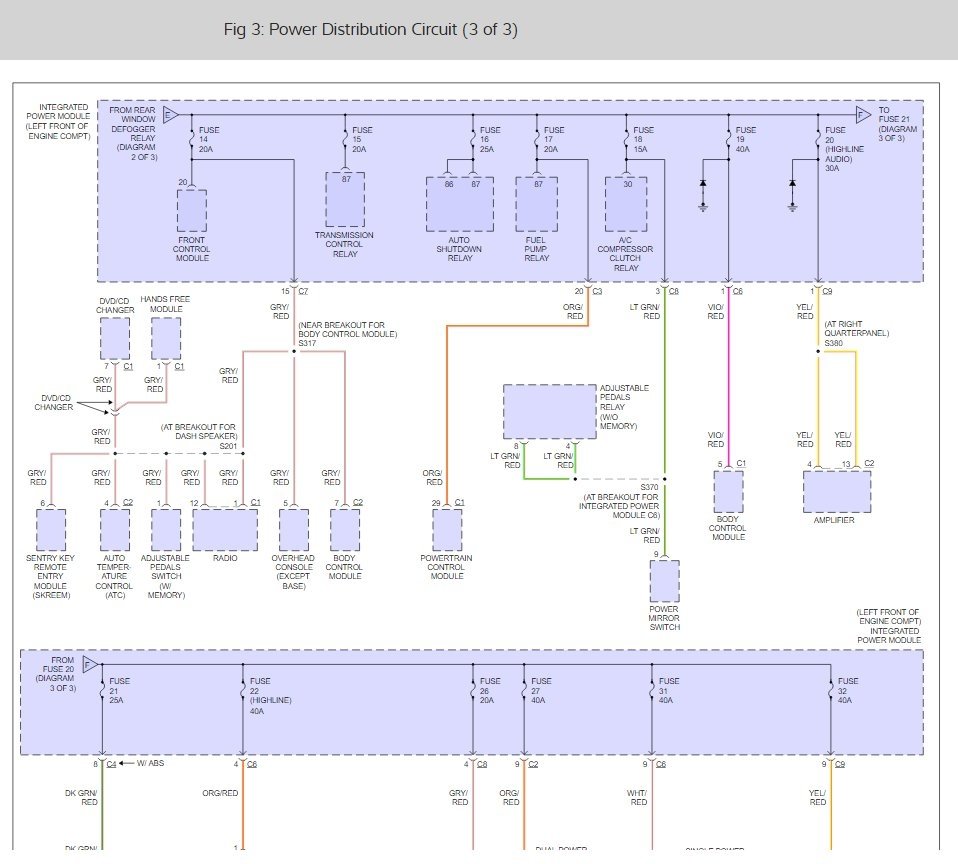
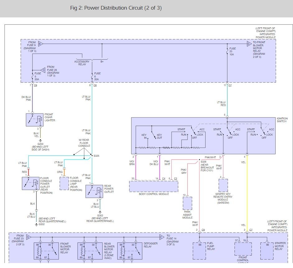
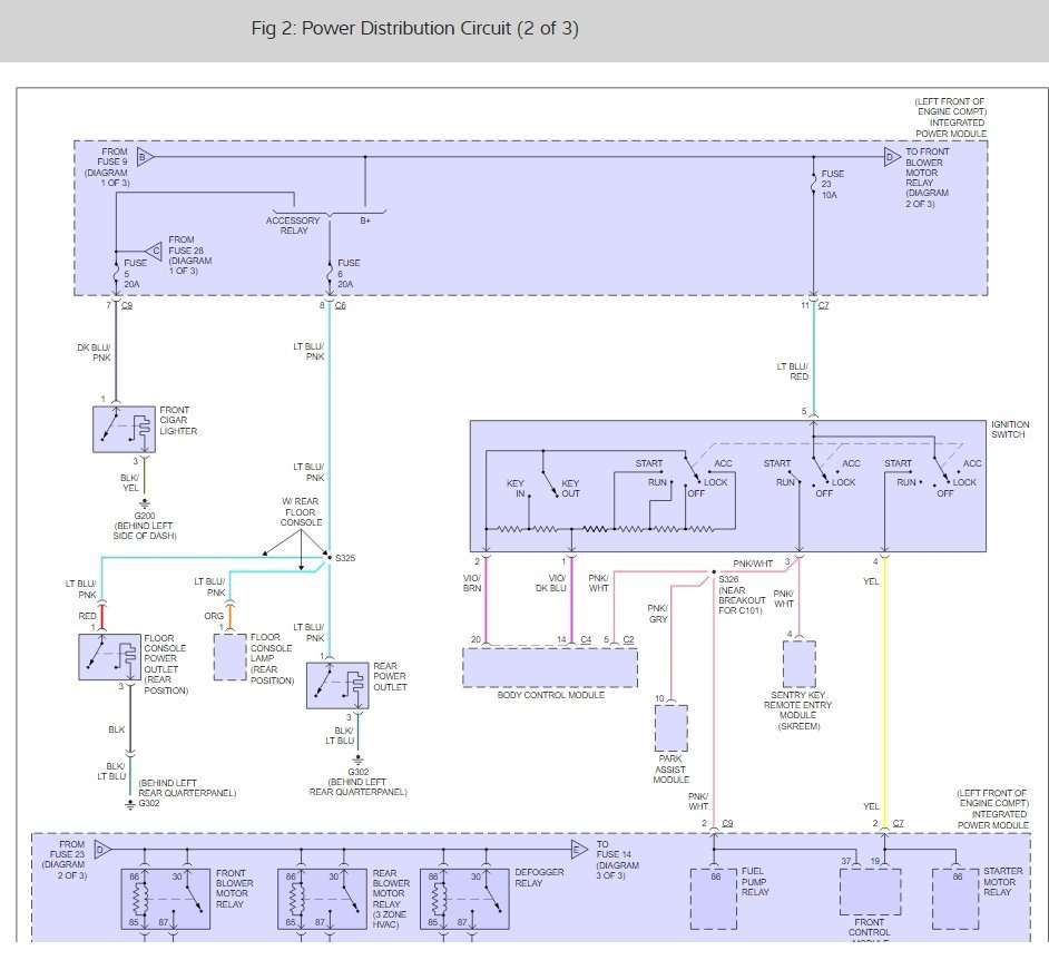
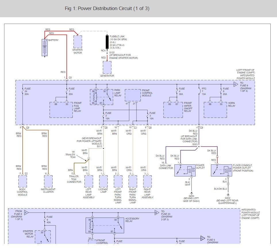
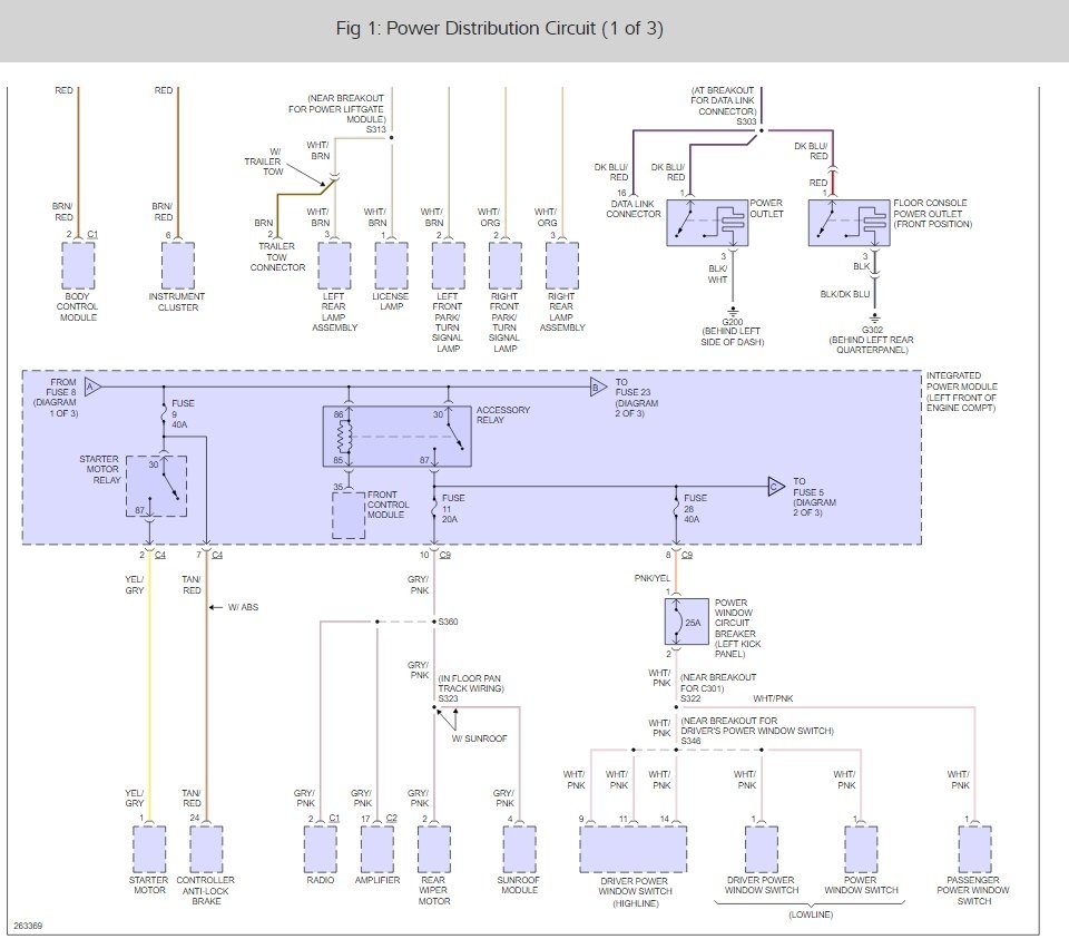
I have found the power distribution wiring diagrams for you (below) Here is a guide that will help as well.

https://www.2carpros.com/articles/how-to-use-a-test-light-circuit-tester

Check to see if power is entering the PDC.

Please let us know what happens.

Cheers, Ken
Was this
answer
helpful?
Yes
No
Wednesday, July 12th, 2017 AT 12:00 PM
Tiny
STEVE W.
  • MECHANIC
  • 15,671 POSTS
No power going out of the IPM with known good power going in means the control circuits have failed. OR the IPM you installed is faulty. Was it new or used?

Test at the ignition switch for power in and out to the BCM. If the BCM doesn't get the wake up call from the switch many items don't get power because it turns on the relays for the other systems. Same issue with the front control module. It controls the power of most of the circuits the BCM doesn't. Test for power and ground

Ken gave you some of the power distribution side schematics.

One other item, being an 07 did you re-flash the replacement IPM to match your vehicle?
Was this
answer
helpful?
Yes
No
-1
Wednesday, July 12th, 2017 AT 1:51 PM
Tiny
TWALTOSZ
  • MEMBER
  • 3 POSTS
  • 2006 CHRYSLER TOWN AND COUNTRY
  • 3.3L
  • 6 CYL
  • 2WD
  • AUTOMATIC
  • 170,000 MILES
My wife just purchased this van and drove it 2,000 miles home without any problems. I drove it about a week locally without issue. My wife went to drive it but heater blower wouldn't work so she parked it and the next day I went to drive it, no heater blower, went to restart and won't crank over. I checked and 3 fuses were blown, replaced fuses and ignition switch, tried to start, starter engaged for about 1/2 second and then nothing. Lights radio and random accessories stayed on, tried moving gear shift to neutral, sometimes indicator lights would work sometimes not, sometimes the radio clock stays on sometimes not, car would still not turn over. Replaced the grounding strap on the motor mount, heater blower started working but accessories stayed on, sometimes windows will work, just tried to get car out of park and can't. I am at a loss where to start, I have looked at wire harnesses but don't see any obvious burns. Any ideas would be appreciated.
Was this
answer
helpful?
Yes
No
Monday, February 1st, 2021 AT 11:58 AM (Merged)
Tiny
SCGRANTURISMO
  • MECHANIC
  • 4,897 POSTS
Hello,

This could be a problem with your vehicle's Body Control-module [BCM]. Your vehicle's BCM controls all of the functions that are failing on your vehicle. In the diagrams down below I have included the instructions for the removal and installation of the BCM on your vehicle. Please go through this guide and get back to us with what you are able to find out.

Thanks,
Alex
2CarPros
Was this
answer
helpful?
Yes
No
Monday, February 1st, 2021 AT 11:58 AM (Merged)
Tiny
TWALTOSZ
  • MEMBER
  • 3 POSTS
So I was able to get the car to turn over (the spade connector on the starter was loose) but as soon as it fires it dies, not like its starving for fuel but seems like the run wire is disconnected, the accessories still come on immediately when connected to the battery, does this still sound like the BCM? Is there any way to test as this part is about 400. Thanks for the help.
Was this
answer
helpful?
Yes
No
Monday, February 1st, 2021 AT 11:58 AM (Merged)
Tiny
SCGRANTURISMO
  • MECHANIC
  • 4,897 POSTS
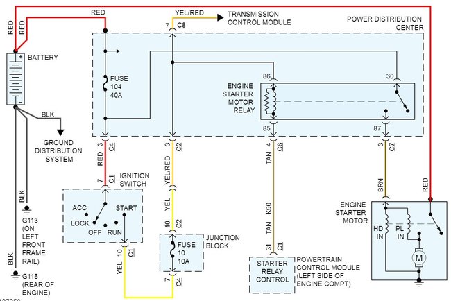
Hello again,

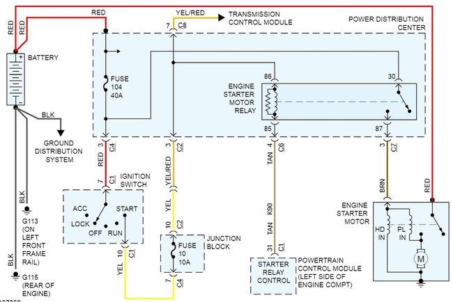
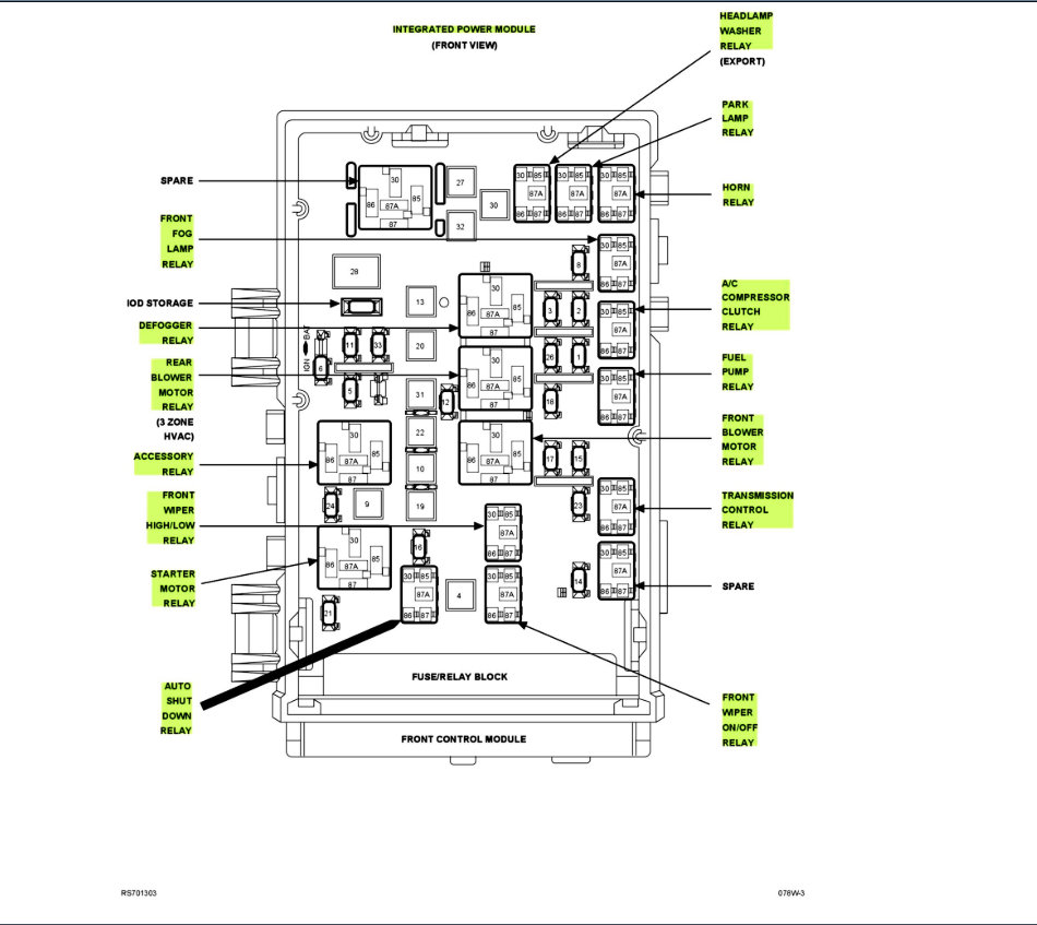
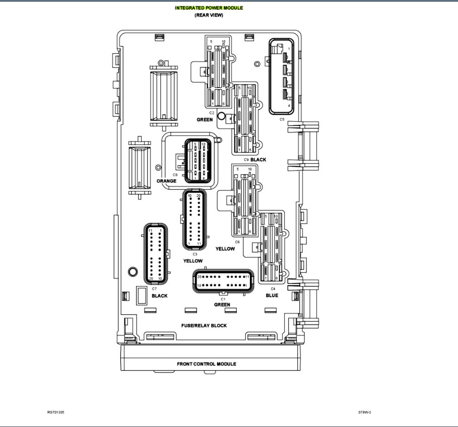
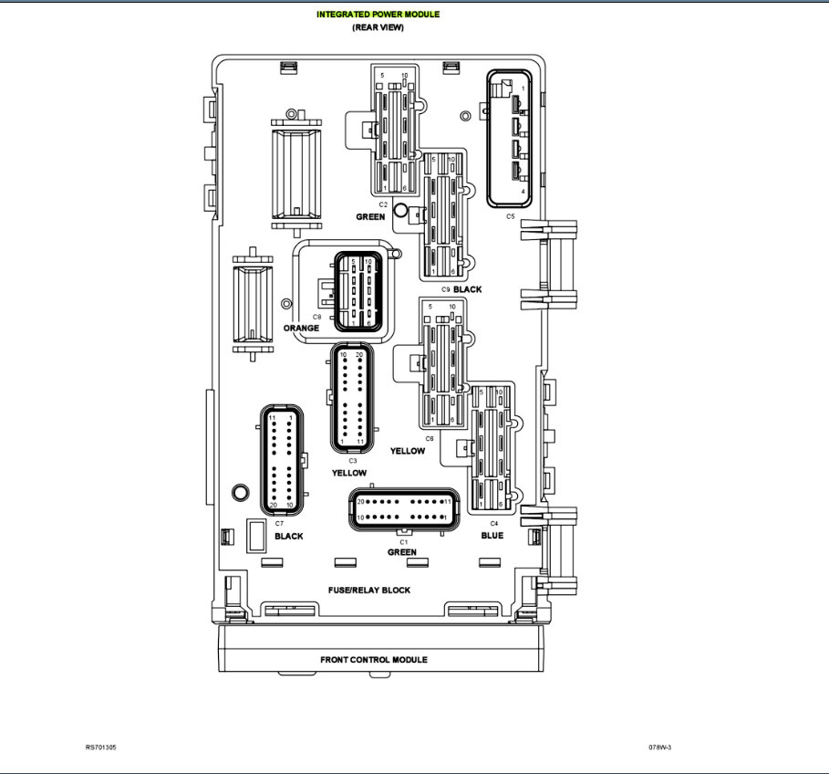
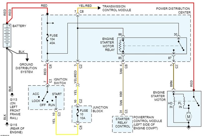
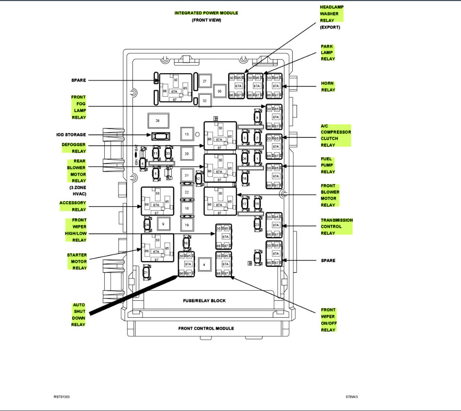
No, it doesn't. This could be a problem with your vehicle's Auto Shut Down relay [ASD]. In the diagrams down below I have included the Engine Management wiring diagram with the ASD circuit on it as well as a diagram with call outs including the relay cavity wires for the Integrated Power Module where the ASD relay is located. I have also highlighted all associated wires on the wiring diagram or you. I have also included a guide on how to find a short to power and shorts in between electrical automotive circuits for you. Please go through these guides and get back to us with what you are able to find out. You will need to use a Digital Multi-meter [DMM] and be able to test the ASD relay so here are links to guides explaining how to do both of these, if needed:

https://www.2carpros.com/articles/how-to-use-a-voltmeter
https://www.2carpros.com/articles/how-to-check-an-electrical-relay-and-wiring-control-circuit

Thanks,
Alex
2CarPros
Was this
answer
helpful?
Yes
No
Monday, February 1st, 2021 AT 11:58 AM (Merged)
Tiny
TWALTOSZ
  • MEMBER
  • 3 POSTS
After checking the relays and replacing another fuse, when I connected the battery I smelled a burnt wire smell, turns out there is a major wire harness in between the wheel well and the firewall. Either something went through the plastic shroud in the wheel well or the burnt wire harness made a hole, either way about 1/2 the wires had melted together, after tracing all of them and soldering and heat shrinking them back together, when I connected the battery the car started right up and no problems since. Thanks for the help, all I can say is I feel very fortunate not to have had a car fire.
Was this
answer
helpful?
Yes
No
Monday, February 1st, 2021 AT 11:58 AM (Merged)
Tiny
KEN L
  • MASTER CERTIFIED MECHANIC
  • 55,281 POSTS
SCGRANTURISMO is one of our best! Glad you could get it fixed, that kind of problem can be tough. Please use 2CarPros anytime we are here to help.
Was this
answer
helpful?
Yes
No
-1
Monday, February 1st, 2021 AT 11:58 AM (Merged)
Tiny
EBL
  • MEMBER
  • 7 POSTS
  • 2000 CHRYSLER TOWN AND COUNTRY
  • 3.8L
  • V6
  • 4WD
  • AUTOMATIC
  • 165,000 MILES
Bought the van listed above a couple weeks ago and it was being used for a short 15 mile round trip commute. After a couple weeks the vehicle went into limp mode with transmission solenoid pack codes. I put in a new solenoid pack and while I had in the garage did some checking on various running lights that were out, found a blown fuse and dead bulb and got most of the lights going. I say this to give the information I was doing some minor stuff with the electrical system. After the replacement I took a test drive and everything was fine, it shifted as it should, no check engine light. Great, I came back, parked it and a couple minutes later went to start it again and heard a click kind of like a dead battery sound when you try to start, then everything went dead. No electrical function at all, no horn, flashers, dash lights, nothing. The battery shows proper voltage and is only a couple weeks old. Someone suggested a fusible link but I can't find it and some searching online revealed some disagreement as to whether the vehicle has one. Any suggestions, advice, or location of the fusible link if this vehicle does indeed have one?
Was this
answer
helpful?
Yes
No
Monday, February 1st, 2021 AT 11:58 AM (Merged)
Tiny
EBL
  • MEMBER
  • 7 POSTS
Just an update: I found the green 10 gauge wire labeled Fuse Link, I'm not sure how I missed it since it is right there coming off the fuse box next to the battery. It doesn't feel blown, tested and it shows continuity and wiggling it around didn't give a moment of power so I believe this is not the issue. I'm a bit stumped what to look at next. There was no erratic behavior with the anything electrical before this, went from normal to dead with a turn of the key.
Was this
answer
helpful?
Yes
No
Monday, February 1st, 2021 AT 11:58 AM (Merged)
Tiny
STEVE W.
  • MECHANIC
  • 15,671 POSTS
The common reason for this type of problem is a loose or corroded connection. The fusible link you found wouldn't cause this issue as it goes between the alternator and the battery. Chrysler has a real issue with rust and corrosion on the ground side of the electrical system. A quick test to see if it's the ground side is to connect a heavy jumper wire like a jumper cable between the battery negative and the engine block and the body. If you now have power it's a bad ground. The battery grounds to 3 places The common failure is the ground to the frame rail with the next being the one to the engine. The one that goes to the PDC can also act up, it can cause the transmission to act up as well. It is on the left rear of the engine compartment as well as at the power distribution centers ground connection.
Was this
answer
helpful?
Yes
No
+1
Monday, February 1st, 2021 AT 11:58 AM (Merged)
Tiny
EBL
  • MEMBER
  • 7 POSTS
Never mind, problem solved. I doubt this will help anyone else because it was such a random thing. The terminal connectors to the battery looked very new and I noticed when I was connecting the negative terminal there weren't any sparks so I started trying to make sure there was voltage from positive to the chassis ground. There wasn't, so I took the terminal off the vehicle and ground the coating off off where the connectors touched it, put it back on and problem solved. I'll have to admit if I hadn't figured that out I might have ended up chasing this for quite awhile and replacing some things that didn't need replaced. I don't know how it had connectivity for several weeks and randomly lost it during a short drive, but it did. Again, I don't know if this will help anyone out but if you are chasing a similar problem, check your terminals. I am happy this fixed it, just a bit annoyed I spent a day chasing something that took 5 minutes to fix.
Was this
answer
helpful?
Yes
No
Monday, February 1st, 2021 AT 11:58 AM (Merged)
Tiny
STEVE W.
  • MECHANIC
  • 15,671 POSTS
Glad to hear you found it.
Been in the same situation before, It's why I mentioned the grounds being an issue on them. It's very common on Chrysler products. When they are assembled the grounds get torqued and create a good connection, but the materials used have a bad habit of corroding and causing problems.
Was this
answer
helpful?
Yes
No
Monday, February 1st, 2021 AT 11:58 AM (Merged)
Tiny
EBL
  • MEMBER
  • 7 POSTS
Thanks Steve. I hadn't seen your answer before I figured it out but it would have solved it instantly for me. I'm in the Northwest and I don't see much corrosion on this van that spent it's whole life up here, we don't get salt on the roads. But I will keep this mind as a week point if it acts up again. And I'll have to have a little chat with my friend who owns an auto repair shop who was pretty insistent it was the fusible link. I'll keep your site in mind if I have any future issues, although fingers crossed this will behave for awhile.

Thanks again. Nice to have someone on the internet know what they are talking about.
Was this
answer
helpful?
Yes
No
Monday, February 1st, 2021 AT 11:58 AM (Merged)
Tiny
STEVE W.
  • MECHANIC
  • 15,671 POSTS
You're welcome. I've seen issues on them when they were almost new as well as ones that have been here in salt belt central. Come back anytime. Thanks for using 2CarPros.
Was this
answer
helpful?
Yes
No
Monday, February 1st, 2021 AT 11:58 AM (Merged)

Please login or register to post a reply.