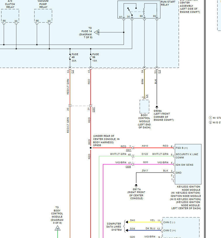
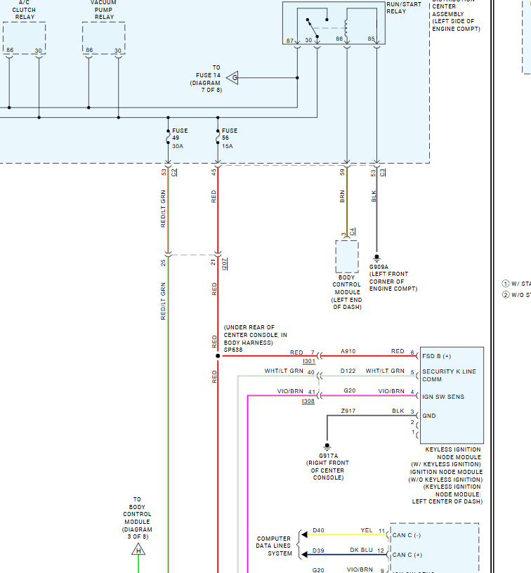
Saturday, January 3rd, 2026 AT 3:34 PM
I have this vehicle that was in a rollover accident, have no power except for door locks and lights. Just put in a rebuilt tipm no changes. I did knowest when using my test some fuse didn't light up but if I changed it the possitive post they did and made sound like something was working. Thank You for your time and thought's I what I mightdo. Paul




