No lights in climate control

Tiny
CHRISTOPHER DECKER
  • MEMBER
  • 2004 DODGE RAM
  • 5.7L
  • V8
  • TURBO
  • 4WD
  • AUTOMATIC
  • 176,349 MILES
I have a problem in my climate control in my truck listed above 1500 quad cab.

I have heat, A/C, fan works perfectly fine but I have no lights.
What fuse do I need?
Tuesday, March 23rd, 2021 AT 1:10 AM

2 Replies

Tiny
CHRISTOPHER DECKER
  • MEMBER
  • 2 POSTS
My fuse box compartment.

What fuse goes in which number shown in the picture?
Was this
answer
helpful?
Yes
No
Friday, April 23rd, 2021 AT 11:34 AM
Tiny
STEVE W.
  • MECHANIC
  • 15,697 POSTS
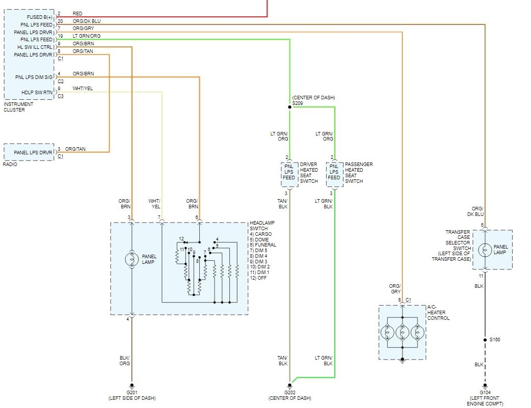
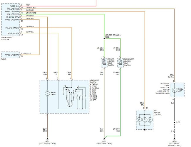
There is no individual fuse for those lights the dash lighting is all tied together with the interior lighting so if the instrument panel, radio and such are working, the problem is in the HVAC control head itself, either the lamps have failed or more likely the lamp circuit in the control head has failed as all of the lamps are tied together inside it and for all of them to fail at one time is very rare. They are available as replacement parts however and testing the bulbs isn't difficult, you remove the center trim panel over the radio/HVAC and vents, then remove the screws holding the HVAC control in place. Pull it out and the bulbs install from the rear, they turn 1/4 turn to release them. Then just use a short jumper wire and the cars battery to see if one of them works. All 3 would need to be blown for the entire panel to be dark so if any of them light up the problem isn't in the bulbs.
To test the entire part at once you can use a jumper wire connected to battery positive power to apply power to the Orange wire with the gray stripe on pin 8 in the C2 connector If the lights work then the issue is inside the instrument panel and not the control head. If the lights don't come on the issue is inside the head. Be very careful though, feed the power into the wrong wire and you could do serious damage to the truck. From damaging the control head to feeding voltage into the instrument panel and destroying it.
Was this
answer
helpful?
Yes
No
Friday, April 23rd, 2021 AT 11:34 AM

Please login or register to post a reply.