Truck will not stay running, no injector Pulse

Tiny
JOHNSONRAY345
  • MEMBER
  • 2006 FORD F-150
  • 5.4L
  • V8
  • 4WD
  • AUTOMATIC
  • 130,000 MILES
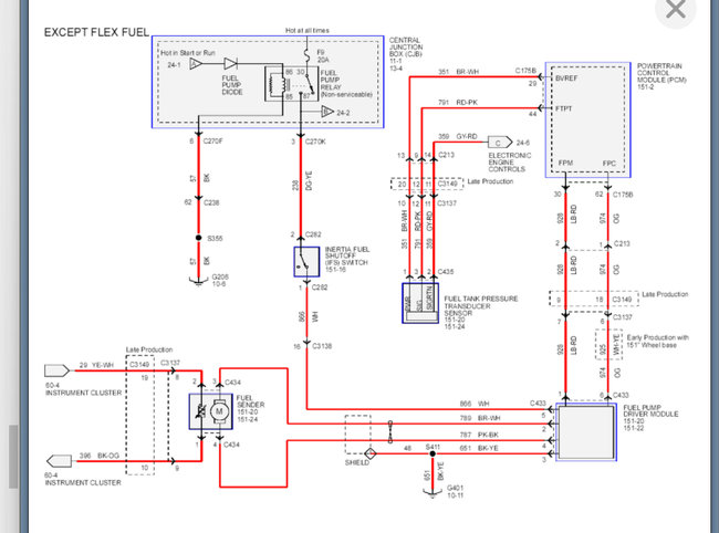
My truck will not start and keep running, it has a strong spark, good fuel. Pressure all fuses and relays are good, have 12 volts to Injectors but no injector pulse, crank sensor is new, replaced the PCM, the engine coolant sensor seems to be working fine, however the oil temperature sensor is faulty I think because the air conditioner compressor stopped working and shortly after the truck got to acting very erratic and eventually shut down, and hasn't moved on its own since and that was September 7, 2021! I have worked on it and replaced basically everything from the fuel. Pump driver, fuel pump and filter, throttle body, MAF sensor, fuel rail pressure sensor, crank and both cam sensors, checked and cleaned all grounds, everything seems to be working as it should, just no injector pulse and after just recently learning about this oil temperature sensor, oil level sensor and that it is basically just like the coolant temperature sensor and may cause the PCM to shut off signal to the Injectors due to a false reading telling the PCM that the engine oil is too hot and not to allow it to start. I pulled the plug off and did an ohm test on just the sensor and it checked out at 44.7K Ohms, that's at cold temperature with an outside temperature of around 74°.
Tuesday, March 22nd, 2022 AT 4:48 PM

7 Replies

Tiny
KASEKENNY
  • MECHANIC
  • 18,907 POSTS
If the injectors are not firing, then that means the PCM is not grounding them as you mentioned.

Here is a guide that will help others on how to do this testing:

https://www.2carpros.com/articles/how-to-test-a-fuel-injector

However, we need to make sure the theft system is not active because this will shut the injectors down and prevent the start.

https://www.2carpros.com/articles/how-to-reset-a-security-system

You may have repaired this issue with something that you replaced but now have an active theft issue, so it is still not starting.

Based on this, we should scan for any codes and find out what is there.

https://www.2carpros.com/articles/checking-a-service-engine-soon-or-check-engine-light-on-or-flashing

Please run through this info and let us know what you find. Thanks
Was this
answer
helpful?
Yes
No
Wednesday, March 23rd, 2022 AT 8:09 AM
Tiny
JOHNSONRAY345
  • MEMBER
  • 4 POSTS
Good afternoon, my issue is not PATS related, I replaced the PCM and have two new programmed keys, when the key is turned to the start position the red PATS light comes on solid for 3seconds and goes off. When the truck is off and just sitting key out the PATS light flashes every few seconds as it should to indicate the system is functioning. I have performed every test I know, as well as checking grounds and fuses, also relays and all are fine, whatever this issue is isn't throwing any codes, and like I said before seems to me that everything is functioning as it should, I'm getting the 12 volts to the injectors, it has a strong spark, fuel pressure is about 60psi and holds fine, it will crank and run with fuel sprayed into the throttle body. Also, I replaced the PCM thinking maybe it had gotten bad and wasn't sending the ground signal to the injectors as you mentioned, however even after replacing the PCM I'm still having the exact same issue as I did before, and that goes for every other part I have replaced as well. Right now I'm thinking that just maybe the Oil Temperature sensor has gone bad, the truck had begun to run really rough, had milage had gone bad, shutting off about 80% of the time at every stop, I didn't mention this but I did a full timing job on it back in August, the chains were slapping on the front cover really bad at start up, both sides of the guides and tensions were shot, passenger side Phaser had a broken spring, the piece of spring that bad broken off must have hit the CPS cause it has a chunk knocked off. I also replaced the oil pump with a Melling high volume pump along with new roller followers, the old ones didn't look bad though, the inside of the engine is really clean and not gummed or clogged, I used top of the line parts, it has FOMOCO phasers back on it, Melling metal ratcheting tensioners. It's timed correctly, at time for first start up I left the crank sensor unplugged and cranked it until I had oil. Pressure, then cranked it a little more until I felt certain oil had reached the top of the engine, I then plugged the crank sensor back in and it started up right away and it ran normally, just didn't have that bad phaser noise and no chain slap, it is actually really quiet, when it runs! I had thought that maybe this repair would clear up all of the sluggishness and lack of power, going into limp mode at times, one thing about the truck is whenever it shut off at a stop it would always start right back up, Until me and a buddy of mine had went to town in it and I put has in it, now I did mention that the A/C had been acting strange too, it would cool just fine for a few minutes and then the compressor would shut off and not come back on, just before it shut off on us that day, the truck was no doubt not running as it should but wasn't so bad I was scared to drive it, also even though it was running a bit rough, right after putting gas in it that day it started running even rougher and with every mile we went on the way home, the worser it got, to the point when it finally just shut off and refused to start back up, and I thought right away it wasn't getting fuel, now I know it wasn't because whatever is telling the PCM not to fire the injectors has obviously gone bad and I assume had been slowly getting worse over time, the coolant temperature sensor seems to be working correctly cause its showing pretty much the same as the ambient temperature at the time of running the OBD code test, I didn't know about that oil temperature sensor until this past weekend, I did pull the connector off and ran an Ohm test on it and with the engine cold it tested out at 44.7K Ohms, which seems way high to me, the outside temperature that day was around 75-78°F, and for threat it seems if the sensors or is working right it should Ohm out between maybe 28-32K Ohms, I do know that when the coolant temp sensors on the 5.4 go out of whack it will send a signal to the PCM telling it that the engine is overheating and stops the signal to the injectors as a safety to keep from damaging the engine, looking at the two sensors, both the coolant and oil temp sensors their both basically the same and perform the same functions, just different liquids, however in order to replace the one in the oil pan it requires the oil to be drained and right now an oil change for the 5.4 isn't and it has less than 200 miles on it, but if new oil is what it's going to take, then what's $65.00 more going to hurt. After all I have been replacing parts on it since September of last year when I have time to fool with it, I like the truck and miss driving it, and heck when I finally do get this issue worked out it should be in tip-top shape because everything is literally brand new! From the PCM, to timing components, fuel pump driver and fuel. Pump, new fuel filter and then some! I just got to find the cause of the fuel injector issues, the injectors are all ohming between 11.7 and 13ohms which is within the Ford specs of between 11-18ohms. I'll take whatever info you can offer and appreciate every bit, I'm no stranger to working on engines I been doing it since before I was a teenager, and I grew up on a big farm here in middle Georgia, so, getting greasy was a way of life. I also worked as a GSM mechanic on Robins AFB in warner Robins GA. For years' working on every type of military equipment made. But never in my life have I seen an issue like this with any of my own vehicles and I'm 51years old! Thanks again for the help.
Was this
answer
helpful?
Yes
No
Wednesday, March 23rd, 2022 AT 2:21 PM
Tiny
KASEKENNY
  • MECHANIC
  • 18,907 POSTS
Interesting. So, we are going to have to focus on what would tell the PCM to not fire the injectors.

Basically, if you can add fuel and it fires then this is a control issue.

Before we get too far down a different path, we need to rule out the fuel shut off switch.

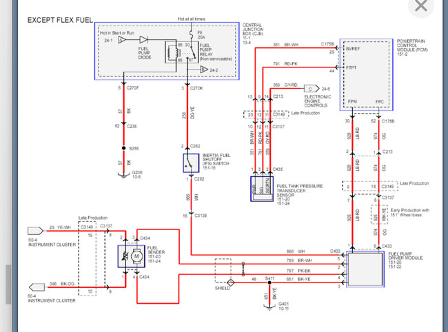
This is to shut off the pump, but it will also prevent the injectors from firing. You said you had good fuel pressure, but have you confirmed the actual pressure or just that you fuel at the rail?

It is worth checking the switch and jumping it to make sure it is not the issue.

Next the likely thing that would cause the injectors to be cut off would be the cylinder head temperature sensor.

Again, you should have codes for this but if the CHT sensor is reading incorrectly then that would cause these issues eventually resulting in the injectors being cut off.

Let's start with these things and then we can dig further into what would cut the injectors off. Thanks
Was this
answer
helpful?
Yes
No
-1
Wednesday, March 23rd, 2022 AT 4:13 PM
Tiny
JOHNSONRAY345
  • MEMBER
  • 4 POSTS
Thanks again Kenny, but yes, I have actually checked the fuel cut off in the passenger side by the fuse box and it's functioning correctly. Also I have did a full check of the fuel pressure and I'm certain that fuel is reaching the injectors, they're just not firing due to a failed sensor and I'm thinking that the oil temperature sensor may just be my culprit here, as I mentioned both the coolant and oil temperature sensors work exactly alike, just different fluids, and it's crazy what those things cost, their like $40.00 at Rock Auto! But if $40.00 is the difference between walking and riding, then $40.00 is not a lot!
Was this
answer
helpful?
Yes
No
Wednesday, March 23rd, 2022 AT 5:49 PM
Tiny
KASEKENNY
  • MECHANIC
  • 18,907 POSTS
Okay. Sounds great. Sorry I missed that. However, we don't have many other things that would cause this so I would go with the oil temperature and see what happens.

Keep us posted and we can dig further if needed. Thanks
Was this
answer
helpful?
Yes
No
Wednesday, March 23rd, 2022 AT 5:55 PM
Tiny
JOHNSONRAY345
  • MEMBER
  • 4 POSTS
I certainly will Kenny, and thanks again for your help, I'm going to drain the oil and change the filter as well and replace the oil temperature sensor as well as soon as I can get to it, most likely around the first of April due to the cost of new oil and filter along with the new oil temperature sensor. I will get back to you and let you know how this new part works out, I only pray this one will correct the issue.
Was this
answer
helpful?
Yes
No
Wednesday, March 23rd, 2022 AT 7:18 PM
Tiny
KASEKENNY
  • MECHANIC
  • 18,907 POSTS
Thanks so much. We will wait to hear back from you.
Was this
answer
helpful?
Yes
No
-2
Thursday, March 24th, 2022 AT 6:34 AM

Please login or register to post a reply.