Windows and locks do not work?

Tiny
SAMZXZXZX
  • MEMBER
  • 2016 CHEVROLET MALIBU
  • 1.5L
  • 4 CYL
  • 2WD
  • AUTOMATIC
  • 53,000 MILES
No access to vehicle link to pull codes out due to no power to ignition. Fuses not blown but didn't jump any relays. Just wondering if relays power the fuse for ignition or blown fuse box?
Sunday, June 23rd, 2019 AT 7:22 PM

29 Replies

Tiny
KASEKENNY
  • MECHANIC
  • 18,907 POSTS
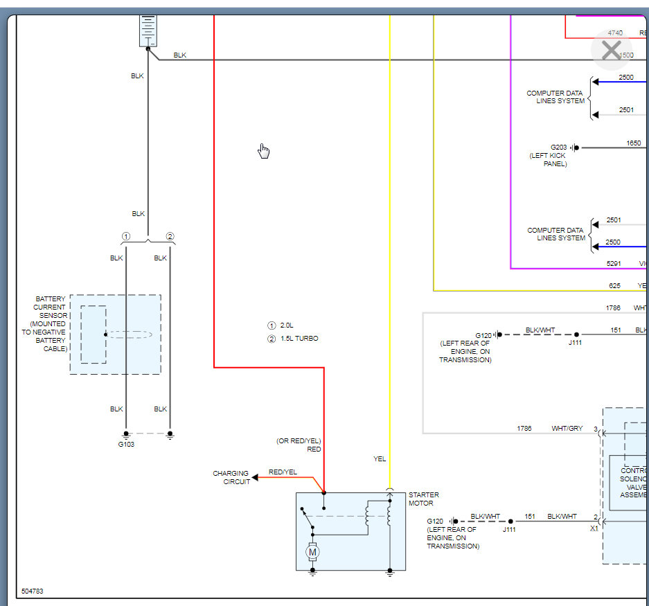
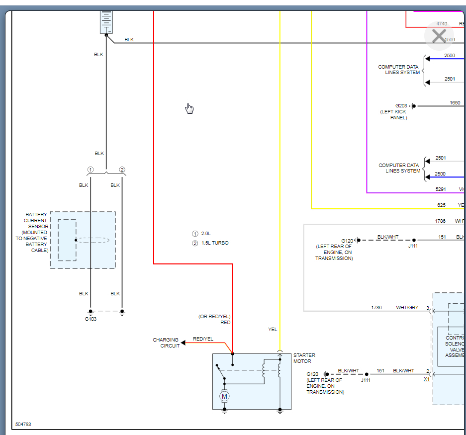
If I understand this issue then you are not able to pull codes because the ignition will not turn on? If that is the case, then we need to check power going to the body controller because the way this works, is the BCM just gets the switch button input and it is literally just an open closed switch. So when it is close, the BCM sees 12 volts on the ignition mode switch input and that tells it that someone just pressed the button.

So this means we need to make sure Fuse BCM 6 is not blown. If it is not, then we need to check for voltage on the BCM connector X2 pin 17. This should have 12 volts when you press the button. If it doesn't then you need to replace the ignition mode switch. If it does then there is an issue with the BCM.

Here are some guides that will help with this:

https://www.2carpros.com/articles/how-to-use-a-test-light-circuit-tester

https://www.2carpros.com/articles/how-to-check-wiring

So when the BCM gets the input signal from the button it sends that info to the PCM and tells it to start the engine.

Let's run through this material and find out what we have and we can go from there. Thanks
Was this
answer
helpful?
Yes
No
Monday, February 8th, 2021 AT 2:03 PM
Tiny
CARY DIETSCHE
  • MEMBER
  • 2 POSTS
  • 2011 CHEVROLET MALIBU
  • 2.4L
  • 4 CYL
  • 2WD
  • AUTOMATIC
  • 67,000 MILES
Installing floor mats on front passenger side of vehicle. Accidentally drilled into the wire harness next to console on front passenger side. Cabin partially filled with smoke. Several wires were affected. All four power door locks quit working. Heater blower fan also quit working. Spliced the affected wires and now the blower motor works on three of the four lower settings but not on high. The dome light in center of head liner also does not work. The remote key will not open door locks, the switches on inside panels of doors will not unlock doors either. When lock and unlock are pressed on the remote you can hear a relay click under the dash. There are no fuses blown in any of the three fuse blocks. Help?
Was this
answer
helpful?
Yes
No
Monday, February 8th, 2021 AT 2:04 PM (Merged)
Tiny
KEN L
  • MASTER CERTIFIED MECHANIC
  • 55,322 POSTS
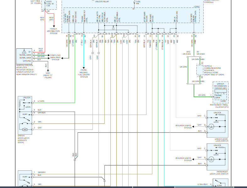
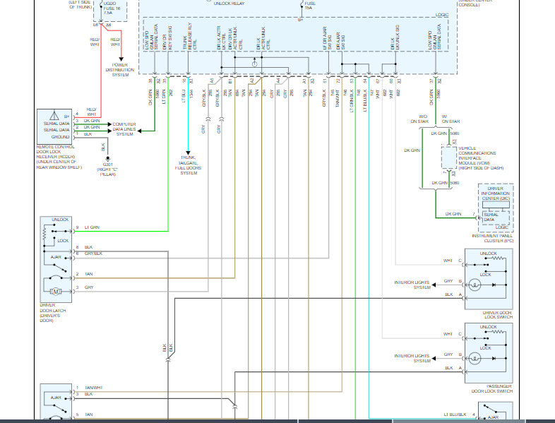
Bummer, I had to hang a picture on the wall put a wood screw right into a water pipe, yep I feel your pain. :) If you fixed the wiring and all fuses are good it sounds like the BCM has blown out here is its location you will need to have it programmed in at a shop it should cost about $130.00 once you have the new one here is the BCM location.

Check out the diagrams (below). Please let us know what happens.

Cheers, Ken
Was this
answer
helpful?
Yes
No
Monday, February 8th, 2021 AT 2:04 PM (Merged)
Tiny
CARY DIETSCHE
  • MEMBER
  • 2 POSTS
Okay, will look into that.
Was this
answer
helpful?
Yes
No
Monday, February 8th, 2021 AT 2:04 PM (Merged)
Tiny
KEN L
  • MASTER CERTIFIED MECHANIC
  • 55,322 POSTS
Please let us know what happens.

Cheers, Ken
Was this
answer
helpful?
Yes
No
Monday, February 8th, 2021 AT 2:04 PM (Merged)
Tiny
NATJESSE
  • MEMBER
  • 1 POST
  • 2009 CHEVROLET MALIBU
Our malibu brought new. The strangest thing happened the car is in park and i. The passenger tried to get out. And the door would not open. The unlock and lock mechanism works. Meaning the door lever goes up and down when the door lock button is pushed but the door will not let you out? This occurs on the driver side as well! So we had to crawl out the back doors! Also. Sometimes the doors will not shut tight. They bounce back open? Any suggestions. We are going to the dealership in a few days to have it looked at.I would also like to mention that this problem doesn't always occur everytime. Thanks
Was this
answer
helpful?
Yes
No
Monday, February 8th, 2021 AT 2:04 PM (Merged)
Tiny
BASSTECH
  • MEMBER
  • 236 POSTS
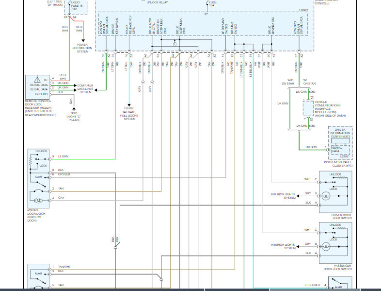
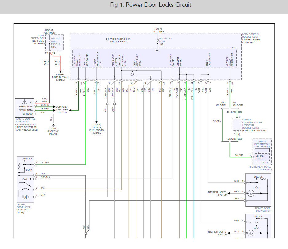
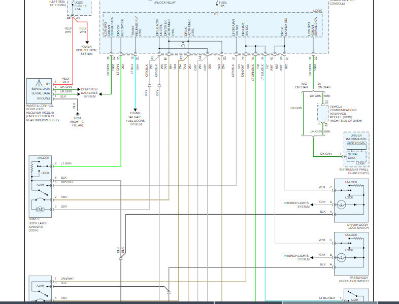
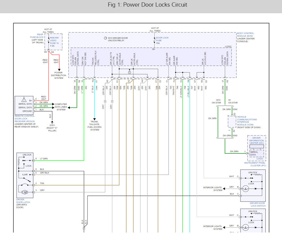
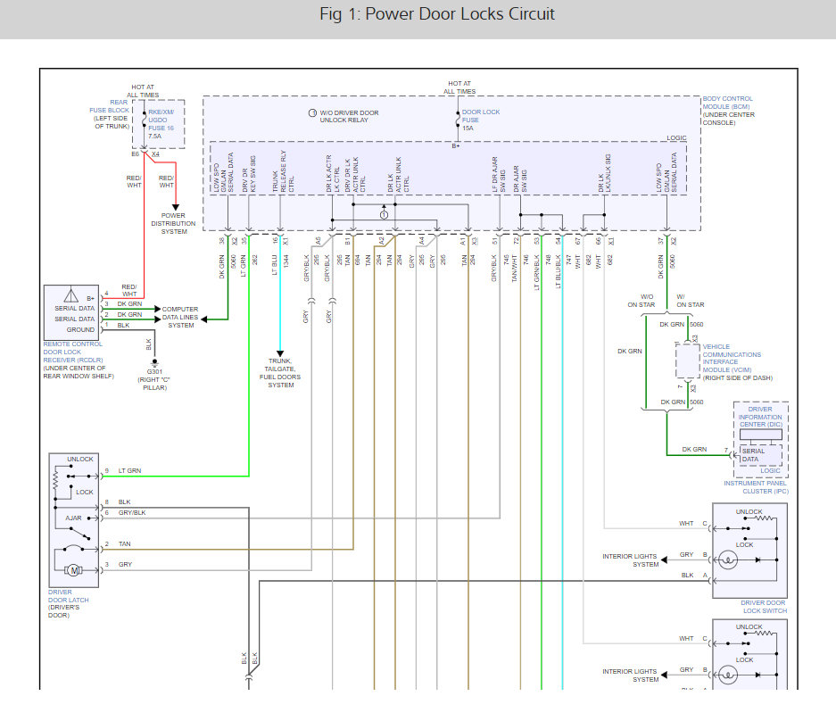
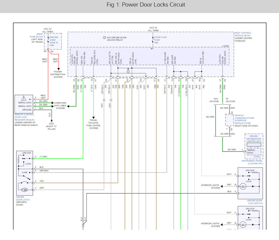
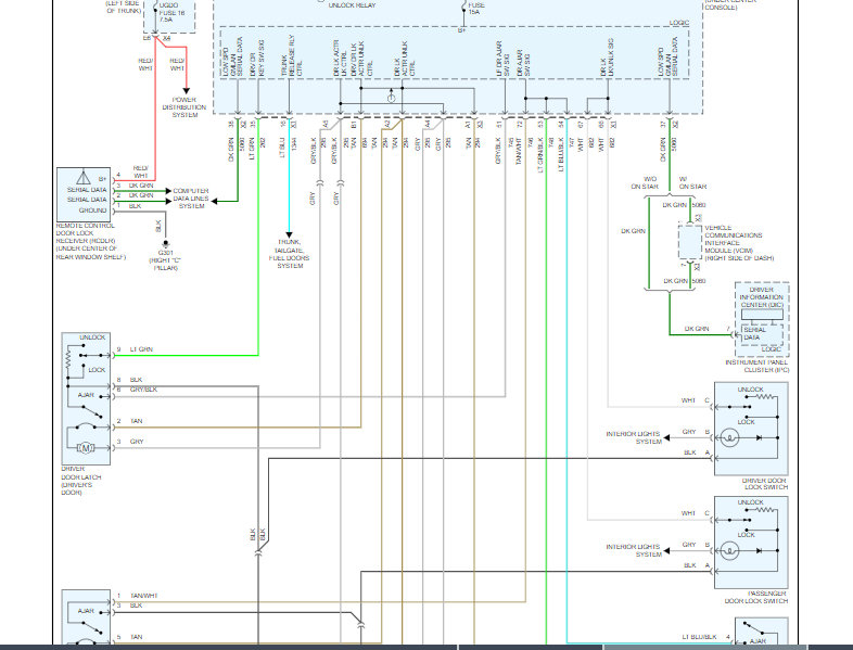
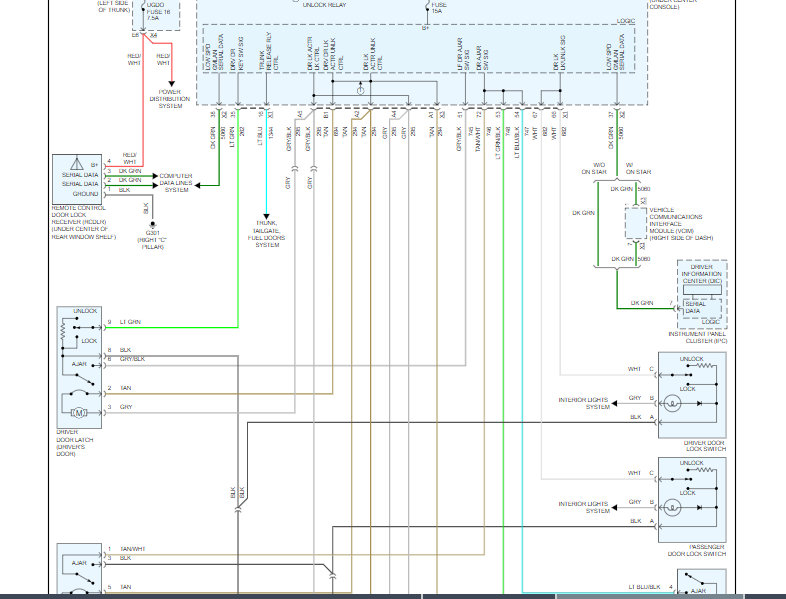
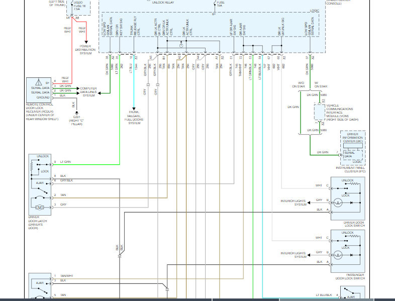
G.M. does have a bulletin discussing that issue with the rear doors, but it could still be the same problem with the front doors. they will most likely need new door latches. Let me know how you make out. Here are the door lock wiring diagrams so you can see how the system works. It could be the BCM causing the issue as well. Here is how you replace it. A CAN scan will help tell for sure.

https://youtu.be/InIlnsjOVFA

Check out the diagrams (Below). Please let us know what happens.
Was this
answer
helpful?
Yes
No
Monday, February 8th, 2021 AT 2:04 PM (Merged)
Tiny
DIYPATTYJ
  • MEMBER
  • 1 POST
Temporary solution to passenger latch not responding to handles (inside and out) but manual locks responding to lock/unlock button: I have an 2008 Malibu LTZ and my passenger door did this. I did some research and what worked, for now, is slapping the door panel a couple of time right above the handle, lol seriously. Can’t get the panel off To fix the latch if the doors shut, am I right? Before the slapping, a suggestion was that the latch is stuck in between lock/unlock and to just lock/unlock the door a bunch with the manual lock. But that wasn’t doing it for me.
My drivers door lock/unlock button isn’t responding, though also, separate issue, I believe.
Was this
answer
helpful?
Yes
No
Monday, February 8th, 2021 AT 2:04 PM (Merged)
Tiny
KASEKENNY
  • MECHANIC
  • 18,907 POSTS
These issues are most likely the same issue. If the lock button is not responding but the door doesn't unlock or lock then it is most likely caused by a faulty actuator. The slapping of the door panel was getting it to operate then yes, it is sticking. That is not uncommon for these when they begin to fail.

I attached the process and as you can see, you do need the door open so I would suggest you get the door open and then make the repair. If you cannot get the door open then you may have to cut a hole in the panel to unlock it so we don't want to push it with the door not opening.
Was this
answer
helpful?
Yes
No
Monday, February 8th, 2021 AT 2:04 PM (Merged)
Tiny
MABERCROMBIE02
  • MEMBER
  • 1 POST
  • 2009 CHEVROLET MALIBU
  • 6 CYL
  • FWD
  • AUTOMATIC
  • 40,000 MILES
My door lock unlock and lock by themself. We already replaced the computer module that controls the locks. We also have reset the alarm system.
Was this
answer
helpful?
Yes
No
Monday, February 8th, 2021 AT 2:05 PM (Merged)
Tiny
BASSTECH
  • MEMBER
  • 236 POSTS
Try unplugging the switches one by one and see if it stops. Sometime the switches go bad and the contacts get corroded.

If not, you may have an electrical problem in wiring, first place to look is where the body and door meet.
Sometimes the wiring harness break in there and makes contact with other wires.
Was this
answer
helpful?
Yes
No
-1
Monday, February 8th, 2021 AT 2:05 PM (Merged)
Tiny
EDM7151
  • MEMBER
  • 1 POST
  • 2009 CHEVROLET MALIBU
  • 4 CYL
  • FWD
  • AUTOMATIC
  • 75,000 MILES
4 door. Front passenger door will not open. Car has power locks.
Was this
answer
helpful?
Yes
No
Monday, February 8th, 2021 AT 2:05 PM (Merged)
Tiny
HMAC300
  • MECHANIC
  • 48,601 POSTS
See I f it will open from inside or outside to get it open otherwise door panel will need to come off and see if there are broken clips holding rods on that go to door handles unless lock actuator isn't working but you should be able to unlock form inside. Cold be a broken cable going to door latch as well
Was this
answer
helpful?
Yes
No
+1
Monday, February 8th, 2021 AT 2:05 PM (Merged)
Tiny
2CP-ARCHIVES
  • MEMBER
  • 4,540 POSTS
  • 2009 CHEVROLET MALIBU
  • 80,000 MILES
Door locks acting inconsistent? If I unhook the battery and then reconnect it what trouble could I create?
Was this
answer
helpful?
Yes
No
Monday, February 8th, 2021 AT 2:05 PM (Merged)
Tiny
CARADIODOC
  • MECHANIC
  • 34,468 POSTS
Very happy you asked that before just doing it. Too many people still think there is something that will magically "reset" based on the stories of that working on much older GM cars. I heard of at least one 2008 GM car that everything worked normally on after the battery was disconnected, and that made me happy, but there are way too many stories of various computers locking up requiring a tow to the dealer to have them reprogrammed.

You aren't going to solve an intermittent problem by disconnecting the battery. "Inconsistent" can mean a lot of things, but if the locks work properly some times, the programming in a computer is not the cause of the problem. On Volkswagens, BMWs, and 2002 and newer GM products, I would never suggest disconnecting the battery, but if you're going to try that, I would do it in the dealer's parking lot so you don't need to pay for a tow if it doesn't start after that.
Was this
answer
helpful?
Yes
No
+1
Monday, February 8th, 2021 AT 2:05 PM (Merged)
Tiny
JASENMASE
  • MEMBER
  • 1 POST
  • 2009 CHEVROLET MALIBU
  • 4 CYL
  • 2WD
  • AUTOMATIC
  • 90,000 MILES
Both driver and passenger power locks don't seem to work, but whenever I put the car in park they automatically unlock. Do I changed both power lock switches or just the driver side?
Was this
answer
helpful?
Yes
No
-1
Monday, February 8th, 2021 AT 2:05 PM (Merged)
Tiny
ASEMASTER6371
  • MECHANIC
  • 52,796 POSTS
Good afternoon,

The locks are controlled by the body control module. The switches send a signal to the module and then the locks will work from the module.

If you have a scan tool, you could monitor the live data in the BCM to see if there is a signal sent from the switches.

If there is, then the BCM is the issue.

If there is no signal, then it is the switches.

Roy
Was this
answer
helpful?
Yes
No
+1
Monday, February 8th, 2021 AT 2:05 PM (Merged)
Tiny
PUERTO
  • MEMBER
  • 1 POST
  • 2008 CHEVROLET MALIBU
  • 3.6L
  • V6
  • 2WD
  • AUTOMATIC
  • 39,000 MILES
At times when locking my doors, certain doors lock and others don't.
I'm not sure if my battery is dying or I have a sensor problem.
Do I reboot my system somehow or do I need to bring it in to a dealership?
Was this
answer
helpful?
Yes
No
Monday, February 8th, 2021 AT 2:06 PM (Merged)
Tiny
JACOBANDNICKOLAS
  • MECHANIC
  • 110,192 POSTS
If the problem is with the same door all the time, chances are the actuator for the lock is going bad. You need to check to see if 12v of power is going to the affected doors. If it is, then the actuator is most likely the problem.
Was this
answer
helpful?
Yes
No
Monday, February 8th, 2021 AT 2:06 PM (Merged)
Tiny
SATHOMPSON
  • MEMBER
  • 1 POST
  • 2008 CHEVROLET MALIBU
  • 1.2L
  • 4 CYL
  • 2WD
  • AUTOMATIC
  • 141,300 MILES
Automatic door locks will not work with key fob.
Was this
answer
helpful?
Yes
No
Monday, February 8th, 2021 AT 2:06 PM (Merged)

Please login or register to post a reply.