Saturday, July 8th, 2023 AT 6:10 AM
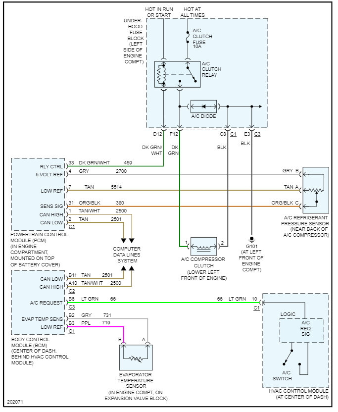
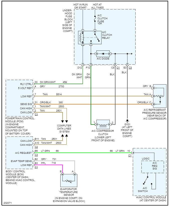
The fuses under the hood and compartment on the passenger side near the blower motor have been checked. Also, the panel was taken off to check the plug connection to the controls. I’ve tried to recharge with freon, but that failed because the switch doesn’t come on. For over 5 minutes of hooking up to the low-pressure line and squeezing nothing went into the system. The blower motor has been checked. I even purchased a new one. A new thermostat has been installed.



